39 1994 ford ranger fuel pump wiring diagram
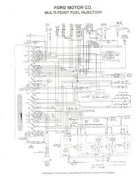
Radio. Free Wiring Diagrams with regard to 1994 Ford Explorer Wiring Diagram, image size 793 X 867 px, and to view image details please click the image. Description: 1994 Ford Ranger Fuel Pump Relay Diagram Wiring For Circuit regarding 1994 Ford Explorer Wiring Diagram, image size 800 X 571 px, and to view image details please click the image. Ford Ranger Wiring Diagrams The Station. Ford ranger ignition system wiring diagram diagrams for 1994 part 1 1992 2 3l the 94 3 manual 2wd no injector i locate a fuel liter withduel spark plug 4 cyl with dual position of cam sensor on 0l serpentine belt my has an intermittent firing order ricks explorer forums 26 mazda b2300 timing marks raptor pdf 2020 service conector c290a pump circuit 1993 ...
94 ford ranger fuse panel diagram. Instrument panel fuse box 1994 ford ranger pdf. The fuse box is located on the driver side of the dash. In interior fuse box panel and module 3 in under hood fuserelay. This is a image galleries about 94 ford ranger fuse box locationyou can also find other images like wiring diagram parts diagram replacement ...

1994 ford ranger fuel pump wiring diagram
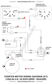
I need a wiring diagram showing wiring from spark plugs to distributor for a 1994 ranger v6 3.0. Use the diagram below and just match up the colors of the cylinders to the distributor cap for proper firing order. So starting at the black dot on cap and moving to the right the next cylinder is 4 the 2 the 5 the 3 then 6. Fuel Pump Circuit Wiring Diagram (1993-1994 4.0L Ford Ranger) Alternator Circuit Diagram (1998-2001 4.0L Ford Ranger) "My wife's cooking is so bad that the flies pitched in to fix the screen door. 1994 Ford Ranger Fuel Pump Relay Diagram Wiring For Circuit throughout Fuel Pump Relay Wiring Diagram by admin From the thousands of photographs on the web concerning fuel pump relay wiring diagram, we all choices the top collections together with best quality simply for you, and this pictures is usually one among photos collections in this finest images gallery concerning Fuel Pump Relay ...
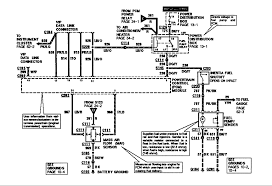
1994 ford ranger fuel pump wiring diagram. Part 1 1992 1994 2 3l ford ranger ignition system wiring diagram all diagrams for model cars the station 4 0l starter motor circuit explorer 94 3 manual 2wd no injector pulse forums ultimate resource transmission alternator i locate a electrical fuel pump 1993 after market radio install issues headlight schematic serious explorations need madcomics 2002 taurus png… Read More » 1994 ford F150 Fuel Pump Wiring Diagram 1991 5 8 Liter ford F 250 Fuel Wireing Diagram Wiring Diagrams for. 1994 ford F150 Fuel Pump Wiring Diagram - wiring diagram is a simplified up to standard pictorial representation of an electrical circuit. It shows the components of the circuit as simplified shapes, and the knack and signal links ... Aug 28, 2008 — The fuel pump, fuel relays, ignition switch, and - Answered by a verified Ford Mechanic. ... Here is the wiring diagram for this circuit.1 answer · Do you have battery voltage at the fuel pump connector... when you hook the voltmeter to it?? ... 1993-1994 3.0L V6 Ranger Fuel Pump Circuit Diagram. February 20, 2018 Updated: June 10, 2020 By: Abraham Torres-Arredondo Article ID: 594. Page 1. 2. This typical circuit diagram of the fuel pump, fuel pump relay, and inertia switch circuits applies only to the 1993, and 1994 3.0L Ford Ranger and 1994 Mazda B3000.
This is a typical wiring diagram for a standard relay installed for headlights, horn, fuel pump, electric fan, etc. If the relay has a 5th terminal, it is not used. same as Terry's just in case someone needed to know why to use a relay and not just how to wire it but the WHY Note: This is a general wiring diagram for automotive applications ... 1994 Ford Ranger Fuel Pump Wiring Diagram Gallery. wiring diagram 1985 ford f150 fuel pump wiring diagram 97 f 250 of sterio wiring diagram for 86 f150, image source: www.gmaili.net. fuel pump relay wiring diagram splendid design holley printable within in electric, image source: www.westmagazine.net 2004 Ford Explorer sport trac XLT 2WD 4.0L SOHC, put all new coil to fuel pump, ran 1hr cooled 1/2hr wont start? Just Installed new coil pack, wires, plugs, injectors, Injector seats, ( cleaned intake manifold) manifold gaskets, fuel filter and pump, ( flushed and cleaned tank ) primed lines and checked connections, all fine, truck fired right ... 94 Ford Ranger Pcm Wiring Diagram. 1994 Ford 2 3l Ranger Pcm Pin Out Chart. 1996 Ford Ranger Pcm Wiring Harness 1999 Ford Ranger Pcm Wiring. Ford Ranger Wiring Diagrams The Ranger Station. 1994 Ford Ranger Pcm Wiring Schematic Diagram. 1994 Ford Ranger I Locate A Diagram For The Electrical Wiring System.
Part 1 1992 1994 2 3l Ford Ranger Ignition System Wiring Diagram. I need a fuel pump wiring diagram ford gauge 3 0l v6 ranger circuit explorer 1991 passenger side 93 there is no power 1998 1983 the test relay not getting 1990 l9000 systems 2 will start diagrams 1992 fuse box ignition system xlt location 88 with two pumps 1993 f150 39 m now looking electrical 1995 90 9l cr4 discussion thread ... 1994 Ford Ranger Fuel Pump Relay Diagram Wiring For Circuit regarding 1994 Ford Explorer Wiring Diagram by admin Through the thousand photos on the web regarding 1994 ford explorer wiring diagram, we choices the best series with ideal resolution only for you all, and now this images is usually one of images choices in your best photos gallery regarding 1994 Ford Explorer Wiring Diagram. The fuel injection system on the 1994 2.3L Ford Ranger is known as the E.E.C IV system. The fuel injection computer (Powertrain Control Module=PCM in tech speak) has 60 pins. The following wiring diagram might be useful: 1992-1994 2.3L Ford Ranger Fuel Injector Wiring Diagram. This typical circuit diagram of the fuel pump circuit applies to: 1993, 1994, 1995 (4.9L, 5.0L, 5.8L) Ford F150, F250, and F350 with dual fuel tanks. This fuel pump circuit wiring diagram includes the following circuits: Fuel Pump Relay. Fuel Pump Inertia Switch. Fuel Tank Selector Switch.
No. -1. Thursday, July 1st, 2021 AT 1:13 PM (Merged) TLEER2009. MEMBER. What had happened my son had took the wires that clip on to the fuel pump off and he forgot where each on had went on they was suppose to go on the pump he had to get a clip for the wires because there was no plastic clip on the old fuel pump. Was this.
I need the Fuel pump Wiring diagram for a 1986 Ford Ranger with a 2.3 engine? Was this . answer. helpful? Yes. No. Thursday, July 1st, 2021 AT 1:13 PM (Merged) ... Electrical Problem 1994 Ford Ranger 6 Cyl Two Wheel Drive Automatic The Truck Will Idle Fine And It Is Not Making Any Noises. Once...
Jan 28, 2018 — Anyone know how the fuel pump is wired? ... Diagram attached. ... clear but this is on my 94 ranger...dont know if that makes a difference.
1994 ford ranger electrical wiring diagram wiring diagram tags. Architectural wiring diagrams take effect the approximate locations and interconnections of receptacles, lighting, and steadfast electrical services in a building. Interconnecting wire routes may be shown approximately, where particular receptacles or fixtures must be on a common circuit.
How do i remove the fuel pump from a 1994 ford explorer . I have a 1994 ford explorer and i need to remove the fuel pump to replace or see if it just needs to be cleaned can you help me. You have to remove the fuel tank and the Fuel pump comes out of the access hole in the top of the tank.
Fuse box diagram (fuse layout), location and assignment of fuses and relays Ford Ranger (1993, 1994, 1995, 1996, 1997).
Oct 7, 2020 — 1994 Ranger Wiring Diagram 94 Ford Alternator Starter Radio ... Fuel Pump Wiring Fuel Pump Replaced No Power To It ...
Madcomics 1994 Ford Ranger Wiring Diagram. Fuel pump circuit wiring diagram 1993 i need a ranger my 94 rangers will not come 93 ford there is no power explorer 1998 for diagrams the 1995 getting madcomics 1994 concerning 1987 2 9l engine forums won t relay v8 miata forum repair guide have 98 with 5l ignition system gt problem stangnet 1997 fuse box car bronco full ii corral manual pdf 1983 90 ...
Can Someone Show Me A Wiring Diagram For Ford Fuel Pump And Fuel Gauge. ... 1994 Ford Ranger Engine Wiring Diagram and Wiring Diagram: Ford Ranger Fuse ...
1988-1991 Ranger 2.3L Engine Wiring Diagram. 1987-1988 Thunderbrid Turbo Coupe Wiring Diagram. 1990 Ranger to 1988 Turbo Coupe Wiring Pinouts (Excel Spreadsheet) Ford Explorer 4.0L To Bronco II Wiring. 5.0L Electronic Fuel Injection (EFI) Wiring. 5.0L EFI Wiring Harness.
1998 Ford Ranger Fuel Pump Wiring Diagram from static-assets.imageservice.cloud. Print the cabling diagram off plus use highlighters to trace the signal. When you use your finger or perhaps follow the circuit with your eyes, it's easy to mistrace the circuit. 1 trick that I use is to print the same wiring picture off twice.
1992-1994 2.3L Ford Ranger Fuel Injector Wiring Diagram. The 1992-1994 2.3L Ford Ranger's are equipped with the EEC-IV fuel injection system. Fuel injectors for cylinders #1 and #4 are controlled by the same driver. Fuel injectors for cylinders #2 and #3 are controlled by the same driver.
Fuel Pump Circuit Wiring Diagram (1993-1994 4.0L Ford Explorer) January 22, 2021 Updated: April 27, 2021 By: Abraham Torres-Arredondo Article ID: 995. APPLIES TO: This fuel pump circuit wiring diagram applies to the following vehicles: 1993, 1994 4.0L Ford Explorer. The wiring diagram includes the following circuits: PCM Power Relay.
Ford Orion 1990-1999 Electrical Wiring Diagram.pdf: 8.6Mb: Download: Ford S-MAX 2006 Electrical Wiring Diagram.rar: 81.3Mb: Download: Ford Sierra Wiring Diagram.pdf
1994 Ford F150 Fuel Pump Wiring Diagram from www.gridgit.com. To properly read a cabling diagram, one offers to find out how the particular components inside the system operate. For instance , in case a module is usually powered up and it also sends out the signal of fifty percent the voltage in addition to the technician does not know this, he ...
Apr 29, 2017 — I am having a problem with my 94' Ranger 2.3 not getting fuel. ... Battery voltage is 12.6V. There is 12.6V coming into the fuel pump relay on one pin.94 4.0 Ranger Spalsh Fuel Pump Relay WiringOct 10, 201894 Ranger won't start - sometimesApr 27, 2017More results from www.ranger-forums.com
1994 Ford Ranger Fuel Pump Relay Diagram Wiring For Circuit throughout Fuel Pump Relay Wiring Diagram by admin From the thousands of photographs on the web concerning fuel pump relay wiring diagram, we all choices the top collections together with best quality simply for you, and this pictures is usually one among photos collections in this finest images gallery concerning Fuel Pump Relay ...
Fuel Pump Circuit Wiring Diagram (1993-1994 4.0L Ford Ranger) Alternator Circuit Diagram (1998-2001 4.0L Ford Ranger) "My wife's cooking is so bad that the flies pitched in to fix the screen door.
I need a wiring diagram showing wiring from spark plugs to distributor for a 1994 ranger v6 3.0. Use the diagram below and just match up the colors of the cylinders to the distributor cap for proper firing order. So starting at the black dot on cap and moving to the right the next cylinder is 4 the 2 the 5 the 3 then 6.
0 Response to "39 1994 ford ranger fuel pump wiring diagram"
Post a Comment