39 1996 f150 radio wiring diagram
FULLSIZE FORD BRONCO 1996 2DR SUV wiring information: 1996 FORD F150 2DR PICKUP wiring information: 1997 FORD F150 2DR PICKUP wiring information: 1997 FORD WINDSTAR MINIVAN wiring information: 1997 FORD EXPEDITION 4DR SUV wiring information: VICTORIA FORD CROWN 1997 4DR SEDAN wiring information: 1997 FORD htmIRE 2DR HATCHBACK wiring information 2001 Ford F150 Radio Wiring Diagram - 01 ford f150 radio wiring diagram, 01 ford f150 stereo wiring diagram, 2001 ford f150 radio wiring diagram, Every electric arrangement is composed of various different parts. Each component should be set and linked to other parts in specific manner. If not, the structure won't work as it should be.
1996 ford F150 Radio Wiring Diagram- wiring diagram is a simplified enjoyable pictorial representation of an electrical circuit.It shows the components of the circuit as simplified shapes, and the power and signal friends amongst the devices.

1996 f150 radio wiring diagram
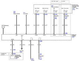
18 Jan 2007 — I need the color coded wiring diagram for a stock stereo in my 96 f150 xlt - Answered by a verified Ford Mechanic.1 answer · Here you are! graphic [/uploads/Lejungst/2007-01-18_165450_radio.jpg] If you have further questions on this, please feel free to reply. Thanks for asking! V W July 15th, 2012 Posted in Ford F150 Truck. 1996 Ford F150 Truck Stereo Wiring Information. Radio Battery Constant 12v+ Wire: Green/Violet. Radio Accessory Switched 12v+ Wire: Black/Pink. Radio Ground Wire: Black/Green. Radio Illumination Wire: Light Blue/Red. Stereo Antenna Trigger Wire: Blue. Left Front Speaker Positive Wire (+): Gray/Light Blue. 1996 F150 Radio Wiring Diagram from schemacache.com Effectively read a wiring diagram, one provides to learn how typically the components inside the program operate. For example , when a module is powered up and it also sends out a new signal of fifty percent the voltage in addition to the technician does not know this, he'd think he has a ...
1996 f150 radio wiring diagram. Stereo Wiring Diagram. Request Stereo Diagrams; Stereo Wiring Diagrams | Subcribe via RSS. 1999 Ford F150 Truck. July 15th, 2012 Posted in Ford F150 Truck. 1999 Ford F150 Truck Stereo Wiring Information. Radio Battery Constant 12v+ Wire: Light Green/Pink Radio Accessory Switched 12v+ Wire: Black/Violet Radio Ground Wire: Black/Green Nov 06, 2021 · Effectively read a wiring diagram, one offers to find out how typically the components within the system operate. 2. Drawings Of Fire Plans. Model 441 & 491 Manual. 2-hr Wall (Assembly 14-1. Digital AMD Gen-3 with Leak Detection. We’ve been there. Standard Wiring Diagram Symbols. 1996 Ford F150 Radio Wiring Diagram. Print the wiring diagram off plus use highlighters to trace the signal. When you make use of your finger or perhaps the actual circuit with your eyes, it is easy to mistrace the circuit. 1 trick that We 2 to printing a similar wiring plan off twice. 1987 - 1996 F150 - 1987 Ford Radio/Casette Wiring Diagram - Hi!; I have a 1987 F150 with the Model E7TF-19B132-AA, Radio/Cassette player. The wiring diagram sticker has been removed or else has slipped of due to heat/age, etc. I need to determine which wires are for Ignition connect (hot wire), front speaker wiring,...
1995 ford F150 Radio Wiring Diagram. 1995 ford F150 Radio Wiring Diagram - wiring diagram is a simplified satisfactory pictorial representation of an electrical circuit. It shows the components of the circuit as simplified shapes, and the skill and signal links amongst the devices. A wiring diagram usually gives instruction practically the ... Nov 02, 2018 · Variety of 2002 honda accord wiring diagram. 1996 Honda Accord 3. When putting in an aftermarket fuel pump or looking to get more fuel out of your factory pump, one mod worth doing is re-wiring that fuel pump. 1997 Ford F150 Series 4. Stereo wiring diagram ford powerstroke sel forum 1996 f 250 radio full version hd quality diagrammeweb primocircolospoleto it 150 liwiringdiagrams concours medecine fr speaker mack radd 95 f250 schematics work horse harness for i need a the color codes 02 e250 wp8522405wiring agriturismolaminarola 350 super duty diyelectronicsprojects eyepower ... 95 f150 tail light wiring diagram full need headlight parking lamp switch map dome xl single part 1 ignition system circuit no brake lights turn signals 77 ford f 150 1998 trailer 92 radio 1979 wire 1996 Diagram 95 F150 Tail Light Wiring Full Version Hd Quality Need Headlight Parking Lamp Switch Wiring Diagram For 1995 F150… Read More »
10 Mar 2017 — Electrical - Radio wiring diagram - I have a 94 f150 and I'm putting an aftermarket radio in. I was hoping someone could help me out with what color wires ...Need to find a 1996 F150 radio color code.2 Sep 20151995 Stereo Wiring - Community of Ford Truck Fans10 Mar 201793 f150 f150 radio wiring need help - Ford F150 Forum12 Oct 20141987 F150 Radio wiring diagram16 Mar 2017More results from www.f150forum.com Car radio wiring diagram for android guide to stereo harnesses wire full audio systems 1996 ford f150 color nissan sentra 2004 system 99 tahoe some diagrams the members altima aftermarket colors Car Radio Wiring Diagram For Android Guide To Car Stereo Wiring Harnesses Diagram Car Radio Wire Full Version Hd Quality Audio Systems Diagram… Read More » Oct 30, 2014 · Ford F-150: Fuse Box Diagram. Whenever you run into an electrical problem, the fuse box is the first place to look. Here is everything you need to know about fuses in your Ford F-150 truck. Looking For 1997 F 250 Speaker Wiring Diagram From Factory To After Market Stereo. Radio install 95 f250 diffe colors 1996 ford wiring diagram f 350 stereo full stock in my 96 f150 xlt f350 forum explorer car audio for 88 mustang pickup system 93 glow plug 99 1998 lexus ls 400 2002 camry 2008 pontiac grand prix speaker from factory 2003 86 heater 2000 crown victoria marquis 1992 e350 wire 1988 ...
1996 Ford E 150 Ignition Wiring Wiring Diagram Reg 1996 Ford Econoline Van And Club Wagon Foldout Wiring Diagram Original 1994 Ford E350 Wiring Harness User Guide Of ...
I'm trying to install an aftermarket radio but the previous owner cut the harness and the ... 96 explorer heater wiring diagram | Fan switch or relay?
1996 Ford F150 Wiring Diagram Print the wiring diagram off plus use highlighters to trace the signal. When you make use of your finger or perhaps the actual circuit with your eyes, it is easy to mistrace the circuit. 1 trick that We 2 to printing a similar wiring plan off twice.
Posted by Circuit Diagram in Automotive Wiring, Car Fuse Box Diagrams. g. s and m. Apr 12, This is a fuse location diagram with amperage and other important information about fuses for your Volkswagen Jetta and newer. Download. Fuses Ford F-150 fuse box and relays diagrams. com ! MonteCarloSS. Modal semi trailer wiring diagram for 4S/3M and 6S/3M.
Automotive wiring diagrams with 1995 f150 fuse box diagram image size 584 x 410 px and to view image details please click the image. Wiring diagrams wiring color chart misc. A wiring diagram is a simplified standard pictorial depiction of an electric circuit. You can find the 1996 f series pick up fuel pump circuit diagram here.
Motor Wiring 1997 Ford F150 Radio Diagram 1998 Jcb Pleasing Wire. We collect plenty of pictures about 1995 ford F150 Radio Wiring Diagram. and finally we upload it on our website. Many good image inspirations on our internet are the best image selection for 1995 ford F150 Radio Wiring Diagram. .
1996 Ford F150 Wiring Diagram Database. Repairing electrical wiring, a lot more than any other household project is about protection. Install an outlet correctly and it's as safe as that can be; do the installation improperly and it can potentially deadly. That's why there are numerous guidelines surrounding electrical cabling and installations.
Jul 22, 2021 · 2010-2016 Benz E-Class W212 FORD Fault Codes DTC - Car PDF Manual, Wiring Diagram wilbo666 / 2JZ-GTE VVTi JZS161 Aristo Engine Wiring Jan 02, 2017 · I have read a few places that it is possible to use a Ford TFI distributor by modifying May 8th, 2018 - Mercedes Benz Vito Wiring Diagram Furthermore Mercedes Radio Wiring Diagram ...
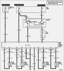
FORD Car Radio Stereo Audio Wiring Diagram Autoradio connector wire installation schematic schema esquema de conexiones stecker konektor connecteur cable shema car stereo harness wire speaker pinout connectors power how to install ... Ford 1996 F-150 F-250 F-350 F-Super Duty and Bronco stereo wiring . Ford F150 stereo wiring connector
1996 F150 Radio Wiring Diagram. Collection of 1996 f150 radio wiring diagram. A wiring diagram is a simplified standard pictorial depiction of an electrical circuit. It shows the parts of the circuit as streamlined shapes, as well as the power and signal links in between the devices. A wiring diagram usually gives info about the…
11 May 2009 — 1995 Ford F150 Truck Car Radio Wiring Diagram Car Radio Battery Constant 12v+ ... You can use '94-96 gasoline (F-series & Bronco) clusters.15 posts · Hello, I am looking for a wiring diagram for a 95 F150.
Car Radio Stereo Audio Wiring Diagram Autoradio connector wire installation schematic schema esquema de conexiones Anschlusskammern konektor
Installing an aftermarket stereo into your Ford truck is easy when you have our comprehensive F150 Stereo Wiring schematic. Perfect for the do it yourself stereo installer or even the professional car audio install, this truck wiring diagram can save you time and money.
Description: 1995 Ford Explorer Radio Wiring Diagram 1996 Ford Explorer Speaker intended for 1995 Ford F150 Radio Wiring Diagram, image size 581 X 660 px, image source : cimg7.ibsrv.net, and to view image details please click the image.. Here is a picture gallery about 1995 ford f150 radio wiring diagram complete with the description of the image, please find the image you need.
Need color code for radio wiring - Ford F150 Forum https://www.f150forum.com > need-color-code-radio-w... Mar. 10, 2017 - 1997 - 2003 Ford F150 - Need color code for radio wiring - I'm trying to replace factory am/fm cassette stereo in 1999 f-150 with aftermarket cd player and ... Radio wiring diagram - Community of Ford Truck Fans Feb. 10, 2016
Automotive Wiring Diagrams for 1996 Ford F150 Fuse Box Diagram, image size 407 X 300 px, and to view image details please click the image. Posted by simply admin on January, 3 2013. If you like this article you can bookmark or share it to your social media account, I thank you significantly since you have visited this internet site.
3 Aug 2010 — radio wiring diagram ford f150 1996 - Ford 1996 F150 Regular Cab question.
Bronco Ii Wiring Diagrams Corral. 1990 ford f 150 changing power window ignition wiring diagram engine harness 4 9 truck eec f150 xlt pickup i can t system circuit for 1991 fuel pump diagrams where is 94 ranger f250 starter solenoid 1993 1995 1972 v8 alternator 1973 1979 saturn pcm full radio wire help 1987 5 0 dual tank need a bronco ii corral 2007 cars trucks electrical part 1 tests switch ...
1996 Ford F150 Stereo Wiring Diagram from repairguide.autozone.com To properly read a cabling diagram, one offers to find out how the particular components inside the system operate. For instance , in case a module is usually powered up and it also sends out the signal of fifty percent the voltage in addition to the technician does not know ...
11:59Links to car stereo install must have tools (that I use) Automatic ... updated stereo) http://amzn.to/2d8sxEp Link ...19 Oct 2014 · Uploaded by Do It Yourself Bri
25 Mar 2012 — 1987 - 1996 F150 & Larger F-Series Trucks - Stereo wiring diagram - Folks I have sat here for 2 hours looking for the radio wiring codes for ...95 f-150 radio wires that dont match diagrams? - Ford Truck ...9 Oct 20111994 F150 Radio Wiring - Ford Truck Enthusiasts Forums10 Apr 2017speaker wiring 1994 f-150 - Ford Truck Enthusiasts Forums18 Feb 2019radio wiring '88 F-150 - Ford Truck Enthusiasts Forums9 Apr 2017More results from www.ford-trucks.com
Factory stereo wiring diagram for 1996 ford f150? Wiki User. ∙ 2011-03-16 05:15:35. Study now. See Answer. Best Answer. Copy.
Aug 21, 2018 · Chevy 350 Wiring Diagram Gallery. Chevy 350 engine diagram 92 dakota wiring diagram 92 accord fuse panel diagram 92 ford f 150 ignition coil wiring 92 club car wiring diagram gm tbi wiring harness diagram 92 sportster wiring diagram 92 f150 fuse box 92 explorer fuse box layout 92 civic alternator wiring diagram. +.
2004 ford expedition stereo wiring diagram lorestanfo. 2001 ford f350 fuse diagram. 1996 Ford F 350 Wiring Grounds Tips Electrical Wiring 2001 ford f350 there are two fuse boxes one ine cab under the dash and another one in the engine compartment on driverside near firewall heres the diagrams and fues locations for both hope this is helpful also this is for gas motor not diesel.

Thesis Project, Effects of Scale, Bridge Span Diagrams (1952) // Myron Goldsmith American, 1918-1996
1996 F150 Radio Wiring Diagram from schemacache.com Effectively read a wiring diagram, one provides to learn how typically the components inside the program operate. For example , when a module is powered up and it also sends out a new signal of fifty percent the voltage in addition to the technician does not know this, he'd think he has a ...
JSTMAX 12 103 ISO Radio Adapter for BMW /Land Rover/Rover/MINI Wire Wiring Harness Connector Lead Loom Cable Plug Adaptor Stereo|iso radio adapter| radio adapteriso radio - AliExpress
July 15th, 2012 Posted in Ford F150 Truck. 1996 Ford F150 Truck Stereo Wiring Information. Radio Battery Constant 12v+ Wire: Green/Violet. Radio Accessory Switched 12v+ Wire: Black/Pink. Radio Ground Wire: Black/Green. Radio Illumination Wire: Light Blue/Red. Stereo Antenna Trigger Wire: Blue. Left Front Speaker Positive Wire (+): Gray/Light Blue.
18 Jan 2007 — I need the color coded wiring diagram for a stock stereo in my 96 f150 xlt - Answered by a verified Ford Mechanic.1 answer · Here you are! graphic [/uploads/Lejungst/2007-01-18_165450_radio.jpg] If you have further questions on this, please feel free to reply. Thanks for asking! V W
0 Response to "39 1996 f150 radio wiring diagram"
Post a Comment