39 craftsman dyt 4000 belt diagram
"belt worn over the shoulder," c. 1300, from Old French baldre "sword-belt, crossbelt," (12c., Modern French baudrier "shoulder-belt"), which probably is from Latin balteus "belt, sword-belt," a word said by Varro to be of Etruscan origin. The English word perhaps was influenced by Middle High German balderich (which itself is from French). early 14c., "to fasten or gird with a belt," from belt (n.). Meaning "to thrash as with a belt" is 1640s; general sense of "to hit, thrash" is attested from 1838. Colloquial meaning "to sing or speak vigorously" is from 1949. Related: Belted; belting. Hence (from the "thrash with a belt" sense) the noun meaning "a blow or stroke" (1885).
1610s, "an illustrative figure giving only the outlines or general scheme of the object;" 1640s in geometry, "a drawing for the purpose of demonstrating the properties of a figure;" from French diagramme, from Latin diagramma "a scale, a musical scale," from Greek diagramma "geometric figure, that which is marked out by lines," from diagraphein "mark out by lines, delineate," from dia "across, through" (see dia-) + graphein "write, mark, draw" (see -graphy). Related: Diagrammatic; diagrammatically. The verb, "to draw or put in the form of a diagram," is by 1822, from the noun. Related: Diagrammed; diagramming.

Craftsman dyt 4000 belt diagram
Craftsman 54 inch mower deck belt diagram. unsatisfiedauntybhabhi. Craftsman 54 inch mower deck belt diagram. Craftsman 54 inch mower deck belt diagram ... kind of seaweed, c. 1600, Latin, from Greek zōstēr "girdle," originally "warrior's belt," from zōnnynai (see zone (n.)). Meaning "shingles" is from 1706; in the literal sense, "a belt or girdle, especially for men," from 1824. Sent from my iPad using Tapatalk. Craftsman DYT 4000 0009: Hydro to Manual Transaxle Swap. It has had wheel weights and chains on it the whole 12 years . just got a 1995?ish Craftsman 18 hp twin kohler, 46" deck with a hydrostatic trans. Volvo super hydraulic oil. Craftsman is a brand of hand tools, power tools and power equipment sold by Sears.
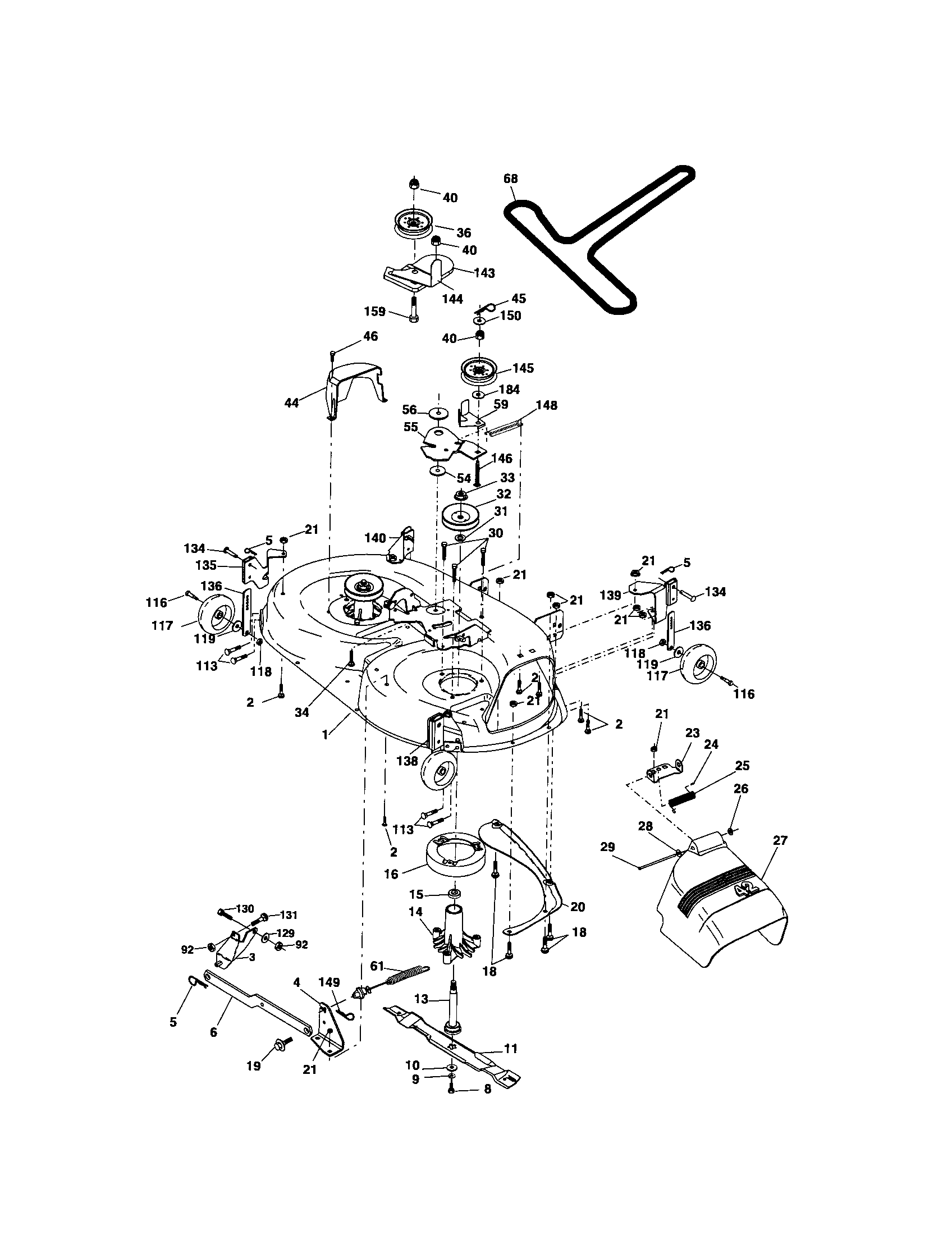
Craftsman dyt 4000 belt diagram. Our craftsman dyt 4000 parts diagram will assist you in finding the correct part for your mower. 3,38,39 ) Support Assembly 5 126840 25 73800400 Locknut Chute , Upper 6 18021008 26 4939M Screw , Special # 10 - 14 x 1 / 2 Spring , Retainer 7 130933 27 72140405 Bolt Full Bagger Indicator 8 87175 28 179745 Screw , # 10 - 24 x 1 - 1 / 8 Bracket ... Nov 03, 2021 · Craftsman gt 5000 parts diagram | periodic & Jul 11, 2018 · belt routing diagram craftsman gt5000 craftsman gt 5000 26 hp54 garden tractor posted by anonymous on … 5 hp briggs and stratton. 4 kW), or Briggs and Stratton 40H777 V-twin cylinder OHV air-cooled gasoline engine with a rated power of 22 Hp (16. x 1. 37 out of 5. early 14c., from sword + belt (n.). Old English had sweordfætels "sword-belt." DYT 4000 Mower Deck Belts: DYT 4000 Drive Belts: Craftsman DYT 4000 Complete Mower Deck Replacement. com or 6275 Millcreek Drive, Mississauga, ON L5N 7K6, for more information. Free shipping over 0 Power Pressure Washer Pump And Spray Kit For Sears Craftsman Comet Axd2530gt-22mm 4.
Our craftsman dyt 4000 parts diagram will assist you in finding the correct part for your mower. The Husqvarna 532130969 Variable Speed Deck Belt is compatible with many different brands like Poulan and Craftsman. 1918 (Venn's diagram is from 1904), named for English logician John Venn (1834-1923) of Cambridge, who explained them in the book "Symbolic Logic" (1881). "skilled mechanical workmanship," 1650s, from craftsman + -ship. Craftmanship is attested from 1839. c. 1200, craftmonnen (plural); late 14c., craftise men, "one skilled in a manual occupation," from genitive of craft (n.) + man (n.1). Written as one word from late 14c. Old English had cræftiga in this sense. Craftswoman is recorded from 1886; craftsperson from 1904; craftspeople from 1856.
1520s, from genitive of sale (compare craftsman, tradesman) + man (n.). Craftsman transaxle oil. 917. 5 am -5 pm, Mon- Sat. Craftsman says the only way to repair is to replace the transmission at 0+. Change Oil Craftsman Dyt 4000, Dyt 4000 Craftsman Hydrostatic Oil Change, Craftsman DYT 4000 Oil Change, Oil Change For A Craftsman Dyt Koehler 4000, Adjust Clutch On Crafsman 4000, Craftsman Mower 4000 Belt, Craftgsman Hydro, Oil Change, How To Add Oil To Craftsman ... Old English belt "belt; girdle; broad, flat strip or strap of material used to encircle the waist," from Proto-Germanic *baltjaz (source also of Old High German balz, Old Norse balti, Swedish bälte), an early Germanic borrowing from Latin balteus "girdle, sword belt," said by Varro to be an Etruscan word. Transferred sense of "broad stripe encircling something with its ends joined" is from 1660s; that of "broad strip or tract" of any sort, without notion of encircling (as in Bible belt is by 1808). As a mark of rank or distinction, mid-14c.; references to boxing championship belts date from 1812. Mechanical sense is from 1795. Below the belt "unfair" (1889) is from pugilism. To get something under (one's) belt was originally literal, to get it into one's stomach (1839), figurative use by 1931. To tighten (one's) belt "endure privation" is from 1887. Sent from my iPad using Tapatalk. Craftsman DYT 4000 0009: Hydro to Manual Transaxle Swap. It has had wheel weights and chains on it the whole 12 years . just got a 1995?ish Craftsman 18 hp twin kohler, 46" deck with a hydrostatic trans. Volvo super hydraulic oil. Craftsman is a brand of hand tools, power tools and power equipment sold by Sears.
kind of seaweed, c. 1600, Latin, from Greek zōstēr "girdle," originally "warrior's belt," from zōnnynai (see zone (n.)). Meaning "shingles" is from 1706; in the literal sense, "a belt or girdle, especially for men," from 1824.
Craftsman 54 inch mower deck belt diagram. unsatisfiedauntybhabhi. Craftsman 54 inch mower deck belt diagram. Craftsman 54 inch mower deck belt diagram ...
Craftsman Lt 2000 Riding Mower Is There A Diagram Anywhere To Show Me Exactly Where These Brake Parts Go The Spring Is
I Need The Diagram Of How To Put On The Belt For The Blades On A Murray 42in Cut 14 5 Hp Automatic Transmission Also A
0 Response to "39 craftsman dyt 4000 belt diagram"
Post a Comment