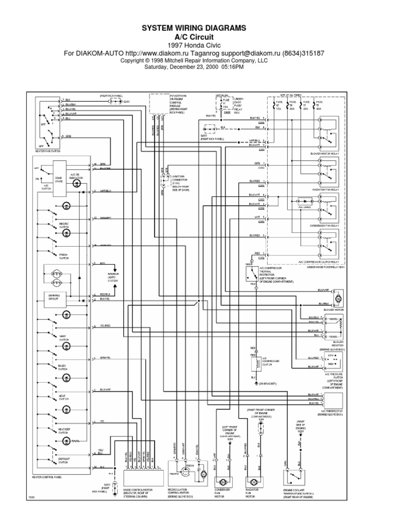
38 1997 honda civic wiring diagram
im looking the complete engine wiring diagram & schematic thats color coded for my 4dr 1994 honda civic sedan has a D15b7 engine in it for now but someone cut up a few wires in diffrent areas. thank you very much its been difficult to find the correct schematic & diagram again thank you #220. Ed Bro (Friday, 29 January 2021 05:49) Honda Civic 1997 Engine Diagram In 2021 Honda Civic Honda Civic Engine Honda . Install an electrical outlet correctly and its as safe as this can be. 2003 honda accord ignition wiring diagram. Listed below is the vehicle specific wiring diagram for your car alarm remote starter or keyless entry installation into your 2003- Honda AccordThis ...
Ford truck technical drawings and schematics section a front size. 1995 ford f150 front suspension diagram. 800 x 600 px source. Sorry could not find an 50l engine on an 01 ford f 150 only engines for 01 f 150 42l 6 cylinder 46l and 54l v 8 i did find a 50l for explorer and mountaineer hope this helps you if ...

1997 honda civic wiring diagram
Honda Civic Owners Manual. The Honda Civic is a line of compact cars developed and manufactured by Honda. In North America, the Honda Civic is the second-longest continuously-running nameplate from a Japanese manufacturer; only the Toyota Corolla, introduced in 1968, has been in. Download HONDA CIVIC FACTORY SERVICE REPAIR MANUAL (1996 1997 ... Honda Civic Dinka Blista Kanjo get_app. 2007 Honda Civic Dinka Blista. 2018 Honda Civic Dinka Sugoi TM-02 Khanjali get_app. 1969 … Premier site de petites annonces automobiles - Côte d'Ivoire S3/S3T Thunderbolt (1997-2002) S1 Lightning (1996-1998) S1W White Lightning (1998) M2 Honda Civic Workshop Manual and Wiring Diagrams The same Honda Civic Repair Manual as used by Honda garages ... Languages: English. Covers Years: 2012, 2011, 2010, 2009, 2008, 2007, 2006, 2005, 2004, 2003, 2002, 2001, 2000, 1999, 1998, 1997, 1996, 1995, 1994, 1993, 1992. Honda Civic Manual Download 2007 Free ... Extensive detail with step by ...
1997 honda civic wiring diagram. QuickCar Racing Products delivers the parts and accessories you need to have your car look and act the part of a true racer. QuickCar offers a wide assortment of gauges, cable and wire kits for which the company has set industry standards. suspension and final drive • Frame and bodywork • Wiring diagrams Accord-Honda Giken Kōgyō Kabushiki Kaisha 1997 Honda Accord 1998-2002-Jay Storer 2005-06-24 Haynes offers the best coverage for cars, trucks, vans, SUVs and motorcycles on the market today. Each manual contains easy to follow step-by-step instructions linked to Apr 12, 2019 · Product features fits kawasaki prairie kvf 360 2x4 4x4 2003 2007. 2006 kawasaki 360 prairie wiring best wiring library kawasaki prairie 400... 1994 Honda Accord Stereo Wiring Diagram Honda 2009 crv lx t 5 stereo wiring connector. 2016 harley touring service manual pdf Covers 2016 Harley Sportster Models: 2016 SuperLow 2016 Iron 883 2016 1200 Custom 2016 Seventy-Two 2016 Forty-Eight 2016 SuperLow 1200T Pages: 582 Format: PDF 2016 Harley Davidson Electra Glide Ultra Classic Twin-Cooled Twin-Cooled motorcycle service manuals in PDF format is the Harley-Davidson Touring. descarga pdf. idiomas pulsa el -harley-davidson ...
a Honda Civic 2007, crv insight actuator mode, a hibai, a hybrid weighs about 3100lb to n, best 2019 model, best battery, color Honda Workshop Manuals. ... Wagon L4-2.2L SOHC VTEC (1996) Wagon EX L4-2156cc 2.2L SOHC (VTEC) MFI (1997) Civic. ... (1997) Sol Si VTEC L4-1590cc 1.6L DOHC (VTEC) ... Fuse box location and diagrams: Ford Ranger (1998-2003). 1997 ford ranger aux power point problem no power - 28 images - hyundai trailer parts catalog html imageresizertool, 1978 honda goldwing wiring diagram honda goldwing, thermostat location 2004 volvo 2004 volvo horn, 96 honda civic fuse box wi. 2000 Honda Accord Dual Exhaust. November 17, 2021. 2000 accord dual + 0 wallpaper. 2000 accord dual wallpaper. 0. Dapatkan link. Icons/ic_24_facebook_dark. Facebook. Icons/ic_24_twitter_dark.
Download Honda Fd2 Service Manual PDF Honda Civic Type R Fd2 Manual 2007 Honda Civic Type R Fd2 Manual 6 Speed 2007 Honda Civic Type R Fd2. Honda Civic The Honda Civic is a small family car manufactured. Complete coverage for your vehicle. Written from hands-on experience gained from the complete strip-down and rebuild of a Honda Civic, Haynes ... Stereo Wiring Diagrams. Welcome to Stereowiringdiagram.info, one of the leading websites for car stereo color coded diagrams. We carry common radio/stereo wiring information for the majority of vehicles made by common automakers. To start things off select your automaker below, from there you'll be able to select your vehicles year and model. Home » Tanpa Label » Fire Hydrant Anatomy : Fire Hydrant Game Prop 3d Model 19 Max Free3d / Knowing your Honda headlight bulb size makes it easy to change. Find the Honda headlight bulb size you need for your low beam or high beam. Also, find your Honda fog light bulb, reverse light bulb, turn signal bulb, brake light bulb and more. It’s that easy! The best part? Every Honda light bulb size […]
1999 honda accord parking lights not working all fuses good \015 Changed headlight assembly on passinger side now parking tail lights not working\015 Posted / edited by AnonymousUser on : 29-11-2021
Download Honda XR250R service manual repair 1996-2004 XR250. Instant download of a repair manual for the 1996-2004 Honda XR250R four-stroke bike. Covers complete tear down and rebuild, pictures and part diagrams, torque specs, maintenance, troubleshooting, etc. You name it and its in here. 277 pages. with simple steps.
Honda - Civic Del Sol - Wiring Diagram - 2001 - 2004. ... Honda Honda Civic Honda Civic 1997 Misc Documents Wiring Diagrams. Other Manuals 49 Pages. Honda - Civic ...
Feb 24, 2015 · Honda Civic Del Sol: Fuse Box Diagrams. Honda Civic Del Sol: Fuse Box Diagrams A blown fuse can be a pain to find without the proper diagram. This article applies to the Honda Civic Del Sol (1993-1997). Fuses are placed in-between the battery, and every ...
Diagram 1999 honda accord stereo wiring full version hd quality 99 00 oem radio harness tech forum discussion car audio autoradio connector wire installation schematic schema esquema de conexiones stecker konr connecteur cable shema 94 ex mt5 gx630 bmw e46 fuse box 看線圖輕鬆賺外匯 1996 civic theirmommy22823 1990 the old in is still v8043f1036 factory for l with navi…
Honda Ek4 Door. Susi Susilawati Foto November 26, 2021. Honda civic so4 ek ek3 ek4 1996 honda civic 1999 vti 1 6 in selangor honda civic ek9 ek1 ek2 ek3 ek4 timeless clic honda civic ek4 sir jdm ek4 civic ferio 4 door sedan 96 00Local Ready Stock Black Door Outer Handle Exterior For Honda Civic S21 So3 So4 Ek Ek4 Ek9 1996 2000. Read More ».
Monday, June 16, 2008. Download Honda CR-V 1997 Wiring Diagram. Download Honda CR-V 1997 Wiring Diagram. Download Size; 1997-crv-system-wiring-diagrams.zip: 666.16 KB: Labels: Honda. Newer Post Older Post Home. Car Manual List. Alfa Romeo (4) Audi (14) BMW (50) Chevrolet (16. Download a free pdf Honda CRV workshop manual / factory service ...
Not until 1972, Honda began to gain popularity with the U.S. consumers with the introduction of the Civic. The Civic's CVCC engine was the first engine to pass Low-Emissions Vehicle standards without a catalytic converter during the energy crisis and it won the 1973 Car of the Year Award sponsored by the Motor Fan magazine, and it has also ...
2007 Honda Civic Wiring Diagram Pdf. 1997 Honda Civic Suspension Diagram. 2005 Honda Civic Suspension Diagram. 1998 Honda Civic Lx Engine Diagram. Honda Civic Rear Suspension Diagram. 2002 Honda Civic Front End Diagram ...
im looking the complete engine wiring diagram & schematic thats color coded for my 4dr 1994 honda civic sedan has a D15b7 engine in it for now but someone cut up a few wires in diffrent areas. thank you very much its been difficult to find the correct schematic & diagram again thank you #220. Ed Bro (Friday, 29 January 2021 05:49)
The 2003 honda cr v has 2 different fuse boxes. Interior fuse box diagram. 19fb170 2006 Honda Cr V Interior Fuse Box Diagram Wiring Number ampere rating a circuits protected 1 15 ignition coil 2 10 rear accessory power socket 3 10 daytime running lights 4 10 acg 5 not used 6.
The Honda Civic (Japanese: ホンダ・シビック, Honda Shibikku) is a series of automobiles manufactured by Honda since 1972. Since 2000, the Civic has been categorized as a compact car, while previously it occupies the subcompact class. As of 2021, the Civic is positioned between the Honda Fit/City and Honda Accord in Honda's global car line-up.. The first generation Civic was introduced ...
P2E - The next generation of Honda Civic DX, this ECU is in the 1996-1998 model years. so. PEFORMANCE H22 ALTERNATOR Relocator Mount Bracket H-series Swap H2B for CIVIC - £28. 1994-1997 Honda Accord Auto to Manual, Engine and transmission install How to Manual Swap ANY CAR! (Complete 2008 range rover cooling system diagram FINALLY!!
Buy replacement parts for 2006 Honda Civic at Go-Parts. Call (877) 321-PART today for cheap/discount prices!
Technology has developed, and reading 2001 Jetta Window Switch Wiring Diagram books could be easier and easier. We could read books on our mobile, tablets and Kindle, etc. Hence, there are lots of books getting into PDF format. Listed below are some websites for downloading free PDF books where one can acquire all the knowledge as you would like
Honda Civic Workshop Manual and Wiring Diagrams The same Honda Civic Repair Manual as used by Honda garages ... Languages: English. Covers Years: 2012, 2011, 2010, 2009, 2008, 2007, 2006, 2005, 2004, 2003, 2002, 2001, 2000, 1999, 1998, 1997, 1996, 1995, 1994, 1993, 1992. Honda Civic Manual Download 2007 Free ... Extensive detail with step by ...
Honda Civic Dinka Blista Kanjo get_app. 2007 Honda Civic Dinka Blista. 2018 Honda Civic Dinka Sugoi TM-02 Khanjali get_app. 1969 … Premier site de petites annonces automobiles - Côte d'Ivoire S3/S3T Thunderbolt (1997-2002) S1 Lightning (1996-1998) S1W White Lightning (1998) M2
Honda Civic Owners Manual. The Honda Civic is a line of compact cars developed and manufactured by Honda. In North America, the Honda Civic is the second-longest continuously-running nameplate from a Japanese manufacturer; only the Toyota Corolla, introduced in 1968, has been in. Download HONDA CIVIC FACTORY SERVICE REPAIR MANUAL (1996 1997 ...
0 Response to "38 1997 honda civic wiring diagram"
Post a Comment