Iklan 300x250

38 thermador cooktop parts diagram

Parts Town has the largest in-stock inventory of genuine OEM Thermador parts with fast same day shipping until 9pm ET. Find the part you need today. Thermador customer support is your appliance resource for FAQs, use & care videos, product registration, warranty information, service, and repair, as well as purchasing filters, accessories & parts

Find all the parts you need for your Thermador Range/Stove/Oven P304CS/04 at RepairClinic.com. We have manuals, guides and of course parts for common P304CS/04 problems.

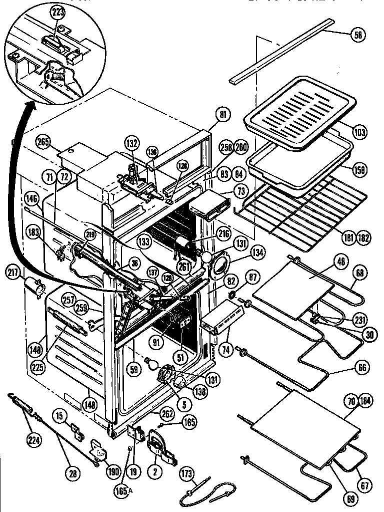
Thermador cooktop parts diagram

Thermador cooktop parts diagram

At Thermador, we continuously aim to improve our website and the information we provide. We would like to invite you to take part in a short survey & thank you in advance for your time. If you wish to be contacted by us, please use our regular contact form here , contact Customer Support at (800) 735-4328, or chat online with a Customer Support ... Popular Thermador Parts. This ice and water filter fits all Whirlpool and KitchenAid refrigerators with a water filter located in the base grill, below the refrigerator door. This part will also fit any Kenmore models starting with 106. This filter is NSF certified, and is meant to filter for taste and odor, sediment, chlorine, and lead. To view a list of parts for your appliance, enter its Model Number (E-Nr) below. If you already know your Model Number, just enter the first few characters. If you don't know it, please find it on the Rating Plate, then simply click on the camera icon to take a photo or upload a photo of the Rating Plate - this will automatically add the ...

Thermador cooktop parts diagram. Get Parts and Repair Help for GCV36G Thermador Cooktop - GAS COOKTOP. View parts like Cover and HOTPLATE. ... GCV36G Thermador Cooktop - Overview Sections Parts Questions & Answers. Sections of the GCV36G [Viewing 7 of 7] Burners. Gcv36 Wiring Diagram. Gcv36g Wiring Diagram. Grill - Gcv36g, Gth36g. Gth-36 Wiring Diagram. Gth-36g Wiring Diagram ... The best way to find parts for Thermador cooktop model PCS364GD is by clicking one of the diagrams below. You can also browse the most common parts for Thermador cooktop model PCS364GD. 1-16 of 881 results for "thermador cooktop parts" Price and other details may vary based on product size and color. Amazon's Choice for thermador cooktop parts. 20 Pack Impresa Thermador Grate Feet Part Compatible with Part Number 00618112 1999626, 617174, 618112, AH3478553, EA3478553, PS3478553. Get Parts and Repair Help for SGC365RS Thermador Cooktop - GAS COOKTOP. View parts like IGNITION HEAD and SPACER.

Thermador PCS486GD gas cooktop parts - manufacturer-approved parts for a proper fit every time! We also have installation guides, diagrams and manuals to help you along the way! Thermador Range/Stove/Oven Model SGSX365FS/03 Parts. Thermador Range/Stove/Oven Model SGSX365FS/03 Parts are easily labeled on this page to help you find the correct component for your repair. Filter results by category, title and symptom. You can also view diagrams and manuals, review common problems that may help answer your questions, watch related videos, read insightful articles or use ... Joined: 10/19/2010 (UTC) Posts: 1. My Thermador range is missing its wiring diagram, which according to the user manual is supposed to be found on the back of the toe kick. I'd like to get the wiring diagram to assist me in troubleshooting. Thermador Range PRDS486GL Sections. There are 4 diagrams for PRDS486GL. Click on the diagram where you think your part is located. Cooktop Assembly. Cover. Introduction.

The best way to find parts for Thermador cooktop model GGS30 is by clicking one of the diagrams below. You can also browse the most common parts for Thermador cooktop model GGS30. Not sure what part you need? Narrow your search down by symptom and read the amazing step by step instructions and troubleshooting tips for Thermador model GGS30 from ... Thermador GTH36 gas cooktop parts - manufacturer-approved parts for a proper fit every time! We also have installation guides, diagrams and manuals to help you along the way! Thermador Range/Stove/Oven Spark Electrode. Genuine OEM Part # 00189324 | RC Item # 1014099. Watch Video. $34.93. ADD TO CART. Spark electrode for range/stove surface burner. The spark electrode creates a spark to ignite the gas in the burner. If the spark electrode is defective, the burner won't light. The best way to find parts for Thermador cooktop model GTH36 is by clicking one of the diagrams below. You can also browse the most common parts for Thermador cooktop model GTH36. Not sure what part you need? Narrow your search down by symptom and read the amazing step by step instructions and troubleshooting tips for Thermador model GTH36 from ...

With More Room for More Ambition. Thermador high-end Cooktops and Rangetops feature unparalleled performance, whether you're looking for a lower profile Gas Rangetop, a state-of-the-art WiFi-enabled Induction Cooktop, or a sleek and powerful Electric Cooktop.

Parts for Thermador SGCS365RB Gas Cooktop. Thermador Model SGCS365RB parts in stock and ready to ship! Click the diagram where you think your part is located. 01-Cover Parts. 02-Maintop Component P... 04-Gas and Electric Comp... 06-Maintop Component P...

PartSelect Number PS11750108. Manufacturer Part Number WPW10196406. This drip bowl is used for electric cooktops and ranges, it is designed to sit under a 6-inch surface burner. It catches the drips and spills coming from the cookware on the surface burner. This drip bowl is chrome, and it has a diameter of 8 inches.

Part Number: WP2180224. In Stock, 25+ available. $19.92. cart. Add to Cart. This part is supplied by the original equipment manufacturer. It is designed for use with Whirlpool refrigerators. It is the part that guides ice into the container. Unfortunately, over time it may wear out or get damaged eventually requiring a replacement.

#1 Source For Guaranteed Parts for Thermador Ranges, Ovens, Cooktops, Range Hoods, Refrigeration, Dishwashers & Ventilation. 1 - Find your model number below. 2 - Click on your model number. (A parts diagram will open up) 3 - Identify the part and part number and use the search field above to locate it.

Thermador cooktop parts - manufacturer-approved parts for a proper fit every time! We also have installation guides, diagrams and manuals to help you along the way!

Thermador SGS365FS/03 gas cooktop parts - manufacturer-approved parts for a proper fit every time! We also have installation guides, diagrams and manuals to help you along the way!

At Thermador, we continuously aim to improve our website and the information we provide. We would like to invite you to take part in a short survey & thank you in advance for your time. If you wish to be contacted by us, please use our regular contact form here , contact Customer Support at (800) 735-4328, or chat online with a Customer Support ...

Quality Thermador Cooktop Parts From Repair Clinic. Looking for Thermador Cooktop Parts parts? RepairClinic.com has the appliance parts, lawn equipment parts and heating/cooling parts you need! Ask a customer care specialist We have a trained team ready 24/7 to answer your questions and help you get back on track.

At Thermador, we continuously aim to improve our website and the information we provide. We would like to invite you to take part in a short survey & thank you in advance for your time. If you wish to be contacted by us, please use our regular contact form here , contact Customer Support at (800) 735-4328, or chat online with a Customer Support ...

Find Genuine OEM Thermador appliance parts available in USA and Canada with fast shipping by Guaranteed Parts of In-stock inventory. Thermador Appliance Repair Parts #1 Source For Guaranteed Parts for Thermador Ranges, Ovens, Cooktops, Range Hoods, Refrigeration, Dishwashers & Ventilation

To view a list of parts for your appliance, enter its Model Number (E-Nr) below. If you already know your Model Number, just enter the first few characters. If you don't know it, please find it on the Rating Plate, then simply click on the camera icon to take a photo or upload a photo of the Rating Plate - this will automatically add the ...

Popular Thermador Parts. This ice and water filter fits all Whirlpool and KitchenAid refrigerators with a water filter located in the base grill, below the refrigerator door. This part will also fit any Kenmore models starting with 106. This filter is NSF certified, and is meant to filter for taste and odor, sediment, chlorine, and lead.

At Thermador, we continuously aim to improve our website and the information we provide. We would like to invite you to take part in a short survey & thank you in advance for your time. If you wish to be contacted by us, please use our regular contact form here , contact Customer Support at (800) 735-4328, or chat online with a Customer Support ...

0 Response to "38 thermador cooktop parts diagram"

Post a Comment

Iklan Atas Artikel

Iklan Tengah Artikel 1

Iklan Tengah Artikel 2

Iklan Bawah Artikel