Iklan 300x250

39 sheng wey carburetor diagram

The carb adjustment has been going on for months now. Some of the settings are a good reference to the Sheng Wey PD16 which is the. download sheng wey carb diagram File name: manual_idpdf Downloads today: Total downloads: File rating: of 10 File. Find Latest sheng wey carburetor adjustment Ideas. The carb is a sheng wey PD26JS. Read full answer. Be the first to answer Oct 01, 2015 • AJS Motorcycles. 0 helpful. 1 answer. Hi I have a Kazuma 90cc. The choke linkage broke which I have since repaired. When I start the bike now it idles high and if I adjust the idle screw or fuel mix screw it has no effect. Any ideas?

125cc Motorcycle Sheng Wey Carburettor PZ26 for ZS125-48A RRP ... View parts diagram ; ZSX-F 125 [ZS125-48E] View parts diagram ; ZSX-R 125 [ZS125-48F] View parts diagram ; Zongshen: ... This carb is amazing for the money and the delivery was fast. Within 15 hours it was at my door . Dan ...

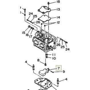
Sheng wey carburetor diagram

Sheng wey carburetor diagram

04 e fuse diagram. Keihin design carburetors are a well tried and tested design developed in japan keihin is a region near tokyo. Goped Amp Scooter Tuning Some of the settings are a good reference to the sheng wey pd16 which is themay 17 sheng wey makes carbs for imported dirtbikes atvs powered surfboards and kayaks. Moped carburetor diagram ... Select a page from the Stihl HS 45 Petrol Hedgetrimmer diagram to view the parts list and exploded view diagram. Sheng wey carburetor adjustment Mar 19, 2016 · Sheng wey carb problems I just finished a Lifan 125cc engine swap into my panterra 90cc frame and I'm having issues with the carburetor I used from my old 86cc engine. 3207 Peck Road ... Sheng Wey makes carbs for imported dirtbikes, atv's powered surfboards and kayaks. They are not the best quality carbs by a long shot, but if you'rs is acti...

Sheng wey carburetor diagram. ATC200M 1984 THRU 1985. MAIN 94.5 IDLE 38. STOCK_TYPE ATC185/200 REPLACEMENT_CARB MADE_BY_SHENG_WEY HAS_48MM_SPACING (300016) 26MM 300016/sheng_wey $54.95. VIEWS OF OUR 26MM SHENG WEY CARB. POD_FILTER 1_1/2"_X_5"_LONG aprox_38mm_id 1/18W (283W) THIS WORKS GREAT WITH OUR ATC/CT/22MM 22MM CARB. UNI POD FILTER 38MM 1 1/2" IDx 5" HEIGHT. This carb is amazing for the money and the delivery was fast. Within 15 hours it was at my door . Dan (5 / 5 Stars) How to remove and restore a damaged throttle slide on vintage or antique motorcycle carburetors so that they can use JBM Industries replacement diaphragms. Shown is a Honda 350 carb slide and diaphragm membrane bellows. Any machine shop can fix this. The mfg. of the carburetor is "SHENG WEY." i think i spelled it correctly. i want to purchase a complete rebuild kit. float, needle valve, diaphgram, jets etc. The float bowl is on an angle where it joins the carb. and i have a hard time setting the float on this design. I am use to a straight line float bowl which is easy to set.

Carburetor W/ Pump For Chinese Sheng Wey PD 3 Motorcycle Moped Carb Specifications: Condition: 100% new Color: as pictures Detailed Pictures: Shipping: We have show many shipping ways for your choose. Different shipping ways,the delivery time is different.Please choose according to your needs. And it will be longer on the holiday. If you don't get a reply within 2 business days, please send an inquiry directly to worldwide@croooober.com. SHENG WEY PZ 20 Carburetor [Generic] Price. ¥2,769 税込 ¥2,990. Dealer Name. UPGARAGE ridersokazakikitaten. Store management number. OK85250. General purpose Scratch Dirt There corrosion Behavior is unchecked Is required O / H Main ... JBM Industries rubber carburetor holder socket boots, flange intake sockets, vibration isolators, stainless steel exhaust springs, for Rotax 912, 582, 503, 447, 377, Zenoah & HKS engines. Yamaha 650 SX & TX Mikuni BS-38 & 34 CV carbs. Diaphragms & holders. Freightliner Cascadia Radio Wiring Diagram; Dodge 9.25 Rear Axle Diagram; Sumg-100 Wiring Diagram; Fluorescent Light Tombstone Wiring; Cs130 Alternator Wiring Diagram; Masterbuilt Fridge Wiring Diagram; Sheng Wey Carburetor Diagram; Campervan Solar Wiring Diagram; Tekonsha Breakaway System Wiring Diagram; Recent Comments. Scott39073 on Gibson ...

Our PZ27 carburetor with a 27 mm intake and a left-side lever-controlled hand choke for 125cc & 150cc ATVs and dirt bikes is available either with or without a matching air filter. A carb is like a powersports engine's lungs, and quality parts like the Aug 16, 2008. #1. I just put a new TB 88 cc w/ race head kit on my chinese "Mad Ass" knock off. The kit came with a 20mm Sheng Wey carb. I know a lot of the members are using this carb. I'm looking at it and I can pick out the idol adjustment, I'm wondering if the small screw below and to the left is the air fuel adjustment. Get free help, tips & support from top experts on sheng wey carburetor diagram related issues. The carb adjustment has been going on for months now. Some of the settings are a good reference to the Sheng Wey PD16 which is the.May 17, · Sheng Wey makes carbs for imported dirtbikes, atv's powered surfboards and kayaks. The main purpose of this video is to show you how to remove, disassemble, and reassemble this carburetor. If you have any questions regarding tuning (what je...

SHENG WEY PZ 20 Carburetor [Generic] Price. 6% positive. New ATV Carburetor PZ20 TaoTao NST SunL Kazuma Baja 50cc 70cc 90cc cc cc. Free PDF Workshop Service manual for you. 49cc carburetor diagram. Adjust the carburetor setting to match the parts used.

SHENG WEY carb ID and tuning info. Jump to Latest Follow 1 - 12 of 12 Posts. 1968cub · Registered. Joined Apr 25, 2020 · 10 Posts . Discussion Starter · #1 · Apr 25, 2020. Only show this user ...

Wiring Diagram For Skf Activation Systems. Jun 2, For use in centralized lubrication systems Read this owner's manual before installing, operating or .. Activate intermediate lubrication. Search in SKF Lubrication Systems GmbH catalogs and technical brochures on DirectIndustry and find the information you need in 1 click.

Discussion Starter · #1 · Oct 28, 2007. Only show this user. My 88 kit came with a Sheng Wey 20mm carb and I can't find any tuning tips on the net for it.Anybody?Does the mixture screw fatten it up when turned in?Or does it fatten it up when turned out?Gotta hit TB's site to find some jets too. S.

time the carburetor has been removed, installed, or adjusted and before starting the engine. Remove air fi lter and visually confi rm the slide valve is fully closed as the throttle is released. Work the throttle control from closed to fully open and watch for any sticking or hang-up. Engines could start with an open throttle resulting in a

*honda_oem_carb can_work_for 69_to_77_ct70 (but_read_close) 42mm_pattern 7/21a (s1006/70pj) $175.99: ct70k0_to_1977 replacement carb (19mmct70) $79.99: ct70 1969_ko_thru_1977 "sheng_wey" replacement carb_read (300011) $47.95: stock look carb for ct70's with 85cc or 88cc cylinder kits (or_stock_engines_read) (s1217) $59.99

sheng wey carburetor identification deni carburetor manual keihin pz30 carburetor pz30 carburetor partssheng wey carburetor pz30 carburetor with accelerator pump. Buy PZ30 Carburetor CG Vertical Motor 200-250cc ATV Carb Taotao Yamoto Dirt Bike: Carburetors - Amazon.com ? FREE DELIVERY possible on eligible For 175cc 200cc 250cc Motorcycle Dirt ...

View: CARBURETOR CARB REPAIR REBUILD KIT Fit For GY6 125CC Aprilia PD24J BMW ATV Go Kart. US $7.89. Online Store 737340. Gy6 Carburetor For Scooter Atv 125-150Cc Pd24J 24Mm Motorcycle Accessories. US $18.99. Free Shipping. CarLife Store Store. Motorcycle Carburetor Carb GY6 PD24J 150cc 125cc Fit For BAJA Scooter ATV Go Kart Scooter 125cc PD24J ...

(In the tune up manual just explains the main carb nothing more.) The manual I am referring to is the 3368441308-PZ Carb Tuning Manual.pdf which refers to the PZ26 Walbro carb. Some of the settings are a good reference to the Sheng Wey PD16 which is the Walbro PZ26. Matter of fact both of these carbs are identical in everyway.

Sheng Wey makes carbs for imported dirtbikes, atv's powered surfboards and kayaks. They are not the best quality carbs by a long shot, but if you'rs is acti...

Select a page from the Stihl HS 45 Petrol Hedgetrimmer diagram to view the parts list and exploded view diagram. Sheng wey carburetor adjustment Mar 19, 2016 · Sheng wey carb problems I just finished a Lifan 125cc engine swap into my panterra 90cc frame and I'm having issues with the carburetor I used from my old 86cc engine. 3207 Peck Road ...

04 e fuse diagram. Keihin design carburetors are a well tried and tested design developed in japan keihin is a region near tokyo. Goped Amp Scooter Tuning Some of the settings are a good reference to the sheng wey pd16 which is themay 17 sheng wey makes carbs for imported dirtbikes atvs powered surfboards and kayaks. Moped carburetor diagram ...

0 Response to "39 sheng wey carburetor diagram"

Post a Comment

Iklan Atas Artikel

Iklan Tengah Artikel 1

Iklan Tengah Artikel 2

Iklan Bawah Artikel