Iklan 300x250

40 ezgo rxv wiring diagram

E-Z-GO Division of TEXTRON Inc. reserves the right to incorporate engineering and design changes to products in this Manual, without obligation to include.Nov 13, · Wiring diagram for RXV The solenoid is not clicking. The lights and horn are working and the 4 twelve volt batterys are all up and the battery pack is Most Popular Categories.

1 Diagram 1 Brake Switch Bracket 31439 Premium Gas Light Kit: Same As Electric Except: 1 Brake Timer 6438T 2 Screws 6438S Remove floor covering and dash. Route harness through dash area to lights avoiding interference with any moving parts. Route main harness rear half though center of car rear body front section where the cars main harness is ...

Ezgo Golf Cart Wiring Diagram 48 Volt - Wiring Diagram is the visual depiction of a complex electrical circuit. It is really easy to attract a wiring diagram; you just require to have a good understanding on various kinds of wiring and also their functions.

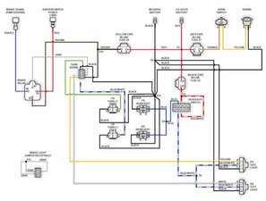
Ezgo rxv wiring diagram

Ezgo rxv wiring diagram

on both taillights use wiring diagram as a reference. The white wire on taillights is negative and lines up with harness connector black wire. Red taillight wire will line up with blue harness connector. Black taillight wire will line up with white harness connector. Brake Switch Mounting. Tagged with: # ezgo rxv 48 volt wiring diagram.

Ezgo Wiring Diagram Gas Golf Cart Site Resource. I Have A Ezgo M201 36 Volt Cart Serial Nbr 1446494 With Fully Charged Batteries That Won T Start It Does Not. Trojan Hydrolink Battery Watering System Ezgo Rxv 48v T 1260 1275 Pete. 48v Main Wiring Harness. 2018 Ezgo Txt 48v F And R Switch. Rxv Golf Cart Fleet E Z Go.

Rxv Wiring Diagram found in: E-Z-GO RXV Electric Service Manual (Fits Up ), E-Z-GO RXV Electric Service Manual (Fits Up), E-Z-GO RXV Gas. LEISURE VEHICLES. E-Z-GO RXV Freedom Series, Two and Four Seaters, Standard and 'Executive' Models. Download Petrol Manual · Download Electric.Nov 13, · I work on Club Cars but was asked to check out a EZ ...

Ezgo rxv wiring diagram.

7. EZgo RXV 3-Pin Charger Plug IMPORTANT: Signal Pin is shorter than the (+) & (-) Pins and must be physically installed. However, the charger cable may not have, nor use a 3rd wire to connect to this Signal Pin. If unconnected, the vehicle's 'Lockout' mechanism may not operate. 8. 3Star Car-Pin Charger Plug (Yellow /Black Green Tip)

Ezgo Golf Cart Dc Receptacle 48v Rxv Delta Q Powerwise Charger 2008 To 2018 Pete S Carts. Ezgo Pds Solenoid Wiring Diagram To Solve Problems With Cart. Rxv Electric Service Repair. Rxv Golf Cart Fleet E Z Go. Cgr 112 113 134 And 135 Digital State Of Charge Meters Installation Instructions.

Ez go golf cart wiring diagram 48 volt 12 battery club car 80 89 36 ezgo 36v full dual bank in series yamaha how to wire up my new for 1995 rxv hd 252 indicator 2007 batteries are completely dead meter 1980 volkswagen plus watering system 48v mpt 1000 2008 txt pds diagrams textron electric carts.

Wiring Schematics . E-Z-GO Golf Cars . REV. C . VISIO 12/21/10 1 1 85 86 87 30 BRAKE LIGHTS RELAY 1010-EZ-GO NO E NOTICE: This drawing is the property of Hi Performance Electric Vehicle Systems Inc., and/or its subsidiaries and affiliates

Rxv Wiring Diagram found in: E-Z-GO RXV Electric Service Manual (Fits Up ), E-Z-GO RXV Electric Service Manual (Fits Up), E-Z-GO RXV Gas. E-Z-GO Division of TEXTRON Inc. reserves the right to incorporate engineering . Battery Hold Down. • Battery Strap. • Wires. ELECTRICAL ACCESSORIES.on both taillights use wiring diagram as a reference.

Author. HotRodCarts. Creation date. Dec 6, 2017. Overview Reviews (2) Discussion. EZGO RXV Electric Golf Cart Wiring Diagram. Wiring Diagram for a Electric EZGO RXV Golf Cart. Reactions: jdad71 and judehou.

Looking for an ezgo rxv wiring diagram. I have a 83A21102A part number motor controller im trying to swap into a tomberlin vanish utv. pretty sure 2010 ezgo rxv is the year im looking for. The 23 pin connector is the same on each Danaher controller but the wires are in different positions on the tomberlin compared to the ezgo.

EZGO RXV Electric Golf Cart Wiring Diagram. HotRodCarts. Dec 6, 2017. Wiring Diagram for a Electric EZGO RXV Golf Cart. 5.00 star (s) 2 ratings. Updated. Dec 6, 2017.

Also See for Ezgo RXV ELECTRIC. Ezgo RXV Owner's Manual And Service Manual 122 pages. ... Page 110: Wiring Diagram ... Page 174 E-Z-GO Division of Textron Inc., 1451 Marvin Griffin Road, Augusta, Georgia 30906 ...

Wiring Diagram November 26, 2019. 2010 Ezgo Rxv Wiring Diagram Ezgo 48 Volt Diagram Wiring Diagram Img is one of the pictures that are related to the picture before in the collection gallery, uploaded by autocardesign.org. You can also look for some pictures that related to Wiring Diagram by scroll down to collection on below this picture.

2014 Ezgo Rxv Gas Wiring Diagram. By selecting the manufacturer of your golf cart below, you can have the website display only products that will work with your cart. This will include any universal . Get free help, tips & support from top experts on ezgo rxv wiring diagram related ezgo electric golf cart wiring diagram Dennis;Here is a picture ...

Solenoid With Power. E Z Go Rxv Wiring Diagram. case 430 series 3 wiring diagram f150 fuse box replacement 1979 porsche 911 fuse diagram wiring diagram for rheem water heater basement electrical wiring diagram 1988 dodge ram 1500 wiring diagram 1981 jeep cj5 engine wiring diagram 1962 mercury comet wiring diagram adapter 50 amp rv plug wiring diagram volvo v60 fuse box 2000 ford f 250 power ...

Trojan Hydrolink Battery Watering System Ezgo Rxv 48V T-1260 T-1275

Trojan hydrolink battery watering system ezgo rxv 48v t-1260 t-1275

Wiring diagram for 2009 RXV ezgo golf cart? - Cars & Trucks. Posted by roywoods on Dec 28, 2012. Want Answer 0. Clicking this will make more experts see the question and we will remind you when it gets answered. ... Apr 30, 2010 - Electric E-Z-Go Golf Carts are becoming more popular every day ..... I have a ezgo carryall gas golfcart. it has ...

3G Charger Receptacle for EZGO RXV & EZGO TXT 48 Volt Golf Carts

3g charger receptacle for ezgo rxv & ezgo txt 48 volt golf carts

Every symbol that's shown on the diagram shows specific circuit element. The most common components are capacitor, resistor, and battery. Additionally, there are other elements like ground, switch, motor, and inductor. All of it rides on circuit that is being constructed. According to previous, the traces at a Ezgo Wiring Diagram represents wires.

I need a wiring schematic for a 2002 ez go golf cart. It shorts ...

I need a wiring schematic for a 2002 ez go golf cart. it shorts ...

EZGO RXV voltage reducer wiring. The explanation for the voltage reducer wiring of a 2014 EZGO RXV golf cart is given below. Connect the large solenoid post that is always hot to the main positive on the battery pack. Connect the other large solenoid post to the controller. This post is referred to as the switched post.

2008-2018 EZGO RXV 48 to 12 volt Accessory Circuit Relay How To

2008-2018 ezgo rxv 48 to 12 volt accessory circuit relay how to

13. Install Wiring Harness. Refer to DIAGRAM 2.7 14. Use supplied cable adapter for throttle wires. Plug the flat connector into the ITS converter box. Plug 4-pin square connector into mating connector on wiring harness. Connect the Blue wire to the Blue wire on the solenoid, Red to the Red, Green to the Green, White to the White & Black to the ...

SOLVED: Ez go rxv won't turn on and won't read charger, no head ...

Solved: ez go rxv won't turn on and won't read charger, no head ...

How to properly wire in a 48 volt to 12 volt power converter to run 12volt accessories on your modern electric EXGO RXV golf cart using a 48volt relay. Thes...

Yamaha G8 Golf Cart Electric Wiring Diagram Image For Electrical ...

Yamaha g8 golf cart electric wiring diagram image for electrical ...

2017 E Z Go Golf Txt Gas In Savannah Georgia . 2011 Ezgo Rxv Wiring Diagram Wiring Schematic Diagram 19 . Wiring Diagram 48 Volt Ezgo Wiring Diagram Ezgo Key Switch . Rxv Wiring Diagram Wiring Diagram Dash . Ez Go Golf Cart Wiring Diagram On 2009 Ezgo Ignitor Wiring . Inventory From E Z Go Campbell Peterson Trail Turf

Yamaha G9 Golf Cart Electrical Wiring Diagram - Resistor Coil

Yamaha g9 golf cart electrical wiring diagram - resistor coil

2010 Ezgo Rxv Wiring Diagram - wiring diagram is a simplified within acceptable limits pictorial representation of an electrical circuit. It shows the components of the circuit as simplified shapes, and the faculty and signal connections amongst the devices.

SOLVED: Ez go rxv won't turn on and won't read charger, no head ...

Solved: ez go rxv won't turn on and won't read charger, no head ...

Ezgo Pds Solenoid Wiring Diagram To Solve Problems With Cart. Ezgo rxv electric golf cart wiring basic diagram for 1981 and older solenoid diagrams 36v 48v series help pds stock controller e z go gasoline service repair snap in key switch reverse neutral forward i want to hot wire a 91 elec ez 27739 g01 voltage regulator 1994 pre medalist accessory harness main how fix txt that clicks ...

Basic Ezgo electric golf cart wiring and manuals | Ezgo golf cart ...

Basic ezgo electric golf cart wiring and manuals | ezgo golf cart ...

E-Z-Go RXV Turn Signal Kit Kit Includes: a. LGT-143 Turn Signal b. LGT-113H Wire Harness c. LGT-107A Column Cover Caution: Before starting this project, remove the system positive and negative connections from the battery or battery pack and place the tow/run switch in the tow position on electric vehicles. Please read through the instructions

SOLVED: My Ruff & Tuff golf carts have a new battery and - Fixya

Solved: my ruff & tuff golf carts have a new battery and - fixya

E-Z-GO Division of TEXTRON, Inc. is not liable for errors in this manual or for incidental or consequential damages that result from the use of the material in this manual. TO CONTACT US NORTH AMERICA: TECHNICAL ASSISTANCE & WARRANTY PHONE: 1-800-774-3946, FAX: 1-800-448-8124 SERVICE PARTS PHONE: 1-888-GET-EZGO (1-888-438-3946), FAX: 1-800-752-6175

E-Z-GO RXV US Battery (US12VRX) 48v

E-z-go rxv us battery (us12vrx) 48v

Curtis controller wiring diagram Electric EZGO Electric EZ GO Marathon, Medalist, TXT and RXV. CURTIS , OR EZ-GO Curtis Controller Installation. 1. Connect wires to FWD/REV switch, See DIAGRAM & Connect. Wiring Diagrams for Club Car, EZ-GO and Yamaha Vehicle Controllers.

Golf Cart Turn Signal Switch w/ Flasher Relay

Golf cart turn signal switch w/ flasher relay

Ez Go Golf Cart Wiring Diagram Gas Engine and Ezgo Wiring Chart ...

Ez go golf cart wiring diagram gas engine and ezgo wiring chart ...

EZGO PDS Solenoid Wiring Diagram To Solve Problems With Cart

Ezgo pds solenoid wiring diagram to solve problems with cart

Basic Ezgo electric golf cart wiring and manuals | Electric golf ...

Basic ezgo electric golf cart wiring and manuals | electric golf ...

How to Replace Your Batteries in a EZGO RXV Golf Cart

How to replace your batteries in a ezgo rxv golf cart

2008 EZGO Guide - Specs | Price | Manual | Wiring Diagram - Golf ...

2008 ezgo guide - specs | price | manual | wiring diagram - golf ...

SOLVED: Ez go rxv won't turn on and won't read charger, no head ...

Solved: ez go rxv won't turn on and won't read charger, no head ...

Ezgo Wiring Diagrams Model 300 Late 1950's – Golf Cart Tips

Ezgo wiring diagrams model 300 late 1950's – golf cart tips

RXV 48V Solenoid Kit

Rxv 48v solenoid kit

Allied

Allied "drop-in-ready" lithium 48v batteries for ezgo rxv

EZGO RXV Electric Golf Cart Wiring Diagram | Cartaholics Golf Cart ...

Ezgo rxv electric golf cart wiring diagram | cartaholics golf cart ...

gas ezgo wiring diagram | ezgo golf cart wiring diagram e z go ...

Gas ezgo wiring diagram | ezgo golf cart wiring diagram e z go ...

2008 48v EZGO RXV Danaher to Navitas 600 amp TAC 1.0 Controller Install

2008 48v ezgo rxv danaher to navitas 600 amp tac 1.0 controller install

Series cart wiring help

Series cart wiring help

go electric dundas off 66% - medpharmres.com

Go electric dundas off 66% - medpharmres.com

Golf Cart Turn Signal Assembly with Integrated High Low Beam and Horn  Controls

Golf cart turn signal assembly with integrated high low beam and horn controls

Golf Cart Charger Plug - EZGO RXV

Golf cart charger plug - ezgo rxv

EZGO Solenoid Wiring Diagrams (36v, 48v, TXT, RXV) - Golf Storage ...

Ezgo solenoid wiring diagrams (36v, 48v, txt, rxv) - golf storage ...

2013 ezgo txt 48v F and R switch.

2013 ezgo txt 48v f and r switch.

36 Volt Ez Go Golf Cart Wiring Diagram Sample | Carrito de golf ...

36 volt ez go golf cart wiring diagram sample | carrito de golf ...

Ezgo RXV Danaher Codes T Shoot Guide 2

Ezgo rxv danaher codes t shoot guide 2

Ez Go Golf Cart Wiring Diagram Gas Engine and Workhorse Wiring ...

Ez go golf cart wiring diagram gas engine and workhorse wiring ...

Wiring Diagram For 1981 and Older EZGO models With Resistor Speed ...

Wiring diagram for 1981 and older ezgo models with resistor speed ...

1989 - 1994 EZGO Cart Pre Medalist Wiring Diagram

1989 - 1994 ezgo cart pre medalist wiring diagram

2006 ezgo electric pds golf cart runs slow,batteries new, - Fixya

2006 ezgo electric pds golf cart runs slow,batteries new, - fixya

EZGO Forward and Reverse Switch Wiring Diagram - TXT Fleet ...

Ezgo forward and reverse switch wiring diagram - txt fleet ...

Amazon.com: 10L0L Golf Cart Turn Signal Kit with Horn Brake Hazard ...

Amazon.com: 10l0l golf cart turn signal kit with horn brake hazard ...

Ezgo Wiring Diagram Gas Golf Cart - Wiring Site Resource

Ezgo wiring diagram gas golf cart - wiring site resource

0 Response to "40 ezgo rxv wiring diagram"

Post a Comment

Iklan Atas Artikel

Iklan Tengah Artikel 1

Iklan Tengah Artikel 2

Iklan Bawah Artikel