Iklan 300x250

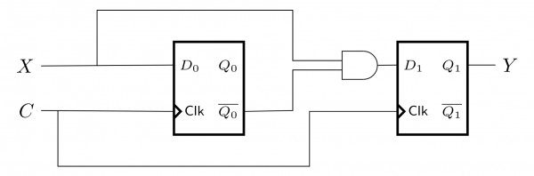
41 complete the timing diagram for the following circuit

Question: 6.37. Complete the timing diagram (see below) for the following circuit. 0 CK 0. This problem has been solved!

Planning questions emerge at tornado-destroyed candle plant. Tamara Yekinni hugs a friend outside a shelter in Wingo, Ky., on Sunday, Dec. 12, 2021, after residents were displaced by a tornado that caused severe damage in the area. Yekinni is an employee at a candle factory where employees were killed and injured by the storm.

It would have a microphone, processor or specialized circuit, and multicolor LED lights. As a person sings, it would detect the closest note and distance from the pitch. For example, white or ...

Complete the timing diagram for the following circuit

Complete the timing diagram for the following circuit

Structure the organizational data. After you've identified what data to provide, you need to export it into the correct format to upload to Workplace Analytics. To start with, the data must be in a UTF-8 encoded .csv file and contain at least the set of required attributes for the population.

If you notice closely, the logic in the Stateflow diagram looks almost the same as it is in the flowchart. One of the cool things is that when I simulate the model, you can see that the graphical interface shows an animation of how the logic transitions are occurring. For the last one, let me open the model which shows a complete system.

IELTS Syllabus 2022 - 2023 Exam Pattern Test Type And Formats In India: In This Article, We Will Discuss About IELTS Syllabus 2022 & 2023 IELTS Exam Pattern 2022 & 2023 Test Types And their Formats For Canada New Zealand UK Australia. Mainly their Are Two Types Of IELTS Online Test Exam Syllabus 2022 - 2023 Download Academic And General Training.

Complete the timing diagram for the following circuit.

Question: Complete the timing diagram (see below) for the following circuit. 0 preset clear A clear 0. This problem has been solved! See the answer ...

SP32 DOIT DEVKIT V1 Board 5mm LED 330 Ohm resistor Pushbutton 10k Ohm resistor Breadboard Jumper wires Assemble a circuit with a pushbutton and an LED as shown in the following schematic diagram: LED <-> GPIO 16 Pushbutton <-> GPIO 4 Code With the circuit ready, copy the code provided below to your Arduino IDE.

If you have changed the colour of a vehicle with a historic log book, you will need to submit the log book, new photos and a log book amendment form to Motorsport Australia. In the case of vehicles with a COD, an 'Erratum' document will be issued. There is no fee for this service. Photos can be emailed to historics@motorsport.org.au.

Nodemcu ESP8266 Web Browser: Nodemcu ESP8266 Web browser Programming and circuit diagram- So far I have been using Blynk IoT platform, Thingspeak, Ubidots, Arduino IoT cloud, and Telegram for controlling electrical devices and for monitoring different types of sensor over long distance using WiFi. Today, for the first time i am going to use Nodemcu ESP8266 with a Web Browser.

But the case was appealed to the Ninth Circuit, and in February, ... for the dinner at the Far East Café and an event the following day at Cameron House. ... "It's all about timing," he said.

Report. MP Motorsport have announced that Felipe Drugovich will complete their 2022 driver line-up, re-joining the team with whom he enjoyed a successful rookie year in 2020. Drugovich delivered three wins, four podiums and one pole during a highly promising first season in Formula 2 at MP Motorsport, before switching to UNI-Virtuosi for 2021.

Complete the timing diagram (see below) for the following circuit. y preset g preset 0clear lear. This problem has been solved! See the answer ...

The timing of the blocking was perfect in Red Bull's favour. As Hamilton arrived on the gearbox of Perez, Verstappen had cleared Carlos Sainz following his pit stop and was roaring uninterrupted up to his title rival. Perez's defensive prowess is evident in the chart below.

The following image shows a printed circuit board with a soldering defect. To train a Lookout for Vision model, we follow the steps outlined in Amazon Lookout for Vision - New ML Service Simplifies Defect Detection for Manufacturing. After you complete these steps, you can navigate to the project and the Models page to check the performance ...

The cases subsequently were consolidated into a court that was selected at random, the Cincinnati-based 6th U.S. Circuit Court of Appeals. What's next: The Biden administration is asking the 6th Circuit to set aside the order from the 5th Circuit and allow the vaccine requirement. In the meantime, OSHA has suspended implementation of the rule.

Using the circuit diagram below, assuming a battery source of 18 V and resistance listed below, what would be the; The average for a student to complete a quiz is 24mins with a standard 2 mins.what is the range needed; Point slope form question How would I turn (2,-5) (-3, 10) into a point slope equation? Read this sentence.

If you need to create advanced, completely customizable graphic organizers, flowcharts and other science diagrams, then Edraw is the ideal tool for you. Free Download Graphic Organizer Software and View All Examples

Solved 6.36. Complete the timing diagram (see below) for the ...

Solved 6.36. complete the timing diagram (see below) for the ...

The Acquisition parameters needed for an experiment include the following: The name of the experiment is required. Please be concise and specific as possible. Following experiment name, selection boxes are provided for the Equipment, Software, or other items specific to the experiment type. At least one selection is required for each.

Q34 4 Complete Following Timing Diagram Following Circuit ...

Q34 4 complete following timing diagram following circuit ...

Unmaking a Murderer. Chester Weger served 59 years in prison for one of the most heinous crimes in this state's history. Now out of jail, he is on a mission to prove his innocence, with help ...

Homework 5 with Solutions :: Homework :: EECS 31/CSE 31/ICS ...

Homework 5 with solutions :: homework :: eecs 31/cse 31/ics ...

The eBook can be bought from Unbound. In this interview, he uncovers one of the most fasrncinating stories from the band and one of its founding members, Gary Marx. Gary Marx co-founded The Sisters of Mercy with Andrew Eldritch in 1980 and spent five years in that band before starting Ghost Dance in 1985. His performances on record and on stage ...

Solved) : Commplete Timing Diagram Circuit Whose Vhidl ...

Solved) : commplete timing diagram circuit whose vhidl ...

Here is the schematic for this Wi-Fi Controller Car Using Esp8266 Project designed using Fritzing software. We will control the two DC motors via L298 Motor Driver IC. I used L298N. This is a high power motor driver capable of running 5V to 35V DC Motor at a maximum of 25W. You can use 200-300 RPM DC Motor for this application.

Solved Complete the timing diagram (see below) for the ...

Solved complete the timing diagram (see below) for the ...

Question: 6.35. Complete the timing diagram for the following circuit. 0 D 0 CK 0 aCK 0. This problem has been solved!

Timing Diagram - an overview | ScienceDirect Topics

Timing diagram - an overview | sciencedirect topics

Four Chambers of the Heart and Blood Circulation. The shape of the human heart is like an upside-down pear, weighing between 7-15 ounces, and is little larger than the size of the fist. It is located between the lungs, in the middle of the chest, behind and slightly to the left of the breast bone. The heart, one of the most significant organs ...

Answered: 2. Given the following circuit,… | bartleby

Answered: 2. given the following circuit,… | bartleby

An independent clause contains a subject and verb, expresses a complete thought, and can stand on its own as a; Calculate the solubility of LaF3 in grams per liter in 1.4 times 10^-2 M in KF solution; Using the circuit diagram below, assuming a battery source of 18 V and resistance listed below, what would be the

Answered: Complete the timing diagram for the… | bartleby

Answered: complete the timing diagram for the… | bartleby

Hello, and welcome to live coverage of the West Ham press conference following the Premier League clash with Arsenal. West Ham were second best against Arsenal and fell to a 2-0 defeat to drop out of the top four for the first time in a couple of months. Vladimir Coufal was harshly sent off and the ...

Solved) - 1. Complete the following timing diagram for the ...

Solved) - 1. complete the following timing diagram for the ...

Circuits: One Path for Electricity. Students learn that charge movement through a circuit depends on the resistance and arrangement of the circuit components. In one associated hands-on activity, students build and investigate the characteristics of series circuits. In another activity, students design and build flashlights.

Solved] Complete the timing diagram of the following circuit ...

Solved] complete the timing diagram of the following circuit ...

A circuit is the path that an electric current travels on, and a simple circuit contains three components necessary to have a functioning electric circuit, namely, a source of voltage, a conductive path, and a resistor. Circuits are driven by flows. Flows are ubiquitous in nature and are often the result of spatial differences in potential energy. Water flows downriver due to changes in height ...

FULL Tutorial

Full tutorial

For the following circuit, complete the timing diagram. Step-by-step solution. 75% (4 ratings) for this solution. Step 1 of 3. Given circuit diagram is.

1) For the following state table, show a state diagram and ...

1) for the following state table, show a state diagram and ...

The following diagram focuses on the Citrix Provisioning Server itself, and related components: ... Complete the following tasks before installing and configuring Citrix Provisioning. ... This PowerShell command only changes the timing when MAC addresses are allocated for virtual NICs and does not change the functionality any other way.

Having issue with draw timing diagram for logic circuit ...

Having issue with draw timing diagram for logic circuit ...

Complete the timing diagram for the following circuit. Step-by-step solution. 100% (12 ratings) for this solution. Step 1 of 4. Refer to the logic circuit ...

Timing Diagrams

Timing diagrams

Mitigating the log4j Vulnerability (CVE-2021-44228) with NGINX. Friday, December 10, 2021 is a date that will be remembered by many IT folks around the globe. It's when a highly critical zero‑day vulnerability was found in the very popular logging library for Java applications, log4j. The name "Log4Shell" was quickly coined for the ...

SOLUTION: Mechatronics - Studypool

Solution: mechatronics - studypool

Question: Complete the timing diagram for the following circuit. 2 D a. This problem has been solved! See the answer ...

Answered: 28-5: Draw the timing diagram of the… | bartleby

Answered: 28-5: draw the timing diagram of the… | bartleby

The complete design file ... PWM Generation Timing Diagram. ... cost effective NVM programmable devices that enable innovators to integrate many system functions into a single custom circuit, and ...

Solved Complete the timing diagram (see below) for the ...

Solved complete the timing diagram (see below) for the ...

Following the loss of the F1 Drivers' World Championship, with Lewis Hamilton defeated in controversial circumstances in Abu Dhabi, Mercedes' victories in the F1 Constructors' Championship and both driver and team titles in Formula E don't appear to be enough for the German marque as they failed to show up for the FIA Prize-Giving Gala photo ...

Solved 6.36. Complete the timing diagram (see below) for the ...

Solved 6.36. complete the timing diagram (see below) for the ...

Question: Complete the timing diagram for the following circuit. This problem has been solved! See the answerSee the answer ...

GATE CSE 2001 | Question: 2.8 - GATE Overflow

Gate cse 2001 | question: 2.8 - gate overflow

Illustrative examples of circuit diagrams are used to help explain how electricity flows. Electrifying the World. Pre-Req Knowledge A basic understanding of a circuit. ... Have them complete one of the following assignments: Compile a list of materials that are insulators or conductors found in the kitchen. Have them create a flyer for the ...

Get Answer) - 1 Complete the timing diagram for the following ...

Get answer) - 1 complete the timing diagram for the following ...

Transcribed image text: PROBLEM 1 (14 PTS) Complete the timing diagram of the following circuit. G G3G2G1G0, Q = Q3Q2Q1Q0 FPdieded A Q1 Qo O2 resetn Q D D E ...

SIMPLE SEQUENTIAL LOGIC CIRCUIT WITH TIMING DIAGRAM ...

Simple sequential logic circuit with timing diagram ...

✓ Solved: (a) Complete the following timing diagram for a ...

✓ solved: (a) complete the following timing diagram for a ...

Solved Complete the timing diagram (see below) for the ...

Solved complete the timing diagram (see below) for the ...

Timing Diagram question - Electrical Engineering Stack Exchange

Timing diagram question - electrical engineering stack exchange

Flip-Flop Circuits Worksheet - Digital Circuits

Flip-flop circuits worksheet - digital circuits

Solved: < 2 >> a. Complete the timing diagram for

Solved: < 2 >> a. complete the timing diagram for

Solved: Following Sequential Circuit Complete Timing Diagr

Solved: following sequential circuit complete timing diagr

Homework 3

Homework 3

Timing Diagrams

Timing diagrams

Solved) : Problem 4 30pts Complete Timing Diagram Following ...

Solved) : problem 4 30pts complete timing diagram following ...

Timing diagram of the circuit with propagation delay

Timing diagram of the circuit with propagation delay

Solved] Complete the timing diagram of the following circuit ...

Solved] complete the timing diagram of the following circuit ...

First time drawing a timing diagram for a circuit with delays ...

First time drawing a timing diagram for a circuit with delays ...

GATE | GATE-CS-2005 | Question 62 - GeeksforGeeks

Gate | gate-cs-2005 | question 62 - geeksforgeeks

Get Answer) - 1 Complete the timing diagram (see below) for ...

Get answer) - 1 complete the timing diagram (see below) for ...

Solved) : Complete Timing Diagram Following Circuit Note Ck ...

Solved) : complete timing diagram following circuit note ck ...

Get Answer) - 1 Complete the timing diagram for the following ...

Get answer) - 1 complete the timing diagram for the following ...

Solved) : Problem 2 83 Pts Complete Timing Diagram Circuit ...

Solved) : problem 2 83 pts complete timing diagram circuit ...

Q34 4 Complete Following Timing Diagram Following Circuit ...

Q34 4 complete following timing diagram following circuit ...

SOLVED:PROBLEM 1 (13 PTS) Complete the timing diagram of the ...

Solved:problem 1 (13 pts) complete the timing diagram of the ...

0 Response to "41 complete the timing diagram for the following circuit"

Post a Comment

Iklan Atas Artikel

Iklan Tengah Artikel 1

Iklan Tengah Artikel 2

Iklan Bawah Artikel