38 dewalt miter saw parts diagram
Need to fix your DWS779 (Type 20) 12in Doubl Bevel Saw? Use our part lists, interactive diagrams, accessories and expert repair advice to make your repairs easy. ... Repair Parts Home Power Tool Parts DeWALT Parts DeWALT Miter Saw Parts DeWALT DWS779 (Type 20) 12in Doubl Bevel Saw Parts. Dewalt DW705-220 TYPE 2 Parts Diagrams. Parts Lookup - Enter a part number or partial description to search for parts within this model. There are (88) parts used by this model. RING,RET.
Oct 03, 2019 · Miter Saw Shelf Step 1: Cleats . Measure the height of your miter saw deck. Add 3/4” to this measurement. Attach top cleats to sides of workbenches this measurement down from top of workbench. Cleats are flush to back, 1-1/2” less on front side. Use 3” screws. Attach bottom shelf cleats with 4” space underneath.

Dewalt miter saw parts diagram
Need to fix your DWS780 Type 1 12in Compound Miter Saw? Use our part lists, interactive diagrams, accessories and expert repair advice to make your repairs easy. ... Repair Parts Home Power Tool Parts DeWALT Parts DeWALT Miter Saw Parts DeWALT DWS780 Type 1 12in Compound Miter Saw Parts. To help make your power tool repairs even simpler, we also offer parts lists and tool breakdowns like a Dewalt parts diagram or a Makita parts breakdown. Of course, we also offer refreshing and thorough power tool repair articles, too. Buy Dewalt DWS779 Type-20 Other tools in DeWalt Electric Saw category at lowest online prices - Find Dewalt DWS779 Type-20 tool diagram / schematic with complete list of replacement parts at RepairtoolParts.com. Order online or call 760-201-8800.
Dewalt miter saw parts diagram. 5.0 out of 5 stars - DEWALT MITER SAW BELT " 153555-00 " , DW706 DW708 DW718 DWS780. Dewalt DW708 Miter Saw Replacement Handle Clamshell (2 Pack) Need to repair your DeWALT Miter Saw? We've got the diagram and parts list, the replacement parts and the experienced advice to help you do it. Popular DeWALT Miter Saw Parts ; Clamp Bolt – Part Number: 145344-01 · 3.08 · Clamp Bolt ; Brush – Part Number: 381028-08 · 12.49 · Brush ; Brush and Lead – Part ... DeWALT DWS780 12in Compound Miter Saw Parts (Type 1) DeWALT DWS780 12in Compound Miter Saw Parts (Type 1) Download Parts List PDF. View as Grid List. Items 1-40 of 191. Page. You're currently reading page 1; Page 2; Page 3; Page 4; Page 5; Page Next; Show. per page. Sort By. Set ... Buy DeWalt DWS716 Type-20 Other tools in DeWalt Electric Saw category at lowest online prices - Find DeWalt DWS716 Type-20 tool diagram / schematic with ...
DeWalt DW705 TYPE 7 miter saw parts - manufacturer-approved parts for a proper fit every time! We also have installation guides, diagrams and manuals to help you along the way! Dewalt DW708 TYPE 3 Parts Diagrams. Parts Lookup - Enter a part number or partial description to search for parts within this model. There are (110) parts used by this model. SCREW,SET, M8X1.25X9. RING,RET. Buy DeWalt DWS715 Type-20 Other tools in DeWalt Electric Saw category at lowest online prices - Find DeWalt DWS715 Type-20 tool diagram / schematic with complete list of replacement parts at toolpartspro.com. Order online or call 760-201-8800. Jan 02, 2022 · The main feature I wanted in the miter saw stand is to keep the miter saw mounted and stored in the vertical position. Overall I am impressed with the stand. Instructions were a bit complicated with some steps left out and diagram of the nuts, bolts, screws not necessarily matching up and you having to use your intuition to figure out which ...
Buy Dewalt DWS780-TYPE-1 Other tools in DeWalt Electric Saw category at lowest online prices - Find Dewalt DWS780-TYPE-1 tool diagram / schematic with ... DeWalt DWS780 12" Compound Miter Saw (Type 1) Parts and Accessories. Largest Selection, Best Prices, Free Shipping Available at PartsWarehouse.com. View parts diagram and buy repalcement parts for Dewalt Dws779 12" Sliding Compound Miter Saw. Need to repair your DeWALT Miter Saw? We've got the diagram and parts list, the replacement parts and the experienced advice to help you do it.
Ask our experts a question on this part and we'll respond as soon as we can. First Name *. Email *. Model Number (Recommended) Question *. Join our mailing list for expert repair help, discounts and more! Your Question Has Been Submitted! Our experts will send you an email as soon as your question has been answered.
See: Ariens exploded parts diagrams. ... Miter Saw | Dw708 Type 3 | Default Help with Jack's Parts Lookup Dewalt DW708 TYPE 3 DEFAULT Parts Diagram SWIPE SWIPE. DEFAULT; DW708 TYPE 3 DEFAULT Move JavaScript Disabled - Unable to show Cart. 1. 9809455 . SCREW,M5 X 55MM. $1.24 ...
Buy DeWalt DW716 Type-1 Other tools in DeWalt Electric Saw category at lowest online prices - Find DeWalt DW716 Type-1 tool diagram / schematic with complete list of replacement parts at toolpartspro.com. Order online or call 760-201-8800.
DeWALT DW713 Miter saw Parts; DeWALT DW713 Miter saw Parts. Download Parts List PDF. View as Grid List. Items 1-40 of 126. Page. You're currently reading page 1; Page 2; Page 3; Page 4; Page Next; Show. per page. Sort By. Set Descending ...
DeWALT Miter Saw - Diagram and Parts List Page 2/3. Where To Download Dewalt Mitre Saw Manual DEWALT 15 Amp Corded 10 in. Miter Saw with Bonus Heavy-Duty Miter Saw Stand $ 319 00 /bundle $418.00. Save $99.00 (24%) $ 319 00 /bundle
From the diagram it. Find the Dewalt dewalt_DW_TYPE_4 12" DOUBLE-BEVEL SLIDING COMPOUND MITER SAW parts you need at Tool Parts Direct. Shop thousands of Dewalt 12" DOUBLE-BEVEL SLIDING COMPOUND MITER SAW replacement parts online.Dewalt model DWTYPE 4 miter saw genuine partsDeWALT DW Parts List and Diagram - Type 4 : wiringall.com.
DeWalt DW703 miter saw parts - manufacturer-approved parts for a proper fit every time! We also have installation guides, diagrams and manuals to help you along the way!
DeWalt DW718 TYPE1 miter saw parts - manufacturer-approved parts for a proper fit every time! We also have installation guides, diagrams and manuals to help you along the way!
058698-00 Spring - Dewalt®. Be the first to review this product. $1.99. In stock. SKU. 058698-00. Qty. Add to Cart. Add to Wish List Add to Compare.
Once you select the type number the diagram, part list, and manual will become available. If you are unable to locate the model, manual, or parts list, please contact us for further assistance. Our customer service department is available by calling 800-433-9258 Monday - Friday, 8:00A.M. - 6:00P.M. Eastern Time.
Dewalt DW705-44 (Type 2) Parts Diagrams. Parts Lookup - Enter a part number or partial description to search for parts within this model. There are (86) parts used by this model. RING,RET.
DeWalt DW705 miter saw parts - manufacturer-approved parts for a proper fit every time! We also have installation guides, diagrams and manuals to help you along the way!
DeWalt DW705STY5 miter saw parts - manufacturer-approved parts for a proper fit every time! We also have installation guides, diagrams and manuals to help you along the way!
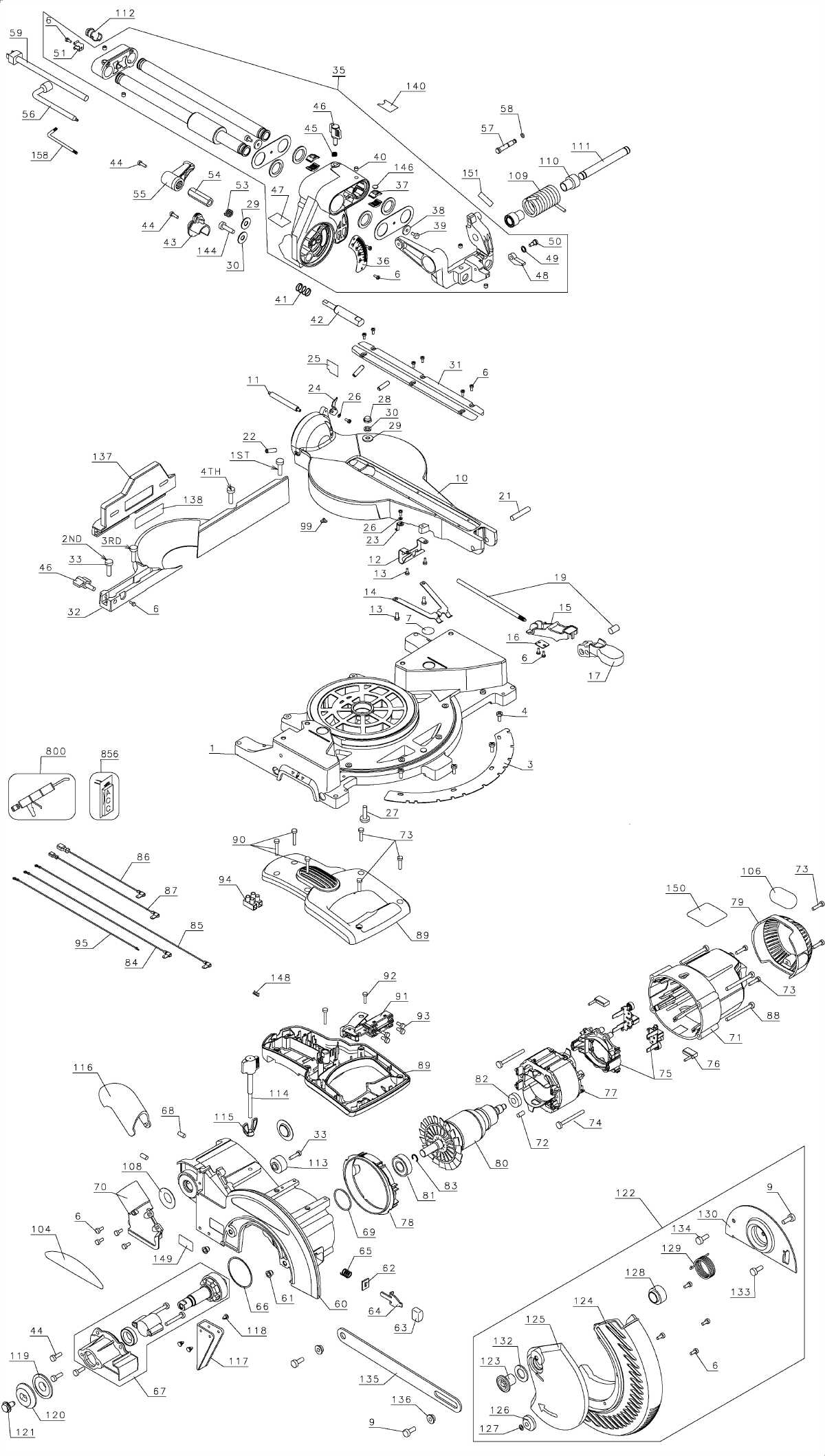
The Dewalt Saw Parts Catalog. The diagram shows the parts of the Dewalt saw. It shows the parts of the circuit that are simplified and also the power and signal links between the devices. You can find the service center locator on the home page. You can find dewalt parts for drills saws, nailers, staplers and much more.
Buy Dewalt DWS780 Type-20 Other tools in DeWalt Electric Saw category at lowest online prices - Find Dewalt DWS780 Type-20 tool diagram / schematic with ...
Nov 03, 2021 · Veneta, I have your table saw plans and I have some questions. First, why are there 2 parts for the saw bottom (Parts D & E)? Next, why is the Top Back (Part M) 8 11/16" wide. Assuming that the Back (Part B) is 3/4", there will be a 1/16" gap along Part M. I suggest for future projects, you include an "exploded" view with parts labels.
Buy Dewalt DWS779 Type-20 Other tools in DeWalt Electric Saw category at lowest online prices - Find Dewalt DWS779 Type-20 tool diagram / schematic with complete list of replacement parts at toolpartspro.com. Order online or call 760-201-8800.
Compatible miter tracks include but not exclusive to ShopSmith, SawStop, Bosch 4100, Delta Unisaw, Powermatic, Rigid, Dewalt, and General 350 Tracks. *Not compatible with table saws with tabs cast into the top of the miter slot or 5/8" miter slots i.e. Ryobi or Craftsman.
Need to fix your DW715 Type 2 Miter Saw? Use our part lists, interactive diagrams, accessories and expert repair advice to make your repairs easy. Please note shipping times may be longer than expected due to carrier delays.
PCBN inserts for turning cast iron and hardened steel: pcbn is the second hardest material in the world, and cbn related high precision cutting tools are introduced to industry, achieved high productivity and cost reductions. pcbn is the short name of polycrystalline cubic boron nitride, and pcbn inserts are mainly for the hard metal turning to replace the conventional machining way of …
Description : Dewalt Dw716 Parts List And Diagram - Type 1 : Ereplacementparts for Dewalt Miter Saw Parts Diagram, image size 590 X 779 px, and to view image details please click the image. Truly, we also have been noticed that dewalt miter saw parts diagram is being just about the most popular issue at this moment.
I need part number 61 on page b. For model number DWS780. Hello Jeremy, thank you for writing. We have researched the model you have provided and have found the part you are looking for is FIX11929523. We hope to hear from you soon. YouTube. Subscribe. Info. Shopping.
Buy Dewalt DWS780 Type-20 Other tools in DeWalt Electric Saw category at lowest online prices - Find Dewalt DWS780 Type-20 tool diagram / schematic with ...
More Information Tools & Tool Parts - Tool Sets, Tool Parts, Replacement Tools.Browse central machinery drill press parts list available to buy now online. Find an expansive collection of central machinery drill press parts list in stock here online.
The Dewalt miter saw DW705 is the subject of my question. Jim told me the switch was bad, he replaced the switch with something he thought would work. When he plugged it in, it belched a puff of white smoke which alerted him to unplug it.
Dewalt DW705 TYPE 7 Exploded View parts lookup by model. Complete exploded views of all the major manufacturers. ... Miter Saw | Dw705 Type 7 ... Dewalt DW705 TYPE 7 Parts Diagrams SWIPE SWIPE. DEFAULT; JavaScript Disabled - Unable to show Cart. Parts Lookup - Enter a part number or partial description to search for parts within this model.
Buy Dewalt DWS779 Type-20 Other tools in DeWalt Electric Saw category at lowest online prices - Find Dewalt DWS779 Type-20 tool diagram / schematic with complete list of replacement parts at RepairtoolParts.com. Order online or call 760-201-8800.
To help make your power tool repairs even simpler, we also offer parts lists and tool breakdowns like a Dewalt parts diagram or a Makita parts breakdown. Of course, we also offer refreshing and thorough power tool repair articles, too.
Need to fix your DWS780 Type 1 12in Compound Miter Saw? Use our part lists, interactive diagrams, accessories and expert repair advice to make your repairs easy. ... Repair Parts Home Power Tool Parts DeWALT Parts DeWALT Miter Saw Parts DeWALT DWS780 Type 1 12in Compound Miter Saw Parts.
0 Response to "38 dewalt miter saw parts diagram"
Post a Comment