Iklan 300x250

40 2001 pt cruiser belt diagram

Mark and routing guides for car engines which help facilitate a repair which otherwise would be difficult. Asked under 2001 Category for a 2002 Question. Click on the following free direct Link. It has the correct Serpentine/Drive Belt Diagrams for your 2002 Chrysler ...1 answer · 20 votes: Here is a picture

for example here is charging system for 2001 pt cruiser , visit the post for more 2001 pt cruiser power steering belt diagram in 2002 chrysler complete suspension bushing kit pt cruiser 2001 2010 pt cruiser rear suspension diagram diagrams wiring images sway bar link replacement pt cruiser ...

2001 pt cruiser belt diagram

2001 pt cruiser belt diagram

February 7, 2020 - Damage to valve components may occur. Always align timing marks before removing the timing belt. ... The diagram above applies to the Chrysler PT Cruiser 2001 2002 2003 2004 2005 2006 2007 2008 2009 2010 year models. In addition, this engine is also applied to: Chrysler PT Cruiser Timing Belt Replacement 2.4 Engine. How to replace the timing belt on Pt Cruiser.\r Our Website for Tools, Parts and more Videos: \r \r We took this video to show you what you need to do in order to replace the timing belt on a Chrysler Pt Cruiser 2.4 Engine. Most Shops and Dealers will Charge you over $1000+ for timing belt replacement. EPUB - 2001 Pt Cruiser Pcm Wiring Diagram Bro. C. Freeman El | Astrological Bible Code (#HemmittSummit2001) - Pt. 1/2 (8Apr01) 2001: A Space Odyssey - Ending Explained Chrysler PT Cruiser Timing Belt Replacement 2.4 Engine. How to replace the timing belt How to replace alternator pt cruiser ...

2001 pt cruiser belt diagram. Chrysler PT Cruiser 2001, Front and Rear Steering Tie Rods & Suspension Kit by TRQ®. Quantity: 8 Pieces. This TRQ replacement part is designed to help restore and keep your vehicle running down the road in like-new condition for many... Genuine 2001 Chrysler Pt Cruiser Parts from Factory Chrysler Parts in Bartow, FL. Select a 2001 Chrysler Pt Cruiser Driveline 2.4L 4 Cyl A/T. 2.4L 4 Cyl M/T. Chrysler OEM 2001 Pt Cruiser Parts from Thunder CDJR. We are your source for Factory Chrysler Parts Genuine Chrysler parts are the smart choice for repair, maintenance, or upgrade of your ... MANUAL PDF 2005 Pt Cruiser Fuel Pump Wiring Diagram Chrysler PT Cruiser (2001 - 2010) - Replace the alternator How To Set Timing Marks & Belt Removal 2001-2010 Chrysler PT Cruiser How to Remove and Replace a Starter - Chrysler PT Cruiser 2.4L How to replace remove transmission in a 2001-2010 pt cruiser Deze PT Cruiser heeft een ernstig probleem Chrysler Pt Cruiser Repair Manual View and ... Mar 28, 2010 — It has the Alternator Belt Diagram for your 2001 PT Cruiser depending on your 2.4L Engine Options (AC/No AC etc.).

Chrysler PT Cruiser Timing Belt Replacement 2.4 Engine. How to replace the timing belt on Pt Cruiser.► Our Website for Tools, Parts and more Videos: http:/... Mark and routing guides for car engines which help facilitate a repair which otherwise would be difficult. repair parts, 2001 pt cruiser timing belt diagram downloaddescargar com, 2001 chrysler pt cruiser exhaust parts carid com, go parts 2001 chrysler pt cruiser parts amp accessories, 2001 chrysler pt cruiser 2 4l l4 electrical bulb amp socket, solved need a wiring diagram for 2001 pt cruiser fixya, ... belt diagram 2003 pt cruiser image of belt, solved need a wiring diagram for 2001 pt cruiser fixya, chrysler ptcruiser car alarm wiring information, wiring diagram for 2002 pt cruiser fixya, wiring diagrams ertyu org, solved need a wiring diagram for 2001 pt cruiser fixya, 2001 pt cruiser wiring ...

belt routing for a serpentine belt on a pt cruiser 2001 2.4L engine? having problems getting serpentine belt on - Chrysler 2001 PT Cruiser question. On Amazon:*TIMING BELT KIT: https://amzn.to/2LoMhTJ*CRANK PULLER KIT: https://amzn.to/2G3BFVk*CAM HOLDER: https://amzn.to/2XXzide*OR USE THIS FOR CAM BOLTS: Serpentine Belt Replacement : $116 -$131. The average cost for a Chrysler PT Cruiser Serpentine Belt Replacement is between $116 -$131. Learn More. The belt driving the AC & Power Steering has chirped/squeaked for a while. I thought it was the tensioner, so I replaced it with a new one, plus a new belt. Same noise. SOURCE: 2001 PT Cruiser Serpentine Belt Diagram How do I don't know if your serpentine belt layout is the same as mine. I have a 2005 2.4TD. I worked out that the tensioner is spring loaded and needed to be turned using a very long spanner (can't remember the size as I used an adjustable spanner ...

Any caution to lift engine? - PT Cruiser Forum

Any caution to lift engine? - PT Cruiser Forum

Asked under 2001 Category for a 2002 Question. Click on the following free direct Link.It has the correct Serpentine/Drive Belt Diagrams for your 2002 Chrysler PT Cruiser 2.4L DOHC In-Line 4-Cylinder Engine with the Engine Options (AC/No AC etc.).

2001 Chrysler PT Cruiser Torque Pressure on Cylindar Head

2001 Chrysler PT Cruiser Torque Pressure on Cylindar Head

2001 Chrysler PT Cruiser - Tensioner Assembly-Automatic. The tensioner in your car puts pressure against the serpentine belt to keep it from slipping on the engine pulleys. If your tensioner is going bad, you may notice squealing from your belt when the car is running, abnormal belt wear, or things like your air conditioner, power steering, or ...

Chrysler Pt Cruiser Adjuster. Seat belt turning loop ...

Chrysler Pt Cruiser Adjuster. Seat belt turning loop ...

Chrysler PT Cruiser 2.4L 2001, Serpentine Multi V-Belt by Goodyear Belts. Goodyear Belts has developed multi V-belts that meet or exceed OE requirements, ensuring long belt life and quiet operation. Restore your belt drive system’s... Meets or Exceeds OEM Specifications Long-life EPDM Rubber Compound. $8.97 - $13.34.

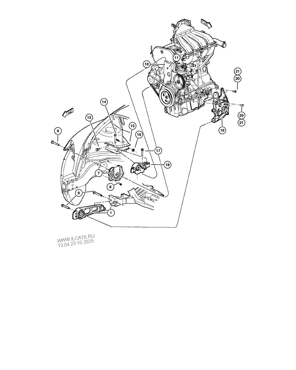
Pt Cruiser Front Suspension Diagram - Diagram For You

Pt Cruiser Front Suspension Diagram - Diagram For You

I need the diagram for the serpentine belt on a 2001 pt cruiser 2.4 L you may need a special tensioner tool to release the belt your parts store can tell you your diagram should be on the front of your vehicle or on your air cleaneri

Types Of Technology

Types Of Technology

Asked under 2001 Category for a 2002 Question. Click on the following free direct Link.It has the correct Serpentine/Drive Belt Diagrams for your 2002 Chrysler PT Cruiser 2.4L DOHC In-Line 4-Cylinder Engine with the Engine Options (AC/No AC etc.).

2004 Chrysler Sebring 24 Serpentine Belt Diagram - Diagram ...

2004 Chrysler Sebring 24 Serpentine Belt Diagram - Diagram ...

2001 2003 chrysler pt cruiser vehicle wiring chart and diagram, ... 2003 pt cruiser turbo belt diagram fixya, 03 pt cruiser fuse diagram qiber net, 2003 pt cruiser engine diagram downloaddescargar com, 2006 pt cruiser an airconditioner wiring diagram gt asap, 03 pt cruiser no crank starter ...

Chrysler PT Cruiser Tensioner. Belt. Bracket. Pump. POWER ...

Chrysler PT Cruiser Tensioner. Belt. Bracket. Pump. POWER ...

Toyota Pick-ups, Land Cruiser, and 4Runner 1997-00 Wiring Diagrams Repair Guide. Find out how to access AutoZone's Wiring Diagrams Repair Guide for Toyota Pick-ups, Land Cruiser, and 4 Runner 1997-00. Read More

Did the mechanic damage the alternator belt? - PT Cruiser ...

Did the mechanic damage the alternator belt? - PT Cruiser ...

In this video we show how to change worn serpentine belts in a Chrysler PT Cruiser.If you have any further interest please visit http://www.2carpros.com/ques...

2004 Chrysler Sebring 24 Serpentine Belt Diagram ...

2004 Chrysler Sebring 24 Serpentine Belt Diagram ...

Dec 12, 2019 · Most likely there is a burr on one of the pulley grooves that is cutting and eating the belt a little at a time. Due to its location, it is not impossible for a rock or other debris to bounce up in there and do some kind of damage to the pulley surfaces. 68 Charger 440-6pac/02 PT Cruiser/63 TR4/95 Dakota 3.9-5spd/39 Nash Business Coupe.

How to replace water pump on 2001 PT Cruiser?

How to replace water pump on 2001 PT Cruiser?

1 answerAsked under 2001 Category for a 2002 Question. Click on the following free direct Link. It has the correct Serpentine/Drive Belt Diagrams for your 2002 ...

2001 Chrysler PT Cruiser Belt. Alternator drive. Emissions ...

2001 Chrysler PT Cruiser Belt. Alternator drive. Emissions ...

Chrysler Pt Cruiser Serpentine belt Removal and Replacement! Alternator belt, Serpentine belt! 2.4 Engine 2001- 2010.► Our Website for Tools, Parts and more ...

Pt Cruiser Engine Diagram - Wiring Diagram

Pt Cruiser Engine Diagram - Wiring Diagram

The PT Cruiser 150hp engine is always a non interference engine. If you have seized camshafts is more likely due to poor lubrication/low oil pressure. The seizing of the camshaft is what is breaking the belt in this case. Failure to change oil as recommended by Chrysler is usually the root cause.

33 2005 Chrysler 300 Serpentine Belt Diagram - Wiring ...

33 2005 Chrysler 300 Serpentine Belt Diagram - Wiring ...

Auto Repair Help. 1420 Answers. SOURCE: 2001 Chrysler pt cruiser belt diagram. Welcome, leedavidian_360.jpg.

Chrysler PT Cruiser Weatherstrip. Front door belt. Right ...

Chrysler PT Cruiser Weatherstrip. Front door belt. Right ...

Please use the following link when ever using Amazon.com. Any purchases you make on Amazon will help support this channel. http://amzn.to/2mALgqS Feel the ne...

Strängnäs Väderkvarn pt 2

Strängnäs Väderkvarn pt 2

In this video we show how to replace a failed serpentine belt tensioner on a Chrysler PT Cruiser.If you have any further interest please visit http://www.2ca...

[DIAGRAM] 2001 Pt Cruiser Engine Diagram FULL Version HD ...

[DIAGRAM] 2001 Pt Cruiser Engine Diagram FULL Version HD ...

EPUB - 2001 Pt Cruiser Pcm Wiring Diagram Bro. C. Freeman El | Astrological Bible Code (#HemmittSummit2001) - Pt. 1/2 (8Apr01) 2001: A Space Odyssey - Ending Explained Chrysler PT Cruiser Timing Belt Replacement 2.4 Engine. How to replace the timing belt How to replace alternator pt cruiser ...

31 2006 Chrysler 300 Serpentine Belt Diagram - Wiring ...

31 2006 Chrysler 300 Serpentine Belt Diagram - Wiring ...

Chrysler PT Cruiser Timing Belt Replacement 2.4 Engine. How to replace the timing belt on Pt Cruiser.\r Our Website for Tools, Parts and more Videos: \r \r We took this video to show you what you need to do in order to replace the timing belt on a Chrysler Pt Cruiser 2.4 Engine. Most Shops and Dealers will Charge you over $1000+ for timing belt replacement.

2001 Chrysler PT Cruiser Tensioner, used for: tensioner ...

2001 Chrysler PT Cruiser Tensioner, used for: tensioner ...

February 7, 2020 - Damage to valve components may occur. Always align timing marks before removing the timing belt. ... The diagram above applies to the Chrysler PT Cruiser 2001 2002 2003 2004 2005 2006 2007 2008 2009 2010 year models. In addition, this engine is also applied to:

Chrysler PT Cruiser Accessory drive. Drive belt ...

Chrysler PT Cruiser Accessory drive. Drive belt ...

SOLVED: Pt cruiser timing belt diagram - Fixya

SOLVED: Pt cruiser timing belt diagram - Fixya

How To Change Timing Belt On 2001 Pt Cruiser - FerisGraphics

How To Change Timing Belt On 2001 Pt Cruiser - FerisGraphics

2001 Limited- Need Rear crossmember brackets - PT Cruiser ...

2001 Limited- Need Rear crossmember brackets - PT Cruiser ...

2001 chrysler pt cruiser 2.4l automatic replaced head ...

2001 chrysler pt cruiser 2.4l automatic replaced head ...

I have a 2001 pt when the timing belt broke. I replaced ...

I have a 2001 pt when the timing belt broke. I replaced ...

I have a 2001 pt when the timing belt broke. I replaced ...

I have a 2001 pt when the timing belt broke. I replaced ...

Pt Cruiser Engine Diagram - Wiring Diagram

Pt Cruiser Engine Diagram - Wiring Diagram

Blooms in the dress with a floral pattern.

Blooms in the dress with a floral pattern.

Wiring Diagram: 30 Pt Cruiser Serpentine Belt Diagram

Wiring Diagram: 30 Pt Cruiser Serpentine Belt Diagram

a bzz on ramerin

a bzz on ramerin

2001 Chrysler PT Cruiser Serpentine Belt Routing and ...

2001 Chrysler PT Cruiser Serpentine Belt Routing and ...

Chrysler PT Cruiser Serpentine Belt - 4891519AE | Amherst OH

Chrysler PT Cruiser Serpentine Belt - 4891519AE | Amherst OH

Pt Cruiser Engine Diagram - Wiring Diagram

Pt Cruiser Engine Diagram - Wiring Diagram

Pt Cruiser Exhaust Diagram 8 Images - How To Replace ...

Pt Cruiser Exhaust Diagram 8 Images - How To Replace ...

Chrysler PT Cruiser Cover. Timing belt. Outer lower ...

Chrysler PT Cruiser Cover. Timing belt. Outer lower ...

Chrysler PT Cruiser Tensioner, used for: tensioner and ...

Chrysler PT Cruiser Tensioner, used for: tensioner and ...

I need the serpentine belt diagram for a 2001 Chrysler ...

I need the serpentine belt diagram for a 2001 Chrysler ...

32 2005 Dodge Neon Belt Diagram - Wiring Diagram Database

32 2005 Dodge Neon Belt Diagram - Wiring Diagram Database

Wiring Diagram: 30 Pt Cruiser Serpentine Belt Diagram

Wiring Diagram: 30 Pt Cruiser Serpentine Belt Diagram

2001 Chrysler PT Cruiser Serpentine Belt Routing and ...

2001 Chrysler PT Cruiser Serpentine Belt Routing and ...

I have a 2001 pt when the timing belt broke. I replaced ...

I have a 2001 pt when the timing belt broke. I replaced ...

0 Response to "40 2001 pt cruiser belt diagram"

Post a Comment

Iklan Atas Artikel

Iklan Tengah Artikel 1

Iklan Tengah Artikel 2

Iklan Bawah Artikel