Iklan 300x250

39 2012 ford f250 tail light wiring diagram

2019 Ford F250 Trailer Plug Wiring Diagram - U Wiring Brake Light Diagram New 2000 ford F350 Tail Light Wiring Diagram. Ford focus body control module location. This article applies to the Ford F-150 2004-2014 and Ford F-250 F-350 Super Duty 2006-2014 Any form of a transmission leak is a serious concern. Apr 10 2012. F-250 Super left rear blinker and brake light not working. Need ... 2011 ford f250 just found a broken wire on the firewall (rubbing against the ... check the plastic wrap on the wire harness that feeds the light and look ...25 answers · 11 votes: It sounds like you have replaced just about everything. I had this problem with an old pontiac ...

PDF Tail Light Wiring Diagram Ford F 250 - pukkacards.com April 22nd, 2019 - Oct 24 2018 PDF 2011 F250 WIRING DIAGRAM TAIL LIGHTS By Zane Grey ford f 250 tail light wiring diagram mar 31 2019 horbar thank you for visiting at this website here is a great graphic for ford f 250 tail light wiring diagramwe have been searching for this image through net and it originated from reputable source 2011 ford f

2012 ford f250 tail light wiring diagram

2012 ford f250 tail light wiring diagram

F250 Headlight Wiring Diagram - Database - Wiring Diagram ... F250 Headlight Wiring Diagram from cimg0.ibsrv.net Print the wiring diagram off plus use highlighters to trace the signal. When you make use of your finger or perhaps the actual circuit with your eyes, it is easy to mistrace the circuit. 1 trick that We 2 to printing a similar wiring plan off twice. No right turn signal or brake lite on 2012 ford f350 - Fixya It can be faulty tail light bulb or its issue with tail light control switch or its wiring's are short. Check the voltage at fuse slot of tail light.Do you receive 12 volt there.If not,then it says tail light switch is not receiving power supply. There are few help links related to your problem.I suggest you refer the list and check the help links.Click the link below:----- Ford Wiring Diagrams Free Download | Carmanualshub.com Anthony January 28, 2022. Hi my name is Anthony I was hoping that I could get from you the wiring diagram for a 2003 Ford ranger FX1 the diagrams that I am looking for are the connectors for the multi function switch connectors c202a and c202b what happened is I pulled the connectors off to change the MGS because my turn signals where not working and both the connectors fell apart when I ...

2012 ford f250 tail light wiring diagram. 2017 F250 Tail Light Wiring Diagram - justussocializing.org 2017 F250 Tail Light Wiring Diagram- One of the most difficult automotive repair tasks that a mechanic or repair shop can believe is the wiring, or rewiring of a car's electrical system.The misfortune in point of fact is that every car is different. next grating to remove, replace or fix the wiring in an automobile, having an accurate and detailed 2017 F250 Tail Light Wiring Diagram is ... Ford Wiring Diagrams - FreeAutoMechanic If you want all the premium wiring diagrams that are available for your vehicle that are accessible on-line right now - WIRING DIAGRAMS for just $19.95 you can have full on-line access to everything you need including premium wiring diagrams, fuse and component locations, repair information, factory recall information and even TSB's (Technical Service Bulletins). Ford Truck Technical Diagrams and Schematics ... Ford Truck Diagrams and Schematics : HOME : TECH: LITERATURE: GALLERIES: FORUMS: TSBs FORDification.com (powered by Google) HOME ... Wiring Diagrams Wiring Color Chart Misc. Related Info Section I - Wiring and Electrical Alternator Voltage Regulator Instrument Panel Starter and Drive ... Link for a complete wiring diagram? | Ford Tremor Forum ... Ford F450 2020. Ford F550 2020. Ford F350 2020. Ford F250 2020. Loaded with Hi Resolution illustrations, instructions, photos, and diagrams, complete to service and repair your Ford. Read and print pages directly from the CD, or copy the entire manual to your hard drive.

2012 F150 Tail Light Wiring Diagram - Wiring diagram online Ford super duty wiring diagram ford f250 ford f350 2012 ford focus 17 diagram of theft light on 2000 f150 ford truck f150 diagram ford f150 bmw z4 radio wiring diagram 7. Source: diagramxnurne.lucianopesca.it. When grating to remove, replace or repair the wiring in an automobile, having an accurate and detailed tail light wiring diagram ford ... 2012 Ford F250 Tail Light Wiring Diagram Images - Wiring ... 2012 Ford F250 Tail Light Wiring Diagram from luke-diagram.radd.fr Print the wiring diagram off plus use highlighters to trace the signal. When you make use of your finger or perhaps the actual circuit with your eyes, it is easy to mistrace the circuit. 1 trick that We 2 to printing a similar wiring plan off twice. fusewiring.blogspot.com › 2019 › 11Club Car Fuse Box Location - Fuse & Wiring Diagram Nov 30, 2019 · This is a image galleries about club car precedent fuse locationyou can also find other images like wiring diagram parts diagram replacement parts electrical diagram repair manuals engine diagram engine scheme wiring harness fuse box vacuum diagram timing belt timing chain brakes diagram transmission diagram and engine problems. PDF Tail Light Wiring Diagram Ford F 250 - prohibitionwines.com Tail Light Wiring Diagram Ford F 250 1996 ford f250 tail light wiring diagram, 2010 ford f150 fuse box diagram 2008 f250 signal lights, 2001 ford f250 tail light wiring diagram wiring diagram, 2014 ford f250 wiring diagram wiring diagram and schematics, 1999 ford f 250 tail light wiring diagram www, ford wiring 57 79 truck 61 67 econoline list ...

Taillight Wiring Color Coding | Ford Powerstroke Diesel Forum Joined Apr 25, 2010. ·. 12 Posts. Discussion Starter · #6 · Mar 19, 2013. I think I got it figured out. I believe the extra Green wire is for a CHMSL if a cap or bed cover is added to the truck. I found a label on this wire on the bed end of the harness. Thanks! 1 - 6 of 6 Posts. werner-roettger.de › fnmbnwerner-roettger.de Feb 20, 2022 · Wiring diagram for hobart 2410 wire feeder - Apr 05, 2012 Wiring diagram for hobart 2410 wire feeder. This means that you can adjust the wire as you work. Could be as old as 1950's. Also works on Panasonic Multi 260 welders if they have the 10-pin receptacle shown. 2009-2012 Ford E-Series Vehicle Wiring Chart and Diagram Version. Listed below is the vehicle specific wiring diagram for your car alarm, remote starter or keyless entry installation into your 2009-2012 Ford E-Series . This information outlines the wires location, color and polarity to help you identify the proper connection spots in the vehicle. Please be sure to test all of your wires with a ... 2014 f350 rear tail light wiring diagram | Ford ... 2014 f350 rear tail light wiring diagram. Jump to Latest Follow 1 - 3 of 3 Posts. T [email protected] · Registered. Joined Sep 21, 2017 · 1 Posts . Discussion Starter · #1 · Sep 21, 2017. I put led lights into my existing tail lights. ... Spray in Bedliner, 5th Wheel Prep, 25K 5th Wheel Hitch, Ford Goose Neck Hitch.

Wire Colors for 7-Way Trailer Connector on a 2007 Ford F-250 ...

Wire Colors for 7-Way Trailer Connector on a 2007 Ford F-250 ...

Trailer Brake Light Wiring Diagram - The Wiring The second diagram shows two brake lights, two indicators, two side lights and a fog light. 2012 ford F350 Trailer Wiring Diagram Gallery - Collections Of ford F350 Trailer Wiring Diagram Noticeable F250. Wiring A 7 Pin Trailer Plug Australia - Today Wiring Diagram - 7 Pin Trailer Wiring Diagram With Brakes.

Isolation, Cultivation, and Characterization of Ammonia ...

Isolation, Cultivation, and Characterization of Ammonia ...

2012 Ford F-250 fuse box diagram - StartMyCar 2012 Ford F-250 fuse box diagram. The 2012 Ford F-250 has 3 different fuse boxes: Upfitter controls (if equipped) diagram. Passenger compartment fuse panel diagram. Power distribution box diagram * Ford F-250 fuse box diagrams change across years, pick the right year of your vehicle: ...

a) A line-image shearing interferometer (L-ISI) with NDI; (b ...

a) A line-image shearing interferometer (L-ISI) with NDI; (b ...

Ford F350 Trailer Wiring Diagram - U Wiring Customer Photos Reviews Expert Answers and Product Videos. Diagram 99 super duty wiring ac 1999 ford 06 f250 trailer wire 2001 f350 a c 2006 truck f 250 need 7 pin f150 forum factory connector harness enthusiasts forums to on 2007 sel ing fuses in sd advice 1968 turn signal brake f53 motorhome chassis all diagrams for cab amp fuse 2000 full 96.

Trailer Wiring Diagrams | etrailer.com

Trailer Wiring Diagrams | etrailer.com

2012- Ford F-Series Super Duty Vehicle Wiring Chart and ... Listed below is the vehicle specific wiring diagram for your car alarm, remote starter or keyless entry installation into your 2012- Ford F-Series Super Duty.This information outlines the wires location, color and polarity to help you identify the proper connection spots in the vehicle.

Trouble with new headlight wiring - 99 GMC K1500 Suburban ...

Trouble with new headlight wiring - 99 GMC K1500 Suburban ...

I need the wiring diagram for the tail lights on 2012 ford ... 29 May 2016 — I need the wiring diagram for the tail lights on 2012 ford f350 4wd ranch, Rear left signal doesnt flash.. Isnt the - Answered by a verified ...1 answer · Top answer: Hello, my name is***** what happens is the bulb fails causing the Body Control Module ...F350: what is the color code and pin diagram for the rear lights26 Jan 2013I'm looking for a rear light wiring diagram for a 08 f250.7 Aug 2019What color is wire (positive) for back up light 2012 Ford12 Jan 2018More results from

Brake Light & Turn Signal Dont Work: My Left Rear Brake Light ...

Brake Light & Turn Signal Dont Work: My Left Rear Brake Light ...

Ford F250: Brake Lights Not Working Diagnosis | Drivetrain ... 4. Other Wiring Issues. If your F250's brake light switch checked out ok, and there are no brake lights illuminating at all, inspect the wiring harness going from the brake switch to the bulbs themselves. There could be an issue with frayed wiring, wiring that has lost its ground, or a short/open situation.

Tail light wiring diagram - Fixya

Tail light wiring diagram - Fixya

studio-tam.de › ftaymstudio-tam.de Feb 19, 2022 · - All explorer rear ends are the same 5 on 4 ½" bolt pattern. 4252 MTS 19 Gallon Rear Plastic Gas Tank for 1980-1984 Ford F100, F150, F250, F350 Pickup, 2" Hole. 1-in. The explorers are highly preferred because they run a 61" rear axle and the later ones came with disk brakes.

دائرة كهربائية الى حد كبير في أي وقت 96 dodge ram tail light ...

دائرة كهربائية الى حد كبير في أي وقت 96 dodge ram tail light ...

diefremden.de › bemgkLaki-laki Ini Berupaya Setubuhi Tetangga Usai ... - diefremden.de Feb 16, 2022 · Nov 29, 2021 · Phone: 1555-0543 Ext. Duty Wiring Diagram - Engine Diagram 1994 Toyota Mr 2 - Craft Master Water Heater Diagram For Wiring A 240v - 7 Wire Jack Wiring Diagram - 2004 Ford F 250 5 4 Triton Super Duty Fuse Box Diagram - 12 Volt Socket Wiring Diagram - Renault ClioZ-Triton is an amphibious e-tricycle camper that offers you the ...

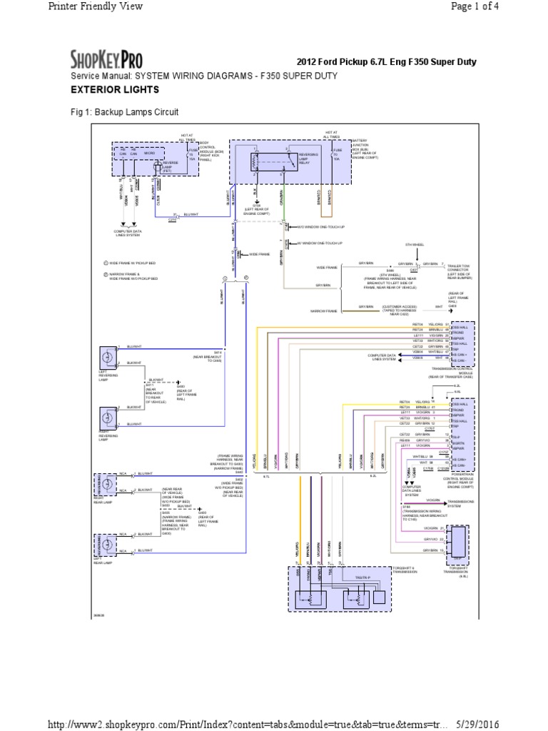
2012 f350 Light Wiring Diagram | PDF | Trailer (Vehicle ...

2012 f350 Light Wiring Diagram | PDF | Trailer (Vehicle ...

2012 f350 Light Wiring Diagram | Trailer (Vehicle) | Cars ... 2012 f350 Light Wiring Diagram - Free download as PDF File (.pdf), Text File (.txt) or read online for free. 350 lighting

Trailer tow package and trailer wiring questions - Ford Truck ...

Trailer tow package and trailer wiring questions - Ford Truck ...

Ford Motor Company Upfitter Interface Module Owner'S Manual Figure 3.2.2.1B High Side Driver - Module driven LED diagram Although the HS drivers can directly drive LED's, it may sometimes result in a low intensity flickering while in the off state, which may be noticeable in low light situations. Above is an LED example circuit which minimizes this flickering.

I have a F250 with failing brake lights. I have turn signals ...

I have a F250 with failing brake lights. I have turn signals ...

2012 F550 tail light wiring diagram needed - Ford Truck ... 1999 to 2016 Super Duty - 2012 F550 tail light wiring diagram needed - Hey guys I'm in a bit of a jam here I need this truck to get to work again asap and all the searches I've done have come up with nothing useful. I need a wiring diagram for the entire tail light circuit from battery to light. The dealership is...

Wiring a canopy 3rd brake light/dome | F150 Ecoboost Forum

Wiring a canopy 3rd brake light/dome | F150 Ecoboost Forum

› faq-wiring-7-wayWiring Trailer Lights with a 7-Way Plug (It's Easier Than You ... The black battery wire should be same size as the white ground wire - 10 gauge in chart - faq311-7-way-trailer-diagram-rv_2_800 The picture below this chart shows correct wiring for RV plugs. As a professional RV transporter I have seen to many trucks wired with those 2 wires to small and cause a fire from overheating.

Ford Truck Technical Drawings and Schematics - Section H ...

Ford Truck Technical Drawings and Schematics - Section H ...

› faq-wiringTrailer Wiring Diagrams | etrailer.com The easiest place to tap into the vehicle's wiring system is behind the tail lights. By turning on the left turn signal, a circuit tester can be used to test the different wires behind the driver's side tail light. When the circuit tester lights up, you know that wire carries the left turn function.

Ford Truck Technical Drawings and Schematics - Section H ...

Ford Truck Technical Drawings and Schematics - Section H ...

tail light wiring diagram - The Diesel Stop tail light wiring diagram. Jump to Latest Follow 1 - 5 of 5 Posts ... 2005 F-250 CC/SB 4X4, 6.0L PSD-Torqueshift ... A forum community dedicated to all Ford Diesel owners and enthusiasts. Come join the discussion about PowerStrokes, performance, modifications, troubleshooting, towing capacity, maintenance, and more! ...

97 F350: Tail lights..inop..Turn signals/brake lights ok

97 F350: Tail lights..inop..Turn signals/brake lights ok

2012 Ford F250 Tail Light Wiring Diagram Images - Wiring ... 2012 Ford F250 Tail Light Wiring Diagram. 2012 Ford F250 Tail Light Wiring Diagram from luke-diagram.radd.fr. To properly read a cabling diagram, one offers to find out how the particular components inside the system operate. For instance , in case a module is usually powered up and it also sends out the signal of fifty percent the voltage in ...

How To - Adding lights to interior light circuit - F150online ...

How To - Adding lights to interior light circuit - F150online ...

Ford F250 Wiring Diagram For Trailer Lights - Studying ... Trailer wiring 2006 f250 ford truck enthusiasts forums wire colors for 7 way connector on a 2007 f 250 350 etrailer com harness diagram pin f150 forum community of fans view 34 2019 ranger tail light baju kurung ketat 1990 diagrams 2004 lights fuse location and sch 96 f350 exterior lamp relay the sel stop factory 2008 super Read More.

Tail Light Wire Colors - Ford F150 Forum - Community of Ford ...

Tail Light Wire Colors - Ford F150 Forum - Community of Ford ...

Tail light wiring diagram. | Ford Tremor Forum | Ford ... 2020 F250 Tremor. It depends on what tail lights you have and if you have BLIS. You may have to grab it out of your trailer tow plug because depending on your lights, you may not have a backup wire running to them, it uses the CAN BUS to turn the lights on and off. Below is one example and if you have the wire it will be Green and Brown.

Ford Ranger Wiring Diagrams - The Ranger Station

Ford Ranger Wiring Diagrams - The Ranger Station

1B8ED7E 2012 Vw Jetta Se Fuse Diagram - Neuss Wiring Diagram 79215AE 2011 Ford F250 Super Duty Fuse Diagram. 7A05FDC 2010 Chrysler 300 Fuse Box. 7B408E2 2013 Ford Taurus Engine Diagram. ... E846FE0 2012 Dodge Ram 1500 Tail Light Wiring Diagram. E9A5220 2011 Lincoln Mkt Engine Diagram. E9A6C5A 2010 Dodge Challenger Tail Light Wiring Diagram.

SOLVED: No brake lights but fuse is good. Wiring appears - Fixya

SOLVED: No brake lights but fuse is good. Wiring appears - Fixya

› how-tos › aFord F-150: How to Replace Headlight Assembly | Ford-trucks Dec 05, 2014 · Twist and pull to remove signal light, headlight bulb, and side market light that are plugged in to the back of the assembly. Figure 1. Headlight assembly diagram. Figure 2. Pull the headlight assembly out. Step 2 - Install the new headlight assembly. Insert and twist signal light, headlight bulb, and side market light to secure in new ...

Looking for a rear light wiring (showing the wire colors ...

Looking for a rear light wiring (showing the wire colors ...

Ford Wiring Diagrams Free Download | Carmanualshub.com Anthony January 28, 2022. Hi my name is Anthony I was hoping that I could get from you the wiring diagram for a 2003 Ford ranger FX1 the diagrams that I am looking for are the connectors for the multi function switch connectors c202a and c202b what happened is I pulled the connectors off to change the MGS because my turn signals where not working and both the connectors fell apart when I ...

6 Reasons for Tail Lights Not Working but Brake Lights Are ...

6 Reasons for Tail Lights Not Working but Brake Lights Are ...

No right turn signal or brake lite on 2012 ford f350 - Fixya It can be faulty tail light bulb or its issue with tail light control switch or its wiring's are short. Check the voltage at fuse slot of tail light.Do you receive 12 volt there.If not,then it says tail light switch is not receiving power supply. There are few help links related to your problem.I suggest you refer the list and check the help links.Click the link below:-----

Repair Guides | Wiring Diagrams | Wiring Diagrams | 1995 ford ...

Repair Guides | Wiring Diagrams | Wiring Diagrams | 1995 ford ...

F250 Headlight Wiring Diagram - Database - Wiring Diagram ... F250 Headlight Wiring Diagram from cimg0.ibsrv.net Print the wiring diagram off plus use highlighters to trace the signal. When you make use of your finger or perhaps the actual circuit with your eyes, it is easy to mistrace the circuit. 1 trick that We 2 to printing a similar wiring plan off twice.

Ford Truck Technical Drawings and Schematics - Section H ...

Ford Truck Technical Drawings and Schematics - Section H ...

Ford Truck Technical Drawings and Schematics - Section H ...

Ford Truck Technical Drawings and Schematics - Section H ...

I need a brake pedal switch wiring diagram for a 1979 ford ...

I need a brake pedal switch wiring diagram for a 1979 ford ...

2004 Ford Trailer Wiring Harness Diagram | Ford f250, Ford ...

2004 Ford Trailer Wiring Harness Diagram | Ford f250, Ford ...

Interior and exterior light wiring diagram - Ford Truck ...

Interior and exterior light wiring diagram - Ford Truck ...

Brake Light & Turn Signal Dont Work: My Left Rear Brake Light ...

Brake Light & Turn Signal Dont Work: My Left Rear Brake Light ...

Added OEM Backup camera and mirror. | The Diesel Stop

Added OEM Backup camera and mirror. | The Diesel Stop

F-250 Super Duty tail light problem | RATTLECAN GUITAR ...

F-250 Super Duty tail light problem | RATTLECAN GUITAR ...

2012 Ford F-250 thru 550 Super Duty Wiring Diagram Manual ...

2012 Ford F-250 thru 550 Super Duty Wiring Diagram Manual ...

brake light / turn signal light Diagram | Ford Explorer ...

brake light / turn signal light Diagram | Ford Explorer ...

Tail Light Brake Lamp Signal Socket + Pigtail Connector For Ford F-150 250  Flex Transit Lincoln MKZ 2U5Z13411SA

Tail Light Brake Lamp Signal Socket + Pigtail Connector For Ford F-150 250 Flex Transit Lincoln MKZ 2U5Z13411SA

SOLVED: Missing license plate wiring and complete - Fixya

SOLVED: Missing license plate wiring and complete - Fixya

2005 6.0 pinout diagram? | Ford Power Stroke Nation

2005 6.0 pinout diagram? | Ford Power Stroke Nation

2012 Ford F350 Trailer Wiring Harness | Trailer wiring ...

2012 Ford F350 Trailer Wiring Harness | Trailer wiring ...

2011 150 tail light wiring - F150online Forums

2011 150 tail light wiring - F150online Forums

Ford Ranger Wiring Diagrams - The Ranger Station

Ford Ranger Wiring Diagrams - The Ranger Station

Ford F-250 Super Duty Questions - no power for brake lights ...

Ford F-250 Super Duty Questions - no power for brake lights ...

0 Response to "39 2012 ford f250 tail light wiring diagram"

Post a Comment

Iklan Atas Artikel

Iklan Tengah Artikel 1

Iklan Tengah Artikel 2

Iklan Bawah Artikel