Iklan 300x250

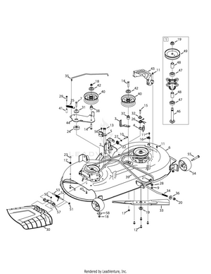
42 troy bilt lawn mower belt diagram

Troy-Bilt 13AL78BS023 - Troy-Bilt Bronco 42" Lawn Tractor ... Troy-Bilt repair parts and parts diagrams for Troy-Bilt 13AL78BS023 - Troy-Bilt Bronco 42" Lawn Tractor, Auto (2019) Troy Bilt 13wx78ks011 Belt Diagram Page D. Troy Bilt 13WX78KS Bronco Exploded View parts lookup by model. Complete exploded views of all the major manufacturers. It is EASY and FREE. 13WX78KS drive belts diagram. Troy-Bilt Bronco, Belt broke and I don't know how to route around the pulleys. - Toro Power Lawn Mower question. Troy-Bilt Lawn and Garden | PartsWarehouseFind By Part ...

Troy-Bilt Zero-Turn Mowers Parts with Diagrams - PartsTree 17ADCACN066 - Troy-Bilt Mustang XP 46" Zero-Turn Mower, FAB Deck (2018)

Troy bilt lawn mower belt diagram

Troy bilt lawn mower belt diagram

Troy Bilt Pony Belt Diagram - schemacheck.com Oct 21, · Troy Bilt Pony 42 Deck Belt Diagram. Lekan Oke October 21, Engines. The Troy Bilt Pony 42 deck belt is designed to connect the crankshaft to the lawn mower blade and cause them to turn. If you notice a problem with your mower blades or the deck belt, you might need the setup diagram to help you put things in order. Lookup Parts by ... Troy-Bilt LTX 2146 (13AT609H063) - Troy-Bilt Lawn Tractor ... Troy-Bilt repair parts and parts diagrams for Troy-Bilt LTX 2146 (13AT609H063) - Troy-Bilt Lawn Tractor (2003) Troy Bilt Horse Xp Drive Belt Diagram Troy Bilt 13WX79KT Horse XP () Mower Deck Parts Diagram. SWIPE SWIPE Drive & Rear Wheels . Deck Belt Cover $ They're more concerned with making it difficult for the belt to come off. of the small pulleys (#75 in the diagram) pivots and give you enough slack to fit the whole thing properly. On a Horse XP there is only one drive pulley.

Troy bilt lawn mower belt diagram. Troy Bilt Pony Drive Belt Diagram Jan 11, 2018 · The upper drive belt on the inch Troy-Bilt lawn mower is the only serviceable Draw a diagram of how the belt routes around the pulleys on the mower deck. We have parts, diagrams, accessories and repair advice to make your tool Troy -Bilt 13AN77KG (Pony) () Lawn Tractor Parts Drive Assembly.Troy Bilt 13ANG Pony () Drive Exploded View parts ... Troy Bilt Pony 7 Speed Belt Diagram - schematron.org Aug 11, 2018 · Troy Bilt Pony 7 Speed Belt Diagram. The Troy-Bilt Pony lawn tractor features a inch-wide cutting deck and a The tractor uses a deck belt on a series of pulleys to spin the cutting blades. 7. Locate the deck lift rod on the mower deck, and remove the bow-tie pin. Drive Belt Replacement in a Cub Cadet Series · Install a Deck Belt on a Inch. Troy Bilt Bronco Riding Mower Belt Diagram - schematron.org Sep 13, 2018 · Troy Bilt 13WX78KS Bronco () Drive & Transmission Parts Diagram . PLUG DECK HOLE 7/8 $ 36 A Upper Drive Belt. Troy Bilt 13WX78KS Bronco () Mower Deck Inch Exploded View parts lookup by model. Complete exploded views of all the major manufacturers. This is how you remove and change the deck belt on your Troy-Bilt riding lawn mower. Belt diagram for Troy-bilt riding lawn mower? - Answers Belt diagram for Troy-bilt riding lawn mower? Wiki User. ∙ 2009-09-04 13:36:36. Study now. See answer (1) Best Answer. Copy. diagram for belt should be on deck left side as you sit on tractor by ...

Troy-Bilt Riding Lawn Mower - Model 13YX79KT211 | Troy-Bilt US Find parts for your Horse XP Troy-Bilt Riding Lawn Mower . Parts diagrams and manuals available. Free shipping on parts orders over $45. Drive Belt Diagram Troy Bilt Bronco Step 1: Turn the mower off and make sure . Keeping your Troy-Bilt mower maintained is part of your agreement for warranty coverage. These include checking the tires, sharpening the blades, lubricating the tractor and maintain drive belts. Need to fix your 13WX78KS (Bronco) Lawn Tractor? We have parts, diagrams, accessories and repair advice to ... Troy Bilt 13WN77KS011 Pony (2013) Parts Diagram for Mower ... Troy Bilt 13WN77KS011 Pony (2013) Mower Deck 42-Inch Exploded View parts lookup by model. Complete exploded views of all the major manufacturers. It is EASY and FREE Troy-Bilt Self Propelled Lawn Mower - Model 12AKC39B011 ... Find parts for your TB330XP Troy-Bilt Self-Propelled Lawn Mower. Parts diagrams and manuals available. Free shipping on parts orders over $45.

Troy-Bilt 13CD609G063 - Troy-Bilt Lawn Tractor (2001 ... 13CD609G063 - Troy-Bilt Lawn Tractor (2001) Parts Lists & Diagrams. Lawn Tractor. Troy Bilt 13wx78ks011 Belt Diagram - schematron.org Belt Keeper Rod $ Deck Lift Rod. We have parts, diagrams, accessories and repair advice to make your tool Troy -Bilt 13WX78KS (Bronco) () Lawn Tractor Parts .. Upper Drive Belt.Troy-Bilt Riding Mower 13WX78KS Features Model. LT5Lawn Tractor Engine. A­ Riding Mower Lower Transmission Belt Troy-Bilt, its parents, affiliates and subsidiaries, is ... Troy Bilt 13WV78KS011 Bronco (2015) Parts Diagrams Troy Bilt 13WV78KS011 Bronco (2015) Exploded View parts lookup by model. ... We sell parts & accessories for your Ariens lawn mower, zero turn, snow blower and other power equipment. See: Ariens exploded parts diagrams. We sell parts & accessories for your Briggs & Stratton equipment. We also carry New ... 42 troy bilt mower drive belt diagram - Wiring Diagram Images Troy bilt mower drive belt diagram. Troy-Bilt 42-in Drive Belt for Riding Mower/Tractors (15-in L) Item # 144217 Model # 490-501-M052 Fits 42 In. decks- Troy-Bilt and MTD 600 series lawn tractors (except AutoDrive Step-Thru frame models) 2003 and after As a result, the clutch won't engage, and the lawn mower blades won't rotate. 7 de dez.

Troy-Bilt 46-in Deck/Drive Belt for Riding Mower/Tractors (17-in L)

Troy-Bilt 46-in Deck/Drive Belt for Riding Mower/Tractors (17-in L)

Troy Bilt Pony 42 Deck Belt Diagram - Diagram Finder Troy Bilt Pony 42 Deck Belt Diagram Lekan Oke October 21, 2021 Engines The Troy Bilt Pony 42 deck belt is designed to connect the crankshaft to the lawn mower blade and cause them to turn. If you notice a problem with your mower blades or the deck belt, you might need the setup diagram to help you put things in order.

Troy-Bilt Garden Tractor | 14BV809H063 | eReplacementParts.com

Troy-Bilt Garden Tractor | 14BV809H063 | eReplacementParts.com

Troy-Bilt Walk-Behind Mowers Parts with Diagrams - PartsTree Troy-Bilt Walk-Behind Mowers Parts Lookup & Diagrams Troy-Bilt Walk-Behind Mowers ( 575 Models ) 10721 - Troy-Bilt Trailblazer III Sicklebar Mower (SN: P103609 - P105740)

Details about Recoil Pull Starter For Troy Bilt Walk Behind Mower model#  12AG836E011

Details about Recoil Pull Starter For Troy Bilt Walk Behind Mower model# 12AG836E011

Riding Lawn Mower Parts | MTD Parts Lawn maintenance is easier with MTD lawn tractors. They allow you to haul equipment, soil, tools and more around your yard. Genuine MTD lawn tractor parts can help you maintain your outdoor power equipment long-term. Find riding lawn mower blades, belts, cables and more to repair your unit as needed.

Craftsman Riding Mower Drive Belt Diagram- A Step By Step ...

Craftsman Riding Mower Drive Belt Diagram- A Step By Step ...

Official Kenmore Dryer Parts | Order Today ... - PartSelect The new belt came with a diagram of the belt and tensioner routing which was helpful. Note: do not take the tensioner wheel off/apart when trying to route the belt. Follow the instructions routing diagram. The tensioner is held in palce by inserting the bottom back half into the slot in the bottom floor of the dryer making sure it is aligned with the belt pully on the shaft of the dryer …

Troybilt Drive Belt Seems Too Loose - DoItYourself.com ...

Troybilt Drive Belt Seems Too Loose - DoItYourself.com ...

John Deere Spare Parts Online - All Mower Spares All Mower Spares stock a wide range of products from John Deere. Click here to see our full range. Australian owned & operated. The Australian and New Zealand Distribution Centre (ANZDC) is an integral part of the worldwide parts distribution network of John Deere and is mainly and essentially responsible for supporting the vast network of distributors of agricultural, …

17AQNAMU066 34 in. RZT Riding Mower with 452cc OHV Troy-Bilt ...

17AQNAMU066 34 in. RZT Riding Mower with 452cc OHV Troy-Bilt ...

Troy-Bilt Parts Diagrams - Troy-Bilt: Lawn Mowers, Snow ... Lookup Parts by Diagram. Use our parts diagram tool below to find the parts you need for your machine. Select the model and year, then browse the parts diagrams to find the right part. Add to cart when you're ready to purchase and we'll ship it to you as soon as possible! Financing Now Available for Online Purchases.*. Learn More.

Troy-Bilt Riding Lawn Mower - Model 13WX79BT011 | MTD Parts

Troy-Bilt Riding Lawn Mower - Model 13WX79BT011 | MTD Parts

Troy Bilt Bronco Riding Mower Belt Diagram Troy-Bilt manufactures a line of residential lawn tractor mowers to fill this vacancy. These mowers are compact to navigate smaller lawns while giving the operator the comfort and convenience of riding rather than walking behind the mower.troy-bilt bronco hp mower deck drive belt diagram - FixyaElectrical wiring diagram for a Troy Built 42 ...

754-0467 954-0467A belt MTD Craftsman White TroyBilt ...

754-0467 954-0467A belt MTD Craftsman White TroyBilt ...

Troy Bilt 13wv78ks011 Drive Belt Diagram - Diagram World Troy bilt 13wv78ks011 drive belt diagram. Troy Bilt 13WV78KS011 Bronco 2015 Parts Diagrams. This is how you remove and change the deck belt on your Troy-Bilt riding lawn mower. Troy Bilt 13WX78KS011 Bronco 2011 Drive Transmission Parts Diagram. Parts diagrams and manuals available. Lawn garden tractor parts. Frame PTO Lift.

Troy Bilt 13WM77KS011 Pony (2015) Parts Diagram for Mower ...

Troy Bilt 13WM77KS011 Pony (2015) Parts Diagram for Mower ...

Belts - Snow Throwers, Riding Mowers, Walk ... - Troy-Bilt Troy-Bilt offer a wide selection of belts designed for all your outdoor power equipment needs. Whether you're looking for drive belts for your Snow Blower or deck belts for your Riding Lawn Mowers, you'll find them here.Use our Parts Diagram Tool to look up the belt for your Troy-Bilt or our Part Finder to make sure you're getting the right belt for your machine.

Page 23 of Troy-Bilt Lawn Mower LTX-2146 User Guide ...

Page 23 of Troy-Bilt Lawn Mower LTX-2146 User Guide ...

Troy Bilt 13AP609G063 LTX1842 (2003) Parts Diagrams Troy Bilt 13AP609G063 LTX1842 (2003) Parts Diagrams. Parts Lookup - Enter a part number or partial description to search for parts within this model. There are (405) parts used by this model. Use applicable flat washer in this application allowing .036/.018 (cross) or .010/.005 (double cross) end play. SPRING EXTENSION .

Troy-Bilt 13WX78KS011 Parts List and Diagram - (Bronco) (2011 ...

Troy-Bilt 13WX78KS011 Parts List and Diagram - (Bronco) (2011 ...

Lawn Mowers | Troy-Bilt US Walk-Behind Mowers. Starting At: $219. Our line of push and self-propelled, walk-behind lawn mowers are built to maintain lawns up to ½ an acre. They offer helpful features like the TriAction ® cutting system. Explore Walk-Behind Mowers.

troy bilt riding lawn mower drive belt replacement,New daily ...

troy bilt riding lawn mower drive belt replacement,New daily ...

FASE7073LW0 Frigidaire Dryer Parts & Repair Help - PartSelect WIRING DIAGRAM. Manuals & Care Guides for FASE7073LW0 Click to download . Install. Installation Instructions (2.24MB) Install. Installation Instructions (18.05MB) Manual. Owner's Manuals (2.6MB) Manual. Owner's Manuals (9.02MB) Wiring. Wiring Diagram (0.31MB) Parts for the FASE7073LW0 [Viewing 10 of 105] Keep searches simple, eg. "belt" or "pump". Door …

lawn - Hydrostatic mower drive belt - Troy Bilt Horse - Home ...

lawn - Hydrostatic mower drive belt - Troy Bilt Horse - Home ...

Drive Belt Diagram Troy Bilt Bronco - schematron.org Troy Bilt Bronco Drive Belt Diagram ~ thank you for visiting our site, this is images about troy bilt bronco drive belt diagram posted by Brenda Botha in Troy category on Nov 16, You can also find other images like wiring diagram, parts diagram, replacement parts, electrical diagram, repair manuals, engine diagram, engine scheme, wiring harness ...

954-04044A Riding Mower 50-inch Deck Belt Replacement for Troy-Bilt  17AF2ACP711 (2007) Mustang RZT 50

954-04044A Riding Mower 50-inch Deck Belt Replacement for Troy-Bilt 17AF2ACP711 (2007) Mustang RZT 50" Zero-Turn Mower - Compatible with 754-04044A ...

Troy Bilt 13WM77KS011 Pony (2015) Parts Diagram for Mower ... Troy Bilt 13WM77KS011 Pony (2015) Mower Deck 42-Inch Exploded View parts lookup by model. Complete exploded views of all the major manufacturers. It is EASY and FREE

Amazon.com: Belt for Troy Bilt Lawn Mower Replacement Deck ...

Amazon.com: Belt for Troy Bilt Lawn Mower Replacement Deck ...

Troy Bilt 46 Inch Riding Mower Belt Diagram - Diagram ... Rzt series tractor (72 pages). Snapper riding mower belt replacement diagram. I called troybilt to make sure the replacement belt was correct. Draw a diagram of how the belt routes around the pulleys on the mower deck. Fits lawn tractors and garden tractors with 46 inch decks, 2009 and prior. Gallery of Troy Bilt 46 Inch Riding Mower Belt Diagram

Troy Bilt 13WN77KS011 Pony (2011) Parts Diagram for Mower ...

Troy Bilt 13WN77KS011 Pony (2011) Parts Diagram for Mower ...

Snow Blower Auger Belt - 954-0430C | MTD Parts Fits Two-stage Snow Blowers with 22" - 28" Clearing Widths; For Troy-Bilt, Cub Cadet, MTD, Yard-Man, Huskee, Yard Machines and Bolens

Troy-Bilt 17ARCACQ211 Mustang 50 XP (2015) Mower Deck 50-Inch ...

Troy-Bilt 17ARCACQ211 Mustang 50 XP (2015) Mower Deck 50-Inch ...

Troy Bilt Horse Xp Drive Belt Diagram Troy Bilt 13WX79KT Horse XP () Mower Deck Parts Diagram. SWIPE SWIPE Drive & Rear Wheels . Deck Belt Cover $ They're more concerned with making it difficult for the belt to come off. of the small pulleys (#75 in the diagram) pivots and give you enough slack to fit the whole thing properly. On a Horse XP there is only one drive pulley.

How to replace a drive belt on a troy-bilt bronco lawn mower

How to replace a drive belt on a troy-bilt bronco lawn mower

Troy-Bilt LTX 2146 (13AT609H063) - Troy-Bilt Lawn Tractor ... Troy-Bilt repair parts and parts diagrams for Troy-Bilt LTX 2146 (13AT609H063) - Troy-Bilt Lawn Tractor (2003)

I have Troy Bilt Lawn Tractor - Bronco - How do I replace the ...

I have Troy Bilt Lawn Tractor - Bronco - How do I replace the ...

Troy Bilt Pony Belt Diagram - schemacheck.com Oct 21, · Troy Bilt Pony 42 Deck Belt Diagram. Lekan Oke October 21, Engines. The Troy Bilt Pony 42 deck belt is designed to connect the crankshaft to the lawn mower blade and cause them to turn. If you notice a problem with your mower blades or the deck belt, you might need the setup diagram to help you put things in order. Lookup Parts by ...

Troy-Bilt 34038 8hp (STD) 26

Troy-Bilt 34038 8hp (STD) 26" Cut (S/N 01**) High Wheel Mower ...

Troy Bilt 13AN77BS023 Pony 42 (2019) Parts Diagram for Deck

Troy Bilt 13AN77BS023 Pony 42 (2019) Parts Diagram for Deck

Replaces Troy Bilt Lawn Mower Model 13WN77KS011 42” Deck Deck ...

Replaces Troy Bilt Lawn Mower Model 13WN77KS011 42” Deck Deck ...

Storm 2660 Troy-Bilt Snow Blower - 31AM6BO3711 | MTD Parts

Storm 2660 Troy-Bilt Snow Blower - 31AM6BO3711 | MTD Parts

Troy Bilt Lawn Mower Belt Replacement Deck Drive Belt A94

Troy Bilt Lawn Mower Belt Replacement Deck Drive Belt A94

Page 28 of Troy-Bilt Lawn Mower TB2450 User Guide ...

Page 28 of Troy-Bilt Lawn Mower TB2450 User Guide ...

How To Tighten The Belt On A Troy-Bilt Riding Mower ...

How To Tighten The Belt On A Troy-Bilt Riding Mower ...

MTD Genuine Parts 50-in Deck/Drive Belt for Riding Mower ...

MTD Genuine Parts 50-in Deck/Drive Belt for Riding Mower ...

Troy bilt super bronco riding mower | Riding mower, Mower, Troy

Troy bilt super bronco riding mower | Riding mower, Mower, Troy

Troy-Bilt 13AAA2KW066 TB2454 (2015) Mower Deck 54-Inch ...

Troy-Bilt 13AAA2KW066 TB2454 (2015) Mower Deck 54-Inch ...

Troy-Bilt Bronco Lawn Tractor | 13AO77TG766 ...

Troy-Bilt Bronco Lawn Tractor | 13AO77TG766 ...

Troy-Bilt 13AV60KG011 Bronco (2009) Mowing Deck 42 Inch ...

Troy-Bilt 13AV60KG011 Bronco (2009) Mowing Deck 42 Inch ...

troy bilt riding mower blades will not fully disengage | Lawn ...

troy bilt riding mower blades will not fully disengage | Lawn ...

TROY-BILT LTX-2146 OPERATOR'S MANUAL Pdf Download | ManualsLib

TROY-BILT LTX-2146 OPERATOR'S MANUAL Pdf Download | ManualsLib

Riding Mower 50-inch Deck Belt - Original Equipment Genuine Part (OEM)

Riding Mower 50-inch Deck Belt - Original Equipment Genuine Part (OEM)

How to change the deck belt | Troy-Bilt riding lawn mower ...

How to change the deck belt | Troy-Bilt riding lawn mower ...

Troy-Bilt 13WV78KS011 Bronco '15 Lawn Tractor | PartsWarehouse

Troy-Bilt 13WV78KS011 Bronco '15 Lawn Tractor | PartsWarehouse

How to Replace the Blade Belt on a Troy-Bilt Pony Lawn Tractor (Part #  954-04060B)

How to Replace the Blade Belt on a Troy-Bilt Pony Lawn Tractor (Part # 954-04060B)

Troy Bilt 13WX79KT011 Horse XP (2011) Parts Diagram for Mower ...

Troy Bilt 13WX79KT011 Horse XP (2011) Parts Diagram for Mower ...

Troy bilt pony and deck belt keeps breaking - Fixya

Troy bilt pony and deck belt keeps breaking - Fixya

Poweka 754-04077 Replacement Belt 5/8

Poweka 754-04077 Replacement Belt 5/8"X134" Compatible with Cub-Cadet MTD Troy-Bilt Lawn Mower Tractor 954-04077, 954-04077A, Toro 112-0332 112-7376, ...

Troybilt 13AJ609G766 User Manual LAWN TRACTOR Manuals And ...

Troybilt 13AJ609G766 User Manual LAWN TRACTOR Manuals And ...

954-04122 Deck Belt Replacement for Troy-Bilt 13BX60KH011 ...

954-04122 Deck Belt Replacement for Troy-Bilt 13BX60KH011 ...

0 Response to "42 troy bilt lawn mower belt diagram"

Post a Comment

Iklan Atas Artikel

Iklan Tengah Artikel 1

Iklan Tengah Artikel 2

Iklan Bawah Artikel