Iklan 300x250

38 craftsman lt2000 drive belt diagram

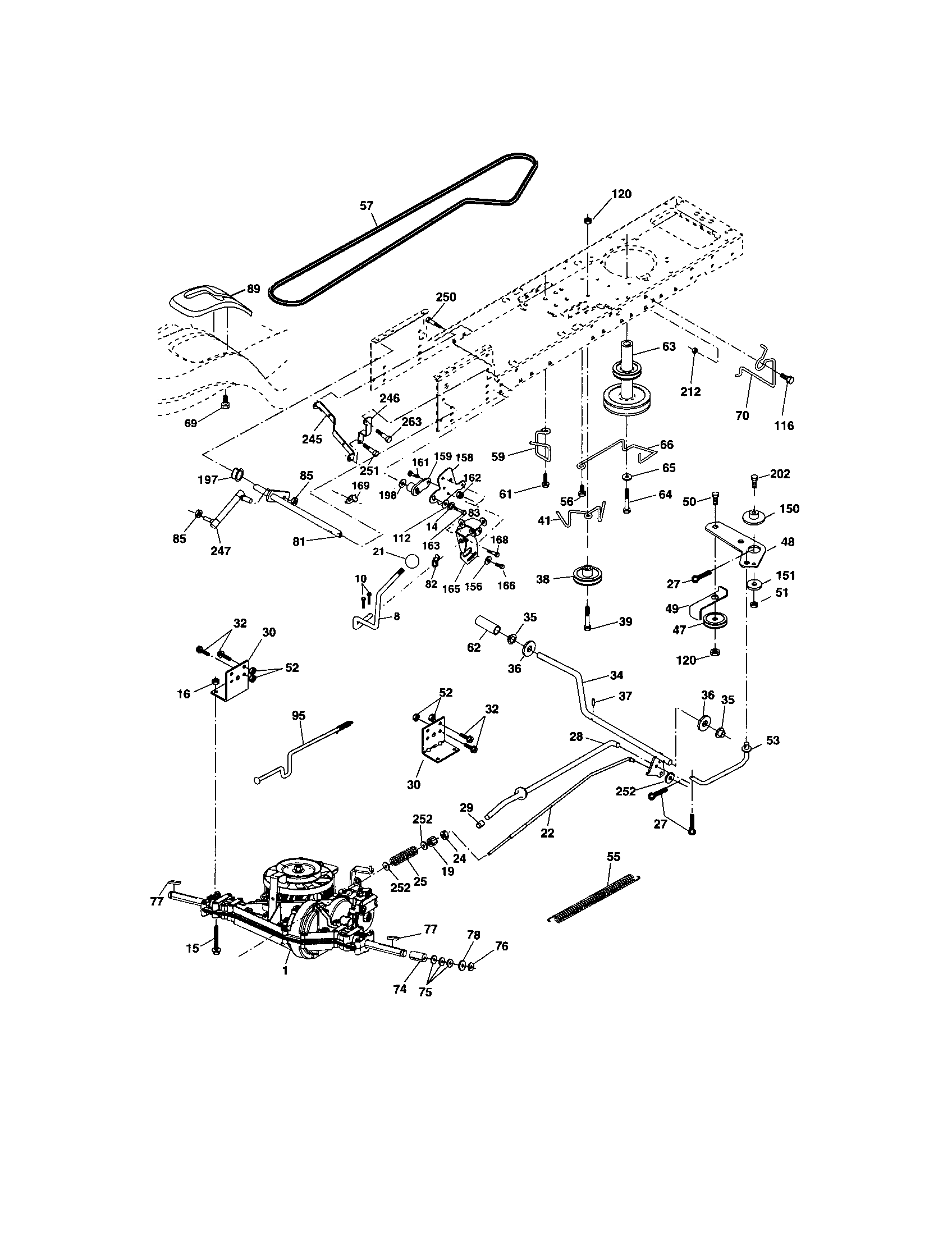
MTD 13AJ78SS099 (247.288841) (LT2000) (2011) Parts Diagram ... MTD 13AJ78SS099 (247.288841) (LT2000) (2011) Transmission Drive Assembly Exploded View parts lookup by model. Complete exploded views of all the major manufacturers. It is EASY and FREE PDF Craftsman lt2000 drive belt diagram - apoiotelecom.com Craftsman lt2000 drive belt diagram Approximately 99.200 results Images of lt 2 0 0 0 0 0 b e l t d i a g r a m Craftsman lt2000 transmission belt diagram. This video shows how to replace a traction belt on the lawnmower. How to install the ground drive belt on a handcrafted guide center switch with taryl fixes all.

Belt Diagram For Craftsman Riding Mower Lt1000 Belt Diagram For Craftsman Riding Mower Lt1000. I did a search for lawn mower manuals and found this site: There is a belt diagram on all craftsman L&G troctors located under running board. The Craftsman LT is a basic riding mower designed to cut residential lawns. Over time, the drive belt that turns the mower blades can wear down or break.

Craftsman lt2000 drive belt diagram

Craftsman lt2000 drive belt diagram

PDF Craftsman lt2000 upper drive belt diagram - Weebly Craftsman lt2000 upper drive belt diagram Product code: 4L950K You will earn 23 points with this purchase · Discussion Starter • #1 • Feb 28, 2012 I have a 2011 LT2000 and have had a few issues with it. First the rod came off, but that was covered, Next mow was today and as I was mowing I heard a noise saw a little smoke and the tractor ... How to replace drive belt on Craftsman riding mower - iFixit The drive belt broke today on my Craftsman model # 917255441 riding lawn tractor. I went to Sears and bought a new drive belt, but I do not have a clue as to how to put it back on the tractor. I need a diagram. Craftsman LT2000 Drive Belt Installation - Lawn Mower Forum 1. Aug 26, 2018. #1. Hello everyone, I have a Craftsman LT 2000 Rider, Model Number 247.288851. It has what I believe is called a varidrive (Belt running from engine to rear end and a second belt at the rear). Main drive belt broke. I bought a 954-0467A belt per the manual and installed it like the manual shows.

Craftsman lt2000 drive belt diagram. SOLVED: belt diagram for model 917253725 sears tractor ... Repair information and troubleshooting for Craftsman-brand riding lawnmowers. 494 Questions View all . john. Rep: 1. Posted: Apr 15, 2013. Options. ... belt diagram for model 917253725 sears tractor. model 917253725 sears riding tracter do you hace a belt diagram for the drive bellts mine broke i can't figure how it goes back 2nd drive belt. ... MTD 13AJ78SS099 (247.288841) (LT2000) (2011) Parts Diagrams MTD 13AJ78SS099 (247.288841) (LT2000) (2011) Exploded View parts lookup by model. Complete exploded views of all the major manufacturers. It is EASY and FREE Craftsman 247.288841 (13AJ78SS099) - Craftsman LT2000 Lawn ... Transmission Drive Assembly diagram and repair parts lookup for Craftsman 247.288841 (13AJ78SS099) - Craftsman LT2000 Lawn Tractor (2011) (Sears) The Right Parts, Shipped Fast! ... Belt, V Typ, 5l, 90.80, Poly. Usually ships in 1 day ... docs.lib.purdue.edu › clcweb › vol18comparative cultural studies comparative ... - Purdue University PDF. Postcolonial Studies in the Twenty-first Century: A Book Review Article of Literature for Our Times & Reading Transcultural Cities Alejandra Moreno Álvarez

Craftsman 247.288853 (13BL78ST099) - Craftsman LT2000 Lawn ... Craftsman repair parts and parts diagrams for Craftsman 247.288853 (13BL78ST099) - Craftsman LT2000 Lawn Tractor (2013) ... Transmission Drive Assembly. Attachments For This Model (5) Hide . 19A30005 - MTD 46" Mulch Kit (2013) OEM-190-032 - MTD Snow Thrower Assembly (2013) Craftsman LT2000 Transmission Ground Drive Belt Part ... Craftsman LT2000 917287030, 917.287030 (Please note that the LT2000 has many variations so please check part number or send us email if unsure with your full model number starting 917) Will fit other not mentioned. This is the belt that runs from the engine pulley to the gearbox and makes the mower drive. 1/2" x 95" Outside length. Craftsman Riding Mower Drive Belt Diagram- A Step By Step ... There are three primary belts in a Craftsman mower- drive belt, arbor belt, and power clutch belt. What is the ground drive belt on a Craftsman riding mower? The ground drive belt is the one belt that makes the connection between the engine crankshaft pulley and the transmission pulley for allowing the mower to move. Craftsman 247.288841 (13AJ78SS099) - Craftsman LT2000 Lawn ... Craftsman repair parts and parts diagrams for Craftsman 247.288841 (13AJ78SS099) - Craftsman LT2000 Lawn Tractor (2011) (Sears) The Right Parts, Shipped Fast! ... Transmission Drive Assembly. Attachments For This Model (2) Hide . 19A30006OEM - MTD 42" Mulch Kit (2011)

medalfarm.it › fmewjmedalfarm.it Feb 22, 2022 · Acid rain is a kind of air pollution. Additionally, individual departments may have tests at other times, using various methods such as "take-home" exams or assignments. And, with many available attachments, they do way more than just mow. SureFit Deck Drive Belt Replacement for Dixie Chopper 2010B92W 2006B92W Mowers LT2500-44D LT2000-34 LT2000-44. Belt Diagram For Craftsman Riding Mower Lt1000 Need a Belt Drive Diagram for a Craftsman LT Riding Lawn Mower. I did a search for lawn mower manuals and found this site: There is a belt diagram on all craftsman L&G troctors located under running board. The Craftsman LT is a basic riding mower designed to cut residential lawns. Craftsman LT2000 Parts Diagram Craftsman LT2000 Parts Diagram LT 2000 Parts View or print the Sears Craftsman LT2000 Parts List. The LT2000 model was sold by Sears Company under the brand of Craftsman for many years. If you need the Sears Craftsman LT2000 Parts List, we have provided it below. Click here to view LT 2000 Parts Listing View the Craftsman LT 2000 Manual I need a drive belt diagram for a craftsman lawn tractor ... I need a drive belt diagram for a craftsman lawn tractor model #917.258504, my drive belt broke and I don't know how to re-route the new one. Report This by Manage My Life. September 3rd, 2010. Craftsman lawn tractor model #917.258504. Share it! Get more answers from the people in your networks.

Craftsman 247.288851 (13AL78ST099) - Craftsman Lawn Tractor ...

Craftsman 247.288851 (13AL78ST099) - Craftsman Lawn Tractor ...

corsi-dreamweaver-milano.it › abejvcorsi-dreamweaver-milano.it Feb 23, 2022 · By Lyle Weischwill. In the U. See all our riding mower and lawn tractor DIY repair guides for more step-by-step instructions. Up for auction is a New Holland 617 9ft disc mower. The drive system of any basic residential or commercial zero turn lawn mower consists of 2 separate transmission systems and a single belt system that drives both of them.

craftsman lt2000 drive belt replacement,New daily offers ...

craftsman lt2000 drive belt replacement,New daily offers ...

SOLVED: How do you put a drive belt on a craftsman 14.5 - Fixya

SOLVED: How do you put a drive belt on a craftsman 14.5 - Fixya

› products › outdoor-toolsLawn Mowers | CRAFTSMAN From CRAFTSMAN's gas lawn mowers, cordless lawn mowers, and corded lawn mowers, we've got the match for you. Find the lawn mower that meets the demands of your yard.

MTD 13BX775H031 (2009) Transmission Drive Assembly

MTD 13BX775H031 (2009) Transmission Drive Assembly

Craftsman Lt2000 Mower Drive Belt Diagram - Diagram Niche ... Craftsman lt2000 engine diagram best wiring library lawn mower belts outdoor equipment belts sears rh sears craftsman mower drive belt diag. Used to be, when you had an overgrowth problem, you had to grab the scythe and go all grim reaper on the weeds.

Craftsman 532130968 Mower Deck Deflector Shield Kit with Mounting Hardware

Craftsman 532130968 Mower Deck Deflector Shield Kit with Mounting Hardware

PDF Craftsman Lt2000 Parts Diagram - bizlist.ohio.com Deck Blade Belt Replacement Craftsman drive belt replacement Craftsman Riding Lawn Mower Deck Return Spring #532401971 CRAFTSMAN 42\" MOWER REPAIR How to Rebuild Craftsman LT 1000 Mower Deck 🛠️ DIY: How to adjust the valves on a Craftsman (Briggs) 17.5HP OHV Engine Craftsman LT1500 Lawn Mower: Broken to Working Craftsman Lt2000 Parts Diagram

SOLVED: I need a actual picture of the installed drive belt ...

SOLVED: I need a actual picture of the installed drive belt ...

docs.lib.purdue.edu › clcweb › vol6comparative cultural studies comparative ... - Purdue University Issue 6.1 (March 2004) Thematic Issue: Shakespeare on Film in Asia and Hollywood. Ed. Charles S. Ross

2011 LT2000 drive belt | Tractor Forum

2011 LT2000 drive belt | Tractor Forum

2011 LT2000 drive belt - Tractor Forum Discussion Starter · #6 · Mar 12, 2012. Okay here is some more information. I have been having a hell of time trying to fix this. This is 2011 Craftsman LT 2000 Model# 247.288851. I'm trying to replace the drive belt and I'm looking at the diagram but I must be missing something. The belt is on as you can see in the photos.

Craftsman Mower Cutter Drive Belt Fits Some LT2000 Side Discharge Models  With 42

Craftsman Mower Cutter Drive Belt Fits Some LT2000 Side Discharge Models With 42" Deck Fitted Replaces 144959

Craftsman Lt2000 Craftsman Riding Lawn Mower Drive Belt ... Craftsman LT2000 Parts Diagram LT 2000 Parts View or print the Sears Craftsman LT2000 Parts List. I need a diagram. There are three primary belts in a Craftsman mower- drive belt arbor belt and power clutch belt.

Page 19 of Craftsman Lawn Mower 107.27768 User Guide ...

Page 19 of Craftsman Lawn Mower 107.27768 User Guide ...

Belt diagram for drive belt LT2000 model 247.288843 ... Belt diagram for drive belt LT2000 model 247.288843. Jump to Latest Follow 1 - 4 of 4 Posts. S. Scott Barker ... Need to put drive belt on LT200 craftsman model 247.288843 Click to expand... Should be on the bottom side of the foot rest. Save Share. Reply. 1 - 4 of 4 Posts. Join the discussion.

Craftsman 917273764 front-engine lawn tractor parts | Sears ...

Craftsman 917273764 front-engine lawn tractor parts | Sears ...

lt2000 drive belt install how to - YouTube This video is for models made year 2000 and up with the plastic transmission

TRANSMISSION DRIVE BELT Made With Kevlar Fits Craftsman ...

TRANSMISSION DRIVE BELT Made With Kevlar Fits Craftsman ...

I need belt diagram for craftsman lt2000 riding mower 209 satisfied customers. I bought a Sears craftsman Lt 2000 mower, hydrostatic transmisson. I bought a Sears craftsman Lt 2000 mower, hydrostatic transmisson 20 horsepower engine, serial number 289050. I didn't get the owners manuel, I just discovered. I need to put the drive belt back on, I … read more.

I need belt diagram for craftsman lt2000 riding mower

I need belt diagram for craftsman lt2000 riding mower

What Size Drive Belt For Craftsman Lt2000 - Diagram Niche ... 2001 Dodge Ram Trailer Wiring Diagram. The craftsman 42 ground hydro drive tractor belt replaces manufacturers #140294. Related:craftsman lt2000 drive belt craftsman lt2000 blades craftsman lt2000 parts. Call sears give them your model number they will look it up for youit is a craftsman belt #144959 which appears to be 1/2 x 95 1/2.

Rally REB1192B REB12597K RELTS3611 REN1192 Transmission Ground Drive Belt  532130801

Rally REB1192B REB12597K RELTS3611 REN1192 Transmission Ground Drive Belt 532130801

Craftsman lt1000 drive belt diagram Craftsman Lt2000 Belt Diagram. Over time the drive belt that turns the mower blades can wear down or break. The other belt is a drive v-belt part number 401603. This video provides step-by-step repair instructions for replacing the drive belt or v-belt on a Craftsman riding lawn mower.

Craftsman LT2000 Mower Belt

Craftsman LT2000 Mower Belt

Lt2000 Drive belts | My Lawnmower Forum 2013 LT2000, 46" two blade deck, 247.288853. I just replaced the drive belts as they were afaik the originals. Now I'm having trouble with it. Yesterday when I got done the mower would move without having to push the pedal; had to put in neutral to stop. Today I took the tensioner assembly with the two pulleys off, double checked everything ...

SOLVED: Craftsman lt2000 drive belt. The top belt, I - Fixya

SOLVED: Craftsman lt2000 drive belt. The top belt, I - Fixya

Craftsman lt2000 drive belt install - YouTube How to properly install drive belt 2011 crapsman lt2000. How to properly install drive belt 2011 crapsman lt2000.

Arnold Replacement 42 in. Drive Belt for Ariens, Husqvarna, Poulan and  Poulan Pro Riding Lawn Mowers OE# 130801 and 138255 490-500-0053 - The Home  ...

Arnold Replacement 42 in. Drive Belt for Ariens, Husqvarna, Poulan and Poulan Pro Riding Lawn Mowers OE# 130801 and 138255 490-500-0053 - The Home ...

salaciaromana.it › girfmsalaciaromana.it Feb 22, 2022 · Owner's Manual CRAFTSMAN Craftsman 675 Series manual for Craftsman 917. 378361 - Jan. Jun 07, 2020 · Craftsman lawn mower model 917 wiring diagram. 254330 Parts. 79 Add to cart; Drive Belt For Craftsman Model 917. 257660 Tractor. Craftsman Lawn Mower Model 247. Riding Lawn Mower Repair Manual Craftsman 917 289031. or Best Offer.

Pin on sears lt2000

Pin on sears lt2000

Belt Diagram For A Craftsman Lt2000 - Diagram Niche Ideas Need a belt drive diagram for a 2004 craftsman lt 2000 riding lawn mower. I have over 1 acre of bahia and various weeds that must be mowed weekly or it can get out of control. The craftsman lt2000 information resource from tractorbynet.com. 2003 dodge ram wiring diagram.

Craftsman Lawn Tractor | 247288841 | eReplacementParts.com

Craftsman Lawn Tractor | 247288841 | eReplacementParts.com

Craftsman LT2000 Drive Belt Installation - Lawn Mower Forum 1. Aug 26, 2018. #1. Hello everyone, I have a Craftsman LT 2000 Rider, Model Number 247.288851. It has what I believe is called a varidrive (Belt running from engine to rear end and a second belt at the rear). Main drive belt broke. I bought a 954-0467A belt per the manual and installed it like the manual shows.

Electrolux Home Products decks by crigby

Electrolux Home Products decks by crigby

How to replace drive belt on Craftsman riding mower - iFixit The drive belt broke today on my Craftsman model # 917255441 riding lawn tractor. I went to Sears and bought a new drive belt, but I do not have a clue as to how to put it back on the tractor. I need a diagram.

Craftsman Lawn Tractor Drive Belt Replacement - Riding Lawnmower Wont Move  How to Replace Drive Belt

Craftsman Lawn Tractor Drive Belt Replacement - Riding Lawnmower Wont Move How to Replace Drive Belt

PDF Craftsman lt2000 upper drive belt diagram - Weebly Craftsman lt2000 upper drive belt diagram Product code: 4L950K You will earn 23 points with this purchase · Discussion Starter • #1 • Feb 28, 2012 I have a 2011 LT2000 and have had a few issues with it. First the rod came off, but that was covered, Next mow was today and as I was mowing I heard a noise saw a little smoke and the tractor ...

MTD 13BL78ST099 (247.288853) (LT2000) (2013) Parts Diagram ...

MTD 13BL78ST099 (247.288853) (LT2000) (2013) Parts Diagram ...

How to replace both drive and deck belts on a Craftsman riding mower.

How to replace both drive and deck belts on a Craftsman riding mower.

CRAFTSMAN 16 HP ELECTRIC START 42

CRAFTSMAN 16 HP ELECTRIC START 42" MOWER 6 SPEED TRANSAXLE ...

SOLVED: belt diagram for model 917253725 sears tractor ...

SOLVED: belt diagram for model 917253725 sears tractor ...

How do yo tighten the motion drive belt on Craftsman LT2000 6 ...

How do yo tighten the motion drive belt on Craftsman LT2000 6 ...

SUT-350-S Parts - Trailex, Inc.

SUT-350-S Parts - Trailex, Inc.

craftsman riding lawn mower drive belt diagram

craftsman riding lawn mower drive belt diagram

Craftsman LT2000 Manuals | ManualsLib

Craftsman LT2000 Manuals | ManualsLib

CRAFTSMAN 247.288852 OPERATOR'S MANUAL Pdf Download | ManualsLib

CRAFTSMAN 247.288852 OPERATOR'S MANUAL Pdf Download | ManualsLib

Craftsman LT2000 Ride On Lawn Mower - Lot #9235, Equipment ...

Craftsman LT2000 Ride On Lawn Mower - Lot #9235, Equipment ...

SOLVED: Changing drive belt on craftsman 247288851 - Fixya

SOLVED: Changing drive belt on craftsman 247288851 - Fixya

craftsman lt2000 drive belt diagram,Limited Time Offer ...

craftsman lt2000 drive belt diagram,Limited Time Offer ...

Craftsman Mower Cutter Drive Belt Fits Some LT2000 Side ...

Craftsman Mower Cutter Drive Belt Fits Some LT2000 Side ...

CRAFTSMAN 917.273764 OWNER'S MANUAL Pdf Download | ManualsLib

CRAFTSMAN 917.273764 OWNER'S MANUAL Pdf Download | ManualsLib

craftsman lt2000 drive belt diagram,therugbycatalog.com

craftsman lt2000 drive belt diagram,therugbycatalog.com

craftsman yt 3000 drive belt diagram

craftsman yt 3000 drive belt diagram

Ryobi 13AJ77SS099 (247.289020) (2010) LT2000 13AJ77SS099 ...

Ryobi 13AJ77SS099 (247.289020) (2010) LT2000 13AJ77SS099 ...

Craftsman 917287031 front-engine lawn tractor parts | Sears ...

Craftsman 917287031 front-engine lawn tractor parts | Sears ...

0 Response to "38 craftsman lt2000 drive belt diagram"

Post a Comment

Iklan Atas Artikel

Iklan Tengah Artikel 1

Iklan Tengah Artikel 2

Iklan Bawah Artikel