Iklan 300x250

39 homelite weed eater parts diagram

Homelite Z625CD-UT20617-A gas line trimmer parts | Sears ... Homelite Z625CD-UT20617-A gas line trimmer parts - manufacturer-approved parts for a proper fit every time! We also have installation guides, diagrams and manuals to help you along the way! Homelite UT-41113 - Homelite String Trimmer/Edger Parts ... UT-41113 - Homelite String Trimmer/EdgerParts & DiagramsParts Lists & Diagrams. UT-41113 - Homelite String Trimmer/Edger.

Service & Support - Homelite Also, every Homelite product comes with a parts repair sheet. Locate yours with the original documentation that came with the product, or you can download the repair sheet from the operator's manual section of the website. Operator's Manuals. Data Plate on Product.

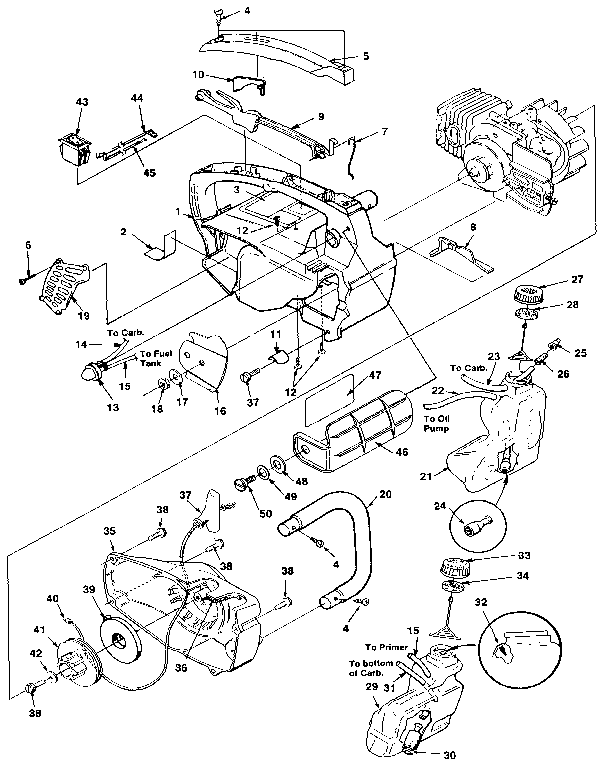
Homelite weed eater parts diagram

Homelite weed eater parts diagram

Homelite Ut-21546 Parts List And Diagram ... homelite weed eater parts diagram is among the pics we found on the net from reliable resources. We attempt to discuss this homelite weed eater parts diagram pic on this page just because according to information coming from Google engine, It really is one of the top rated searches key word on google. UT-20046 - Homelite String Trimmer Parts & Diagrams Parts ... UT-20046 - Homelite String Trimmer Parts & Diagrams Parts Lists & Diagrams. String Trimmer. Recommended Parts Show $ $ $ UT-20046 - Homelite String Trimmer > Parts Diagrams (3) Hide . Figure A. Figure B. Figure C. The Right Parts, Shipped Fast! Proudly Accepting Follow us on: ... Homelite 26CC String Trimmer - e Replacement Parts The tool is simply called a carburetor adjustment tool, they are not generally expensive $5-$20. We are showing all the Homelite brand adjustment tools have been discontinued. You may be able to purchase one or, a set at your local hardware store. You could also call Homelite at 800-242-4672 to see if they have any recommendations.

Homelite weed eater parts diagram. Product Owner's Manuals - Homelite 16122: Bumper Spike Kit: 16122.pdf: 2002-08-13: 16151a: Edger Guide: 16151a.pdf: 2002-03-06: a07069aa: Gutter Maintenance Kit: A07069AA_19591a.pdf: 2000-02-09: aho4110 Homelite ST-145 gas line trimmer parts | Sears PartsDirect Homelite ST-145 gas line trimmer parts - manufacturer-approved parts for a proper fit every time! We also have installation guides, diagrams and manuals to help you along the way! Homelite 26cc String Trimmer - e Replacement Parts Use our part lists, interactive diagrams, accessories and expert repair advice to make your repairs easy. Please note shipping times may be longer than expected due to carrier delays. 877-346-4814 ... Repair Parts Home Lawn Equipment Parts Homelite Parts Homelite Trimmer Parts Homelite UT33600 26cc String Trimmer Parts. Homelite line trimmer parts | Sears PartsDirect Homelite line trimmers help you get your lawn care chores done quickly. With powerful engines and precision cutting heads, Homelite line trimmers easily tackle edging and weed eating tasks in your yard. When your Homelite line trimmer isn't working as it should, rely on Sears PartsDirect to have the replacement parts you need to fix the problem.

PDF Homelite ST-145, ST-155, ST-175, ST-175C, ST-185, ST-285 ... homelite string trimmers parts list models: st-145, st-155, st-175 st-175c, st-185, st-285, st-385, st-485 homellte 0t textron inc . 24 26 toggle switch to switch 16 lead 90 15 62 63 55 18 45 to 72 module 82 29 79 47 48 30 80 83 22 24 26 23 25 28 31 34 42 39 78 44 57 87 85 84 11 13 12 to Homelite 26cc String Trimmer - e Replacement Parts Use our part lists, interactive diagrams, accessories and expert repair advice to make your repairs easy. Please note shipping times may be longer than expected due to carrier delays. 877-346-4814 ... Repair Parts Home Lawn Equipment Parts Homelite Parts Homelite Trimmer Parts Homelite UT22600 26cc String TrimmerParts. Homelite UT-21506 - Homelite Mightylite String Trimmer ... Figure A diagram and repair parts lookup for Homelite UT-21506 - Homelite Mightylite String Trimmer Homelite UT20763 gas line trimmer parts | Sears PartsDirect Homelite UT20763 gas line trimmer parts - manufacturer-approved parts for a proper fit every time! We also have installation guides, diagrams and manuals to help you along the way!

PDF Diagram(s) and/or PartsList(s) - K&T Parts House Lawn ... SX135 String Trimmer UT-20601-A Page 1 of 12 Boom, Handles & Head For Homelite Discount Parts Call 606-678-9623 or 606-561-4983 UT-20811 - Homelite Versa Tool String Trimmer Parts ... Homelite repair parts and parts diagrams for Homelite UT-20811 - Homelite Versa Tool String Trimmer Homelite Chainsaws Parts with Diagrams - PartsTree Homelite Chainsaws parts with OEM Homelite parts diagrams to find Homelite Chainsaws repair parts quickly and easily. ... Homelite Chainsaws Parts Lookup & Diagrams Homelite Chainsaws Parts Lookup & Diagrams Homelite Chainsaws ( 528 Models ) 150 (UT-10432) - Homelite Chainsaw. Homelite Weed Eater Parts Diagram | Automotive Parts ... Description: Homelite Ut-20778 Parts List And Diagram : Ereplacementparts with regard to Homelite Weed Eater Parts Diagram, image size 590 X 575 px, and to view image details please click the image.. Here is a picture gallery about homelite weed eater parts diagram complete with the description of the image, please find the image you need.

Homelite UT33650 26cc String Trimmer Parts Diagram for ...

Homelite UT33650 26cc String Trimmer Parts Diagram for ...

Homelite Trimmer Parts | Fast Shipping - e Replacement Parts Homelite Trimmer parts that fit, straight from the manufacturer. Use our interactive diagrams, accessories, and expert repair help to fix your Homelite Trimmer . Please note shipping times may be longer than expected due to carrier delays. 877-346-4814. Departments ...

Homelite UT22600 26cc String Trimmer Parts Diagrams

Homelite UT22600 26cc String Trimmer Parts Diagrams

Homelite UT33650 26cc String Trimmer Parts Diagrams Homelite UT33650 26cc String Trimmer Parts Diagrams. Parts Lookup - Enter a part number or partial description to search for parts within this model. There are (220) parts used by this model.

Curved Shaft String Trimmer (UT33600) – Homelite

Curved Shaft String Trimmer (UT33600) – Homelite

Homelite String Trimmers Parts Lookup by Model Homelite String Trimmers Exploded View parts lookup by model. Complete exploded views of all the major manufacturers. ... Homelite String Trimmers Parts Diagrams 15" Line Trimmer UT-41002. ... Trim and Edge Plus String Trimmer UT-20694 20694-UT Trim and Edge Plus String Trimmer UT-20694 Trim and Edge Plus String Trimmer.

Hipa 984534001 Carburetor Air Filter Tune Up Kit for Homelite UT20749  UT20758 UT20769 UT20785 UT20778 UT20750 UT20781 UT20748 UT20771 UT20819  UT20820 ...

Hipa 984534001 Carburetor Air Filter Tune Up Kit for Homelite UT20749 UT20758 UT20769 UT20785 UT20778 UT20750 UT20781 UT20748 UT20771 UT20819 UT20820 ...

Old Obsolete Homelite Parts Your source for Obsolete ... We offer Old Obsolete Homelite chainsaw parts and Old obsolete Homelite trimmer parts and some old pump parts at discount prices. We also have Vintage Old Obsolete Homelite parts Obsolete Vintage Homelite chainsaw parts are better quality than most plastic items out there today we offer Homelite Super xl and Homelite xl12 chainsaw parts here on ...

Shindaiwa F195S Illustrated Parts Diagrams Online | Lawnmower ...

Shindaiwa F195S Illustrated Parts Diagrams Online | Lawnmower ...

Homelite Mightylite String Trimmer - e Replacement Parts Repair Parts Home Lawn Equipment Parts Homelite Parts Homelite Trimmer Parts Homelite UT-21546 Mightylite String Trimmer Parts. ... I don't know why the part is not identified on the parts diagram. The Stringhead Adapter you are looking for is part number 678019002. Hope this helps,-WJA Question: Ut21546 Starter Housing Assy.

Homelite String Trimmer | SX135 | eReplacementParts.com

Homelite String Trimmer | SX135 | eReplacementParts.com

Homelite UT22650 26cc String Trimmer Parts Diagrams Homelite UT22650 26cc String Trimmer Parts Diagrams. Jacks works best with JavaScript enabled Learn More. Loading ... JACKS SMALL ENGINES HAS JOINED THE NORTHERN TOOL FAMILY! Learn More ». Order Status. Get Support. 1-877-737-2787. Hours of Operation.

Homelite 26cc Mightyliite String Trimmer | UT-21947 ...

Homelite 26cc Mightyliite String Trimmer | UT-21947 ...

Homelite ST-80, ST-100, ST-120 String Trimmer Parts Parts Diagrams Homelite Literature & Information Contact Blog Leon's Personal Collection Repair & Tip Videos Homelite Chainsaw Restoration ... NOS Homelite ST-120 String Trimmer Walbro WA-43A Carburetor Overhaul Kit 94549-B $4.99 $4.99 NOS Homelite 240, 245, CS-3916, ST-120 Chainsaw & String Trimmer Vibration Isolator Washer 95249 ...

Homelite UT33600 26cc String Trimmer Parts and Accessories ...

Homelite UT33600 26cc String Trimmer Parts and Accessories ...

Homelite TrimLite String Trimmer UT-20706 Parts Diagrams Help with Jack's Parts Lookup Homelite TrimLite String Trimmer UT-20706 Parts Diagrams Carburetor - Fuel Tank Engine Internal Ignition - Rotor - Starter Muffler - Air Cleaner Shaft - Spool & String - Grass Deflector JavaScript Disabled - Unable to show Cart There are (83) parts used by this model. Found on Diagram: Carburetor - Fuel Tank 06900A

NOS Homelite ST-155, ST-175, ST-185, ST-275, ST-285 String ...

NOS Homelite ST-155, ST-175, ST-185, ST-275, ST-285 String ...

Homelite Ut32651 Parts List And Diagram ... homelite weed eater parts diagram is among the most photos we discovered on the net from reputable resources. We attempt to explore this homelite weed eater parts diagram image in this post just because based on info coming from Google search engine, It really is one of many top rated queries keyword on the internet.

Homelite ST 70 (UT-21524) - Homelite Electric String Trimmer ...

Homelite ST 70 (UT-21524) - Homelite Electric String Trimmer ...

Homelite ST-185 gas line trimmer parts | Sears PartsDirect Homelite ST-185 gas line trimmer parts - manufacturer-approved parts for a proper fit every time! We also have installation guides, diagrams and manuals to help you along the way!

Sears PartsDirect

Sears PartsDirect

Straight Shaft String Trimmer (UT33650) - Homelite Features. Powerful 2 Cycle low emission engine. New Quick-Fire™ Carburetor for faster/easier starting. Improved Starter System with clutch - reduces pull effort. 17" cutting swath. Reel-Easy™ Dual Line Bump Feed String Head.

Homelite D 825 CDP (UT-20705) - Homelite String Trimmer ...

Homelite D 825 CDP (UT-20705) - Homelite String Trimmer ...

Homelite 26CC String Trimmer - e Replacement Parts The tool is simply called a carburetor adjustment tool, they are not generally expensive $5-$20. We are showing all the Homelite brand adjustment tools have been discontinued. You may be able to purchase one or, a set at your local hardware store. You could also call Homelite at 800-242-4672 to see if they have any recommendations.

Homelite 25cc String Trimmer | UT20006 | eReplacementParts.com

Homelite 25cc String Trimmer | UT20006 | eReplacementParts.com

UT-20046 - Homelite String Trimmer Parts & Diagrams Parts ... UT-20046 - Homelite String Trimmer Parts & Diagrams Parts Lists & Diagrams. String Trimmer. Recommended Parts Show $ $ $ UT-20046 - Homelite String Trimmer > Parts Diagrams (3) Hide . Figure A. Figure B. Figure C. The Right Parts, Shipped Fast! Proudly Accepting Follow us on: ...

SOLVED: Diagram for fuel lines on 25cc homelite ut20811b - Fixya

SOLVED: Diagram for fuel lines on 25cc homelite ut20811b - Fixya

Homelite Ut-21546 Parts List And Diagram ... homelite weed eater parts diagram is among the pics we found on the net from reliable resources. We attempt to discuss this homelite weed eater parts diagram pic on this page just because according to information coming from Google engine, It really is one of the top rated searches key word on google.

Homelite String Trimmer Parts Manual Trim N' Edge String ...

Homelite String Trimmer Parts Manual Trim N' Edge String ...

Homelite UT41112 String Trimmer Parts and Accessories ...

Homelite UT41112 String Trimmer Parts and Accessories ...

Homelite ST 275 (UT-20594-B) - Homelite String Trimmer ...

Homelite ST 275 (UT-20594-B) - Homelite String Trimmer ...

Homelite ST185 String Trimmer UT-15044 Parts and Accessories ...

Homelite ST185 String Trimmer UT-15044 Parts and Accessories ...

Diagram(s) and/or PartsList(s)

Diagram(s) and/or PartsList(s)

Diagram(s) and/or PartsList(s)

Diagram(s) and/or PartsList(s)

Homelite UT32651A 26cc String Trimmer Parts Diagrams

Homelite UT32651A 26cc String Trimmer Parts Diagrams

Homelite Zip Start Trimmer | UT20827 | eReplacementParts.com

Homelite Zip Start Trimmer | UT20827 | eReplacementParts.com

FUEL LINE Repair on Homelite SX135 Bandit Weed Wacker

FUEL LINE Repair on Homelite SX135 Bandit Weed Wacker

Diagram And/or PartsList !! Homelite String Trimmer Parts ...

Diagram And/or PartsList !! Homelite String Trimmer Parts ...

Homelite UT22600 26cc String Trimmer Parts Diagrams

Homelite UT22600 26cc String Trimmer Parts Diagrams

Homelite Zama Carb Blower Quality Ryan IDC Carburetor Rebuild ...

Homelite Zama Carb Blower Quality Ryan IDC Carburetor Rebuild ...

Homelite UT33650 26cc String Trimmer Mfg. No. 090330012 (REV ...

Homelite UT33650 26cc String Trimmer Mfg. No. 090330012 (REV ...

Homelite String Trimmer | ST185 | eReplacementParts.com

Homelite String Trimmer | ST185 | eReplacementParts.com

Homelite XL gas chainsaw parts | Sears PartsDirect

Homelite XL gas chainsaw parts | Sears PartsDirect

Homelite 25cc String Trimmers | UT20044B | eReplacementParts.com

Homelite 25cc String Trimmers | UT20044B | eReplacementParts.com

Homelite UT-21947 - Homelite Mightylite String Trimmer Parts ...

Homelite UT-21947 - Homelite Mightylite String Trimmer Parts ...

Homelite RY30000 30cc String Trimmer Parts Diagram for Lower ...

Homelite RY30000 30cc String Trimmer Parts Diagram for Lower ...

Diagram And/or PartsList F2020 Homelite String Trimmer Parts ...

Diagram And/or PartsList F2020 Homelite String Trimmer Parts ...

Homelite PBC 4000 (UT-15069-B) - Homelite String Trimmer ...

Homelite PBC 4000 (UT-15069-B) - Homelite String Trimmer ...

Homelite UT33650 26cc String Trimmer Parts Diagrams

Homelite UT33650 26cc String Trimmer Parts Diagrams

Amazon.com : Ryobi AC04122 Primer Bulb and Fuel Line Kit for ...

Amazon.com : Ryobi AC04122 Primer Bulb and Fuel Line Kit for ...

Reqiure Parts For Old Homelite Weedeater

Reqiure Parts For Old Homelite Weedeater

Homelite UT21044 26cc Mightylite String Trimmer Parts Diagrams

Homelite UT21044 26cc Mightylite String Trimmer Parts Diagrams

Homelite z725cdv String Trimmer UT-20623 Parts and ...

Homelite z725cdv String Trimmer UT-20623 Parts and ...

0 Response to "39 homelite weed eater parts diagram"

Post a Comment

Iklan Atas Artikel

Iklan Tengah Artikel 1

Iklan Tengah Artikel 2

Iklan Bawah Artikel