Iklan 300x250

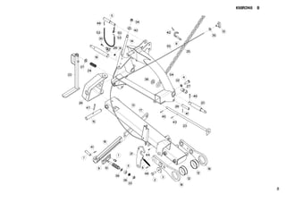
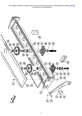
40 kuhn gmd 600 parts diagram

Falciatrici Kuhn gmd-600 usate e nuove in vendita - Agriaffaires Kuhn GMD 600 GII. 3. Hai nascosto l'annuncio. Kuhn Disc Mower Parts Diagram - Wiring Site Resource Find all available kuhn parts. With kuhn genuine spare parts you can get on with your work with your mind at easediscover the reasons. Kuhn fc55 discdrum mower parts kuhn gmd33 discdrum mower parts kuhn gmd600g2 discdrum mower parts get assistance and advice from our parts specialists.

Kuhn GMD 600 outer tall disc - New & Used Parts | Heavy Equipment... Construction, Agricultural and Heavy Equipment Parts both new and used available from trusted machinery parts suppliers throughout the world. UrParts is a global part sourcing website. This is just one example from a buyer in Ireland who was looking for parts. Kuhn GMD 600.

Kuhn gmd 600 parts diagram

Kuhn gmd 600 parts diagram

Kuhn parts | Vintage & Modern Tractor Parts and Accessories Buy Kuhn Parts and a massive range of tractor replacement spare parts & accessories. Fast UK and worldwide delivery. Search for diagrams by make, model and application. Identify where your part goes. Match related parts. Ensure the part fits your tractor make and model. Kuhn GMD 600 GII Specifications & Technical Data (2010-2014) Get spare parts for Kuhn GMD 600 GII easily from our partners. Inquire the spare part you need from our partners with a few easy steps and choose the best quote. Wether you are a dealer or an operator, LECTURA can lead you to the right direction. Order the Rear-mounted mowers - disc without... 225 Yanmar Service Manuals Free Download - Truck manual, wiring... Yanmar Excavator B03 Electrical Wiring Diagrams + Parts Catalog. Yanmar 1GM, 2GM, 3GMD, 3HM Diesel Engine. Adobe Acrobat Document 1.4 MB. Download. CASE STX Steiger 350/400/450/500/550/600 Fault Codes list.

Kuhn gmd 600 parts diagram. KUHN Other Heavy Equipment Parts & Accessories, Parts, and... Driveline PTO Shaft Assembly Fits Kuhn Land Pride Fits Toro Universal Universal (264791987204). View the parts e-catalog | KUHN KUHN PARTSUnmatched Service from KUHN to you. With Genuine KUHN Parts, you can be sure that you're investing in quality... Click the link below to sign in to your existing MyKUHN account or create an account to view the parts catalogs for any of your KUHN machines. KUHN GMD 600 G II Manuals and User Guides, Farm Equipment... View online or download 1 Manuals for KUHN GMD 600 G II. Besides, it's possible to examine each page of the guide singly by using the scroll bar. User Manuals, Guides and Specifications for your KUHN GMD 600 G II Farm Equipment. KUHN | Agricultural Machinery Manufacturer KUHN PARTS Unmatched Service from KUHN to you. With Genuine KUHN Parts, you can be sure that you're investing in quality... Read more about KUHN Parts. A wide choice of agricultural machinery. Agricultural requirements are constantly changing and the demand for quality products...

KUHN GMD600 Farm Equipment For Sale - 21... | TractorHouse.com Kuhn GMD 600. 8' cutting width 3pt disc mower. This 2002 Kuhn GMD600HD disc mower is in stock at Baker & Sons Equipment in Lewisville, Ohio. Режущий механизм для Kuhn GMD 600/ 700 Привод диска косилки для Kuhn GMD 600/ 700. Kuhn GMD600-GMD700 multidisc mower - PartCatalogs.net - all the... Kuhn GMD600-GMD700 multidisc mower. June 15, 2017 June 15, 2017. Agri Parts Catalogs, Kuhn catalog, Kuhn, online, parts. KUHN GMD 600 Manual, KUHN Lawn Mower GMD... | Guidessimo.com Kuhn gmd 600 - 25 - parking the machine before attempting to lower the parking stand, raise the cutterbar KUHN GMD 600 - 11 - ASSEMBLY To facilitate shipping of the GMD 600 and 700 disc mowers, certain parts or assemblies are partially disassembled to reduce bulk.

Kuhn Gmd 600 Parts Diagram - Free Catalogs A to Z License Kuhn Gmd 600 Parts Keygen Full Windows Utorrent. Just Now Jul 28, 2013 — I am in need of a parts diagram for a kuhn GMD 600 disc mower a.s.a.p. Thanks.. Owners manual is of course MIA and the mower is not mounted on a tractor at the moment. I am going to run it with a John Deere 2555... KUHN GMD 600 Lawn Mower Assembly... | OnlineFreeGuides.com The Asus KUHN GMD 600 document found is checked and safe for using. Download for free or view this KUHN GMD 600 Assembly & Operators Manual online on OnlineFreeGuides.com. View online or download PDF Assembly & operators manual for KUHN Lawn Mower GMD 600 for Free. [PDF] Kuhn Fc 302 Parts Manual kuhn disc mower gmd 700 parts manual pdf reading is the main learning tool .... kuhn gmd 600 disc mower, mower conditioners fc 250 fc 302 fc 352 - trailed. ASSEMBLY / OPERATOR'S MANUAL MULTIDISC MOWER Your KUHN dealer can offer a complete line of genuine KUHN service parts. ... GMD 600 GII / 700 GII/ 800 GII /600 GII-HD/ 700 GII-HD / 800 GII-HDDisc Mowers ...48 pages

Hinterradaufhängung - stoßdämpfer Ersatzteile für Piaggio ...

Hinterradaufhängung - stoßdämpfer Ersatzteile für Piaggio ...

Kuhn Gmd 600. 240cm Gheorgheni • OLX.ro Postat. 12 ianuarie 2022. Kuhn Gmd 600.

KUHN GMD802 OPERATOR'S MANUAL Pdf Download ...

KUHN GMD802 OPERATOR'S MANUAL Pdf Download ...

Kuhn Gmd 600 Parts List Promo Code Category: Kuhn gmd 66 parts diagram. No Needed. Get Code. Category: Gmd 600 kuhn cutter parts. No Needed.

Barossa Cheetah 250 ohne Rückwärtsgang Antrieb mit ...

Barossa Cheetah 250 ohne Rückwärtsgang Antrieb mit ...

KUHN GMD 600 Assembly & Operators Manual... | ManualsLib View and Download KUHN GMD 600 assembly & operators manual online. GMD 600 lawn mower pdf manual download.

Services & Parts | KUHN

Services & Parts | KUHN

225 Yanmar Service Manuals Free Download - Truck manual, wiring... Yanmar Excavator B03 Electrical Wiring Diagrams + Parts Catalog. Yanmar 1GM, 2GM, 3GMD, 3HM Diesel Engine. Adobe Acrobat Document 1.4 MB. Download. CASE STX Steiger 350/400/450/500/550/600 Fault Codes list.

Bestellen Sie schwinge Ersatzteile für das Ducati Multistrada ...

Bestellen Sie schwinge Ersatzteile für das Ducati Multistrada ...

Kuhn GMD 600 GII Specifications & Technical Data (2010-2014) Get spare parts for Kuhn GMD 600 GII easily from our partners. Inquire the spare part you need from our partners with a few easy steps and choose the best quote. Wether you are a dealer or an operator, LECTURA can lead you to the right direction. Order the Rear-mounted mowers - disc without...

Mähbalken passend für Kuhn GMD 602 / 602 F / 702 / 702 F / 802 F

Mähbalken passend für Kuhn GMD 602 / 602 F / 702 / 702 F / 802 F

Kuhn parts | Vintage & Modern Tractor Parts and Accessories Buy Kuhn Parts and a massive range of tractor replacement spare parts & accessories. Fast UK and worldwide delivery. Search for diagrams by make, model and application. Identify where your part goes. Match related parts. Ensure the part fits your tractor make and model.

Kuhn Disc Mower Parts | Kuhn Mower Parts

Kuhn Disc Mower Parts | Kuhn Mower Parts

Mähscheibenantrieb passend für Kuhn GMD 600 / 600 GII / 700 ...

Mähscheibenantrieb passend für Kuhn GMD 600 / 600 GII / 700 ...

MAIN FRAME for KUHN GMD 600 DISC MOWER | eBay

MAIN FRAME for KUHN GMD 600 DISC MOWER | eBay

Mower disc - KRAMP

Mower disc - KRAMP

Kuhn_Mower GMD_700 Parts Manual | Auto Repair Manual Forum ...

Kuhn_Mower GMD_700 Parts Manual | Auto Repair Manual Forum ...

WWI Skoda 75 mm Mountain Gun

WWI Skoda 75 mm Mountain Gun

Mähbalken passend für Kuhn GMD 600 / 600 GII / 700 / 700 GII ...

Mähbalken passend für Kuhn GMD 600 / 600 GII / 700 / 700 GII ...

Kuhn Multidisc Mower GMD55 Parts Manual

Kuhn Multidisc Mower GMD55 Parts Manual

Kuhn gmd 16, gdm 20 multidisc mower

Kuhn gmd 16, gdm 20 multidisc mower

ROD 8109583 - Hitachi | AVSpare.com

ROD 8109583 - Hitachi | AVSpare.com

Belka przekladni CLAAS 00 0138 461 1 spare parts for CLAAS ...

Belka przekladni CLAAS 00 0138 461 1 spare parts for CLAAS ...

HiFi-Steuergerät P802 22RH802 /72Z Radio Philips - Österreich

HiFi-Steuergerät P802 22RH802 /72Z Radio Philips - Österreich

Kuhn gmd 55 select multidisc mower

Kuhn gmd 55 select multidisc mower

Kuhn herse rotative HR 303

Kuhn herse rotative HR 303

Kuhn GMD 600 GII - Discs - Landwirt.com

Kuhn GMD 600 GII - Discs - Landwirt.com

Kuhn Multidisc Mower GMD400 GMD500 GMD600 GMD700 GMD800 Workshop Service  Manual

Kuhn Multidisc Mower GMD400 GMD500 GMD600 GMD700 GMD800 Workshop Service Manual

Kuhn GMD 700-GII - регулирование по высоте - Landwirt.com

Kuhn GMD 700-GII - регулирование по высоте - Landwirt.com

Lift passend voor Kuhn GMD 600 / 600 GII / 700 / 700 GII

Lift passend voor Kuhn GMD 600 / 600 GII / 700 / 700 GII

ETA Beistellkessel BK 15-23 kW, Sekundärluftverstellung

ETA Beistellkessel BK 15-23 kW, Sekundärluftverstellung

Amazon.com: Polaris Snowmobile Control Arm, Lower, Right Side ...

Amazon.com: Polaris Snowmobile Control Arm, Lower, Right Side ...

Kuhn GMD Select & Premium Mowers

Kuhn GMD Select & Premium Mowers

ASSEMBLY / OPERATOR'S MANUAL MULTIDISC MOWER

ASSEMBLY / OPERATOR'S MANUAL MULTIDISC MOWER

KRAMP - Main drive

KRAMP - Main drive

ASSEMBLY / OPERATOR'S MANUAL MULTIDISC MOWER

ASSEMBLY / OPERATOR'S MANUAL MULTIDISC MOWER

MVG – Anhängerkupplung Jeep Grand Cherokee einschließlich ...

MVG – Anhängerkupplung Jeep Grand Cherokee einschließlich ...

Kuhn gmd 16, gdm 20 multidisc mower

Kuhn gmd 16, gdm 20 multidisc mower

KUHN Disc Mowers Hay and Forage Equipment For Sale in ...

KUHN Disc Mowers Hay and Forage Equipment For Sale in ...

81104577-Zwischenrad Lager für Kuhn GMD 600 700 & John Deere ...

81104577-Zwischenrad Lager für Kuhn GMD 600 700 & John Deere ...

PUCH G / PINZGAUER - Online Shop

PUCH G / PINZGAUER - Online Shop

Kuhn Multidisc Mower GMD44 GMD55 GMD66 Workshop Service Manual with Supp  for S, HD & 77 - DESK

Kuhn Multidisc Mower GMD44 GMD55 GMD66 Workshop Service Manual with Supp for S, HD & 77 - DESK

Hauptständer Piaggio Liberty 150 IE LEM 3V E3 2013-2014 (APAC ...

Hauptständer Piaggio Liberty 150 IE LEM 3V E3 2013-2014 (APAC ...

7. RIGHT ARM ASSEMBLY - GEO EFM

7. RIGHT ARM ASSEMBLY - GEO EFM

Kuhn Disc Mower Parts

Kuhn Disc Mower Parts

KUHN Genuine Parts | KUHN

KUHN Genuine Parts | KUHN

0 Response to "40 kuhn gmd 600 parts diagram"

Post a Comment

Iklan Atas Artikel

Iklan Tengah Artikel 1

Iklan Tengah Artikel 2

Iklan Bawah Artikel