41 onan b43g parts diagram
ONAN B43G-GA018 Engine Parts Manual.pdf ONAN B43G-GA018 Engine Parts Manual.pdf ONAN B43G-GA018 Engine Parts Manual.pdf Facebook; Twitter; Pinterest; Google+; $8.95. $8.95. Unavailable per item Quantity. SKU: Add to Cart Easy to read PDF files, bookmarked, searchable and can be viewed on almost any computer. Print one page or whole manual. PDF Service Manual The wiring diagram shows how the electrical compo- nents are interconnected. The disassembly section contains major overhaul procedures for step by step removal, disassembly, inspection, repair, and assembly of the engine components. Use only Genuine Onan replacement parts to ensure
PDF Onan P216 Parts Manual - professor.garfield.com Onan Engine ProjectOnan P216 Surging issue P218 Onan Engine ONAN ENGINE REPAIR (part 2) Test of Rebuilt Onan B43G 18HP on Homebuilt StandHow To Get Service Manuals FREE for Cummins/Onan Generators and engines Right NOW Onan P220G Parts Are In! Rebuilding an Onan B43G (Part 1) External Tear Down onan ccka engine on 1 cylinder Cleaning a

Onan b43g parts diagram
ARIMain - John Deere Parts and John Deere Lawn Mower Parts John Deere Parts Diagrams, John Deere -B43G (ONAN - ENGINE) ELECTRICAL. SMALL ENGINE PARTS. Let Us Help You Your Account Quick Order Pad Shipping Rates and Policies Returns and Replacements Commercial Discount Program Free Parts Search Reference Guides ... 16, 18, 20 and 24HP Onan Engines - greentractortalk.com CTM2 (19APR90) 16, 18, 20 & 24HP Onan Engines 130495. INTRODUCTION This manual is part of a total service support program. FOS MANUALS—REFERENCE TECHNICAL MANUALS—MACHINE SERVICE COMPONENT MANUALS—COMPONENT SERVICE ... ENGINE B43E B43G P218G B48G and P220G T260 CYLINDER 2 2 2 2 2 Onan B43g - Tractor Parts And Replacement Onan B43g. Are you trying to find Onan B43g available on sale? Are you trying to find Onan B43g or other similiar items? Our site represents a big variety of Onan B43g, displaying listings such as Massey Ferguson, Baler, Front Loader, Zero Turn, and many extra.Shop our great selection, or try a simple search for a precise John Deere Tractor using the search.
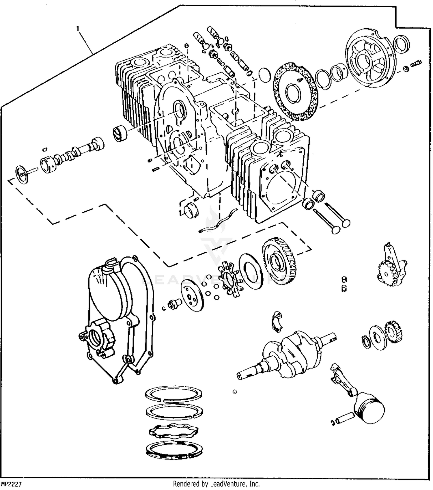
Onan b43g parts diagram. Onan Parts Manual - Free PDF File Sharing - Juweliervisser Onan Engine P224G, OL24, LX990 Parts Manual Onan Service Manual P216 218 220 224 Horizontal Engines Onan YD Generators u0026amp; Controls 4.5-30.0 KW SM 900-0184 [Filename: 88755734-onan_mdkb_manuals.pdf] - Read File Online - Report Abuse ARIMain - Weingartz Oil Pump,Filter & Engine Base Onan MN B43G 222001 - 420000: Engine Onan Model B43G AM102579 318 Lawn & Garden Tractor -PC1924 PISTON & CONNECTING ROD ONAN M.N. P218G S.N. 420001-999000 S.N. 010001-120000: Engine Onan Performer P218G AM125367 Onan b43g parts manual, onan b43g parts diagram disclaimer Onan generator parts engine short block 100-4050 - missing head for sale online. New holland onan engine b43e b43g b48g repair service manual pdf download. John deere 318 tractor tune up kit - b43g engine-kit contains the following genuine john deere parts part number, quantity , am132420,2 he1601183,1 ignition tune up kit for a 318 john deere ... ARIMain - WEINGARTZ Engine-Onan-Model-B43G-AM102579 Parts Diagram Blower Housing (Onan MN B43G) (222001 - 420000) Camshaft (Onan MN B43G) (222001 - 420000)
Onan Carburetors & Parts Cummins Onan 122-0836 Oil Filter (Quantity 5) Onan Carburetor December 24, 2020. Cummins Onan 122-0836 Oil Filter (Quantity 5) Product Description & Features: 122-0836 Brand: Onan Estimated Price: $76.67 CLICK HERE for more product details including updated…. Parts. Onan B48M-GA018 lawn & garden engine parts | Sears PartsDirect Onan + Lawn & garden engine parts > Onan lawn & garden engine parts. Model #B48M-GA018 Onan gas engine. ... Continue reading. There are a couple of ways to find the part or diagram you need: Click a diagram to see the parts shown on that diagram. In the search box below, enter all or part of the part number or the part's name. Onan B43M-GA016 lawn & garden engine parts | Sears PartsDirect Onan + Lawn & garden engine parts > Onan lawn & garden engine parts. Model #B43M-GA016 Onan engine. ... Continue reading. There are a couple of ways to find the part or diagram you need: Click a diagram to see the parts shown on that diagram. In the search box below, enter all or part of the part number or the part's name. ONAN - Service Manual Download CUMMINS ONAN DGBB DGBC DGCA DGDB DGCC DGDA DGDB DGDB DGEA DGFA DGFC GENERATOR SET WITH POWER COMMAND 3100 CONTROLLER Service Repair Manual. CUMMINS ONAN EGMBB, P2400 AND EGMBG P3500 (SPEC A) GENERATOR Service Repair Manual. CUMMINS ONAN 5500 (4EGMBD-5269) & 6500 (5EGMBE-5270) GENERATOR Service Repair Manual.
Onan B43G (18.0 HP, 13.4 kW) two cylinders engine: review ... The Onan B43G is a 710 cc (43.3 cu-in) two cylinder air-cooled four-stroke internal combustion small gasoline engine with horizontal shaft manufactured by Onan for general-purpose applications.. The B43G engine has an L-head design with two flat cylinders; a carburetor fuel system, an automotive-type battery ignition system, and an electric starter. Onan Parts Lookup by Model - Jacks Small Engines Search for Your Onan Model. Enter your Onan model number below. Click the Search Button to See More Results. Parts lookup for Onan power equipment is simpler than ever. Enter your model number in the search box above or just choose from the list below. How to FIND Your Onan Model Number >. kreuzkirche-osterode.de › john-deere-kawasaki-igniter-testkreuzkirche-osterode.de Mar 23, 2022 · Home. We deal directly with the manufacturers and stock more parts than any other dealer inPARTSRUN Ignition Coil with BM11 Igniter 21119-2161 AM131398 AM132770 Fits Kawasaki 21171-2067 for Club Car Deere machinery list: John Deere parts catalog. The first season it ran great, no problems. It always runs great--starts good, runs perfect cold or ... Points and Condenser Set for Onan B43, B48 Engines. Onan ... High quality aftermarket points and condenser set for Onan B Series Engines. These will fit Onan BG, B43E, B43G, B43M, B48G, B48M engines found in many vintage garden tractors. Replaces: Onan 160-1183; Onan 312-0246
Onan B43E parts replacement - Weekend Freedom Machines Well guys I need to replace a couple parts on my 1986 Onan B43E. First of all: Will the (engine base, item 11 below) oil pan from a 1984 316 B43G 18HP tractor SN 286379 fit properly under a 1986 316 B43E 16HP tractor SN 285001-?The John Deere PN I have for the base is HE102-1271 for the SN I have.
Engine-Onan-Model-B43G-AM102579 Parts Diagram Engine-Onan-Model-B43G-AM102579 Parts Diagram. Blower Housing (Onan MN B43G) (222001 - 420000) Camshaft (Onan MN B43G) (222001 - 420000) ... Valve Grind Gasket Kit (Onan MN B43G) (222001 - 420000) Let Us Help You Your Account Quick Order Pad Shipping Rates and Policies ...
Onan Parts at Jack's - Jacks Small Engines Onan Parts. Onan Engine Parts: Jack's is your place. We have Onan engine parts, including air filter, starters, breathers, capacitors, circuit breakers and boards, ignition parts, and more . Whether you have an Onan generator or other type of small engine equipment, Jack's has the replacement parts and accessories you need.
PDF Onan B43-B48 SM 00 - Stripmine The wiring diagram shows how the engine electrical components are interconnected. A parts catalog contains detailed exploded views of each assembly and the individual piece part numbers and their proper names for ordering replacement parts. Use only Genuine Onan replacement parts to ensure quality and the best possible repair and overhaul
PDF Onan Ignition System Troubleshooting ONAN IGNITION SYSTEM TROUBLESHOOTING. This is a typical ignition module for an Onan engine. This is a typical ignition coil for an Onan engine. If you are getting no spark at the spark plugs, remove the plug wires and check for continuity. No continuity means a bad wire. Replace
By Engine Model - Onan B, P, and CCK - iSaveTractors High quality aftermarket points and condenser set for Onan B Series Engines. These will fit Onan BG, B43E, B43G, B43M, B48G, B48M engines found in many vintage garden tractors. Replaces: Onan 160-1183 Onan 312-0246
Onan Parts and Accessories - Cummins Inc. Onan Parts and Accessories. From filters to tune-up kits, Genuine Cummins Parts are made to exact product specifications to maximize the power output and life of your Cummins Onan generator. Upgrade and customize your genset with Cummins accessories for convenience, compatibility and customer service. Cummins accessory kits support commercial ...
ONAN - Case, Colt and Ingersoll Garden Tractor Parts 815-0463 Onan Air Cleaner Mounting Screw. $4.32. 518-0328 Choke Cable Clip B Series '85 And Older- SOLD OUT! $3.08. 123-1176 Breather Tube Early 446- SOLD OUT! $14.82. 140-1169 Air Intake Tube Onan 16-18 HP '85 and Earlier- NLA. $31.98. 113-0314 Ring Set Std. B43M/B48M Engines.
Onan Engine Service Manuals PDF Download Onan Engine Service Manuals. Engines Generators Marine RV. Please visit our Home Page to see a complete list of all the useful service manuals we offer. "Service Manual" is a generic term we use to describe Repair Manuals, Technical Manuals, Workshop Manuals, etc.
318 engine/wiring diagram - Green Tractor Talk The engine itself has only a three terminal connection into the tractor's harness for the ignition and charging wiring, plus the oil sender and the starter/solenoid wiring. While I don't have a 318 here to take pictures of, maybe the wiring harness drawings and legends in the PC1924 will give an additional idea of wire groupings and spatial ...
Onan Parts.Com, Rebuild Parts for Onan engines Great Deals On New & Used Parts! P216, P218, P220, P224, B43, B48 etc. Pistons, Con Rods, Bearings, Rings, Seals, Valves, Oil Pumps, Gaskets and much more. Many CCK and most N Series; NH, NHA, NHD, NHE parts also available. If you can't find what you are looking for use the contact us link. Please include your COMPLETE Model, Spec Number ...
Onan b48g engine manual - Cyclingnow - Τα πάντα για το ... Posted in: Γενικά Member cgtzzmk #106865 Οκτ 4, 2019 at 4:12 μμ . . Onan b48g engine manual >> DOWNLOAD
Onan B43g - Tractor Parts And Replacement Onan B43g. Are you trying to find Onan B43g available on sale? Are you trying to find Onan B43g or other similiar items? Our site represents a big variety of Onan B43g, displaying listings such as Massey Ferguson, Baler, Front Loader, Zero Turn, and many extra.Shop our great selection, or try a simple search for a precise John Deere Tractor using the search.
16, 18, 20 and 24HP Onan Engines - greentractortalk.com CTM2 (19APR90) 16, 18, 20 & 24HP Onan Engines 130495. INTRODUCTION This manual is part of a total service support program. FOS MANUALS—REFERENCE TECHNICAL MANUALS—MACHINE SERVICE COMPONENT MANUALS—COMPONENT SERVICE ... ENGINE B43E B43G P218G B48G and P220G T260 CYLINDER 2 2 2 2 2
ARIMain - John Deere Parts and John Deere Lawn Mower Parts John Deere Parts Diagrams, John Deere -B43G (ONAN - ENGINE) ELECTRICAL. SMALL ENGINE PARTS. Let Us Help You Your Account Quick Order Pad Shipping Rates and Policies Returns and Replacements Commercial Discount Program Free Parts Search Reference Guides ...
0 Response to "41 onan b43g parts diagram"
Post a Comment