38 cub cadet pulley diagram
Buy Cub Cadet Lawn Mower & Outdoor Power Equipment Spare ... All Mower Spares stock a wide range of products from Cub Cadet. Click here to see our ... View exploded parts diagram. AIR FILTERS. APPAREL, ACCESSORIES & GIFTS. ATV ... Troy-Bilt Flat Deck Idler Pulley 756-05034, 75605034 PUL8062. AUD35.25. RRP $36.20. Quickview. Qty. Add to Cart. Add to Wish List Add to Compare. Cub Cadet Genuine Spindle ... Cub Cadet Ltx 1050 Deck Belt Diagram Your new deck belt will go around the pulleys, in accordance to this diagram: The problem Cub is having with belt breakage is overloading of the belt due to excessive tension. May 12, · Cub Cadet, LTX VT, deck belt replacement The problem is, when I was removing the old one, it was routed under the spring bracket for the idler pulleys.
Cub Cadet 1872 Wiring Diagram SOURCE: Cub Cadet Drive Belt Diagram. Go to Cub Cadet. com and click parts. Type your model number You will see parts diagram. Click that. It will show a long list of parts to click on. Choose drive and it will show you a diagram of all the pulleys and how the belt looks. Hope this helps. I had the same problem.

Cub cadet pulley diagram
Cub Cadet XT2 Enduro Series Lawn Tractor XT2 SLX50 Cub Cadet XT2 Enduro Series Lawn Tractor XT2 SLX50 is designed with a 725 cc Kohler 7000 HD Twin engine that delivers increased efficiency and maintenance benefits. The fully robotically-welded frame includes a new e-coating corrosion defense system and the Cub Comfort high-back seat includes 10 degree incline and slide. Cub Cadet I1046 Drive Belt Diagram - Wiring Diagrams View and Download Cub Cadet I operator's manual online. Zero Turn Riding Belt Routing. k. Figure 27 Replacement Belt Routing 50" Mower Deck. Choose drive and it will show you a diagram of all the pulleys and how the belt looks. Click on Cub Cadet, then enter the model number. Cub Cadet iSeries Diagrams and Manuals. Shop for Cub Cadet i Parts. Lawn Tractor and Snow Blower Pulleys | Cub Cadet US Find replacement pulleys for your Cub Cadet Riding Lawn Mower, Garden Tractor, Tiller, UTV or Snow Blower. Deck Pulleys, Engine Pulleys, Auger Pulleys, Idler Pulleys and Transmission Drive Pulleys. Use our Parts Diagrams Tool to lookup the pulleys for your Cub Cadet or our Part Finder to make sure you're getting all the right parts for your ...
Cub cadet pulley diagram. Cub Cadet Mower Deck Assemblies Parts with Diagrams ... Cub Cadet Mower Deck Assemblies Parts Lookup & Diagrams Cub Cadet Mower Deck Assemblies Parts Lookup & Diagrams Cub Cadet Mower Deck Assemblies ( 63 Models ) 337 (190-337-100) - Cub Cadet 32" Mower Deck. 357 (190-357-100) - Cub Cadet 38" Mower Deck. Deck Drive Belt Tension Adjustment - Cub Cadet There are no belt tension adjustments on our Step-Thru (aka: Fast Attach, Autodrive, Pedal Drive) style tractor cutting deck drives.It is very important that only Original Equipment Manufacture (OEM) belts be used on these models for this reason. Verify that the belt is installed properly and that the spring-loaded tension idler pulley is properly positioned. Cub Cadet LTX1050 (Bad Idler Pulley) and Spring tip trick ... Cub cadet Idler pulley replacement. Tips n Tricks along the way... Another one of those Great Ideas from KC. This time its on the farm. I couldn't pass up ta... Cub Cadet Z Force 48 Pto Belt Diagram - schematron.org Click on Cub Cadet, then enter the model number. schematron.org parts/?lc=cub_cadet&mn=+Tractor&dn=Mar 10, · Cub Cadet Z-Force 50 - took the deck off, replaced the blades, routed the deck belt and the PTO belt. Everything works but the PTO belt is loose, it seems to barely turn the blades. I 5/5.
Shop Craftsman Parts | MTD Parts FIND PARTS BY DIAGRAM. ... A properly working pulley helps your machine perform with maximum power. You can find the ... Our Other Sites: Cub Cadet Troy-Bilt Remington MTD Products Inc. MTD Products LLC P.O. Box 368022. Cleveland, OH 44136 Cub Cadet Lawn Tractor Parts Diagrams Cub Cadet Lawn Tractor Parts Diagrams Cub Cadet Lawn Tractor Manuals Cub Cadet lawn tractors deliver the performance you need to keep your lawn looking beautiful year-round. Whether your need to mow an acre or several, your Cub Cadet tractor provides you exceeding strength and durability while still keeping comfort and command top priorities. Cub Cadet: PULLEY, Part # 756-3045 - Messick's Cub Cadet. 756-3045. This part is no longer available, it has been replaced with an updated item. Replaced By 956-3045A. Replaces 756-3045A, 956-3045. PULLEY. This part fits your tractor. This part fits 17 models. 2130 Tractor S/N 239,001 - 326,005 134-212F100 135-212F100. Cub Cadet pulley sheave Parts International Harvester IH ... Fits 38 inch IH made timed decks on Cub Cadet Original 70 and 100. $24.00. HEAVY DUTY Tiller Deck Mule Drive Pulley inner bearing PN/ IH-542122-R91. Fits the IH-493164-R91 HEAVY DUTY Tiller Deck Mule Drive Pulley. Fits 38, 42 & 48 Deck Mule Drives.
Cub Cadet Pulleys - Jacks Small Engines It is important to know that pulleys are not the same as idlers. There are parts called idler pulleys, but they are actually pulleys. The difference is that an idler rotates freely around bearings at its center, while a pulley will have a notch (or some other device) to fix it to a shaft that it rotates around. Cub Cadet Pulleys Cub Cadet Cub Cadet Lt1018 Belt Diagram - schematron.org If you hear squealing during operation or see dry rot on your PTO belt, you may need to replace it.4/5 (2). SOURCE: install belt on cub cadet mower First, make sure you have the model number and serial number (located under the seat) and then go to schematron.org to get a belt diagram so you know which way the belt snakes through the pulleys. Lookup Parts Via Diagram | Cub Cadet US Lookup Parts Via Diagram | Cub Cadet US Lookup Parts via Diagram Use our parts diagram tool below to find the parts you need for your machine. Select the model and year, then browse the parts diagrams to find the right part. Add to cart when you're ready to purchase and we'll ship it to you as soon as possible! Cub Cadet Cub Cadet Drive Pulley Installation - YouTube How to install all three drive pulleys on your Cub Cadet riding mower.
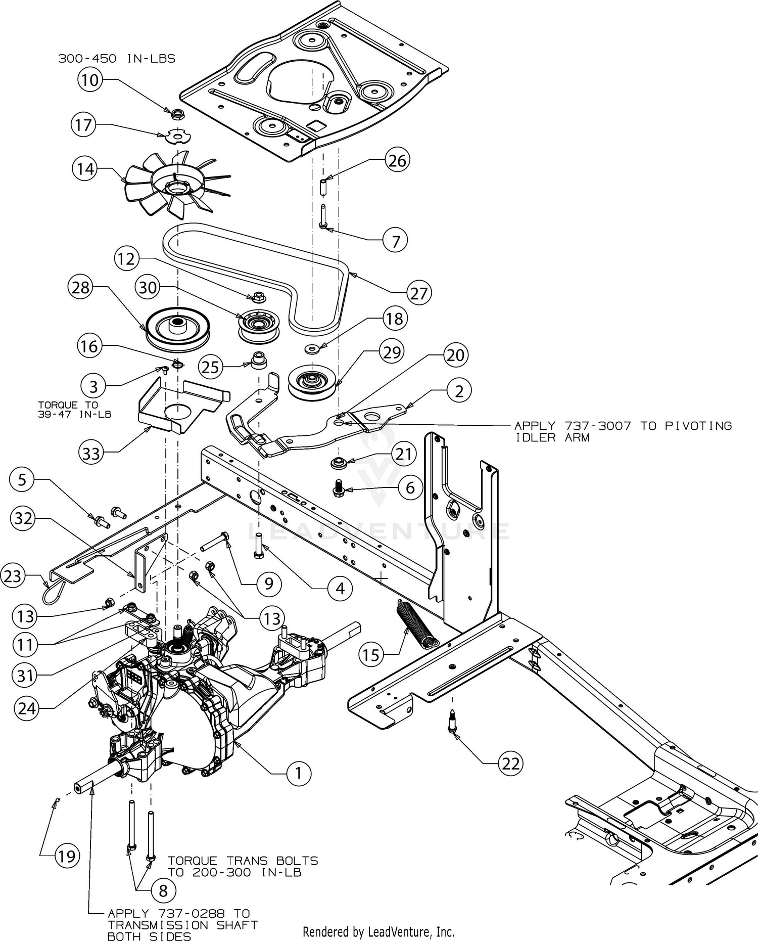
Cub Cadet LT 1045 (13RX11CH756) - Cub Cadet 46" Lawn ... Drive System 1I146H & after diagram and repair parts lookup for Cub Cadet LT 1045 (13RX11CH756) - Cub Cadet 46" Lawn Tractor (2007 & Before) The Right Parts, Shipped Fast! ... Pulley, Idler, V Type x 3.06 Dia (Superseded to 756-04209) ...
Cub Cadet XT2 LX42 Lawn Tractor | Cub Cadet US Idler Pulley 4.50" Dia. Item#: 756-05034A. $36.05 ... Sign up for Emails from Cub Cadet Sign up to receive communication on services, products and special offers. ... Lookup Parts via Diagram; Cub Cadet Gear; Extended Warranty; Independent Dealers. Find …
Shop Cub Cadet Parts | MTD Parts Find all the genuine replacement parts for Cub Cadet on our Parts Diagram. We carry everything for your machine and the Parts Diagram helps visualize every component found in your equipment. Give it a try and if you can't find what you are looking for or need assistance installing the new part, call 1-800-269-6215 today. Find Parts by Machine Type
Cub Cadet XT1-LT 42 KH (13AOA1CS056) - Cub Cadet 42" XT1 ... Deck diagram and repair parts lookup for Cub Cadet XT1-LT 42 KH (13AOA1CS056) - Cub Cadet 42" XT1 Enduro Lawn Tractor, Kohler (2018) The Right Parts, Shipped Fast! ... PULLEY & SPINDLE ASSEMBLY. Note: (See Separate Breakdown) In Stock, Qty 20+ $ …
International Harvester IH Cub Cadet CubCadet MTD CCC Parts NLA from Cub Cadet. $23.00. 450 451 Snow blower Main Drive V Belt PN/ 754-0340 USE 954-0340 5/8 x 84 in. $54.97. 448 551 Snow blower 825 Rear Mount Tiller Belt PN/ 754-0341 USE 954-0341 5/8 x 89". $43.15. Haban snowblower / thrower cogged drive V-Belt Replaces PN/ IH-1254788-C1 21/32" x 38".
Amazon.com: cub cadet mower deck pulley Lawn Mower Deck Rebuild Kit Compatible with Cub Cadet Models LTX1045 LTX1046 LTX1046VT Compatible with 2 Spindles 618-04865, 2 Flat Idler Pulleys 753-08171, 2 Blades 942-04244, 1 Belt 954-04219. 4.6 out of 5 stars. 54.
Cub Cadet Pulleys - Lawnmower Pros Cub Cadet Pulleys. Cub Cadet Replacement Pulleys available online from LawnMowerPros. We carry a large selection of Pulleys for Cub Cadet Lawn Equipment. Our online catalog has a huge selection of Cub Cadet Parts ready to ship direct to your door. 18 Products Found. Stens 280-044 Flat Idler Pulley for Cub Cadet.
Cub Cadet Lt1042 Drive Belt Diagram No matter how much care you take with your LT , you will eventually have to replace the drive belt. Thread the transmission drive belt around the engine pulley, following the configuration in the photo or diagram. Reconnect the PTO Power Source and Deck.
Stuck Pulley Removal - Cub Cadet NOTE: These instructions are prepared for use by trained technicians who are experienced in the service and repair of outdoor power equipment, and are not intended for use by untrained or inexperienced individuals. Such individuals should seek the assistance of an authorized service center. Authorized Service Center Directory. Drive pulleys are generally a snug fit to the pulley shaft by design.
Cub Cadet Parts Diagrams Cub Cadet Parts Diagrams Cub Cadet Parts Manuals Cub Cadet lawn care equipment has been built to last through the harshest of weather conditions. They are a leader in building smart outdoor power equipment with advancements that make their products better, and provide a better user experience. Cub Cadet equipment is award-winning.
Cub Cadet LT42E Electric Riding Mower | Cub Cadet US See your local Cub Cadet Dealer for warranty details.Pricing Disclaimer: Posted price is in USD Dollars and is manufacturer's suggested sale price. Models and pricing may vary by location. Taxes, freight, set-up and delivery not included. Optional equipment, accessories and attachments sold separately. See your retailer for details.
Amazon.com : UP2WIN Idler Pulley for Cub Mower - Idler ... Antanker Replaces Idler Pulley Cub Cadet 756-04129 Fits Cub Cadet/MTD/Troy Bilt 753-08171 756-04129B 756-04129C 956-04129 956-04129C 4.7 out of 5 stars 334 1 offer from $14.99
Cub Cadet Lawn Tractor | 1315 | eReplacementParts.com Cub Cadet 1315 (147008-207400, 139-222-100, 130-222-100, 131-) Lawn Tractor Parts We Sell Only Genuine Cub Cadet Parts Popular Parts Upper Handle $30.95 Add to Cart Seal, Valve Stem $11.01 Add to Cart Washer $3.66 Add to Cart Spark Plug $7.17 Add to Cart Linkage Retaining Bushing $5.60 Add to Cart Fl-Wash. (Hardened) $3.93 Add to Cart
Need a parts diagram for 38" LT Deck 441190 | IH Cub Cadet ... Jul 15, 2009. #3. If you are replacing bearings, look closely at the old bearing for any numbers. I found that the dealer price for my mower deck spindle bearings was $23 each, and I can get the same bearing at the local auto parts store for $18. Having the old bearing in hand for comparison when you buy the new ones can save lots of trouble.
Cub Cadet 46 Mower Deck Diagram - cub cadet rzt l54 kh fab ... Here are a number of highest rated Cub Cadet 46 Mower Deck Diagram pictures on internet. We identified it from trustworthy source. Its submitted by paperwork in the best field. We take this kind of Cub Cadet 46 Mower Deck Diagram graphic could possibly be the most trending subject gone we allocation it in google plus or facebook.
Lawn Tractor and Snow Blower Pulleys | Cub Cadet US Find replacement pulleys for your Cub Cadet Riding Lawn Mower, Garden Tractor, Tiller, UTV or Snow Blower. Deck Pulleys, Engine Pulleys, Auger Pulleys, Idler Pulleys and Transmission Drive Pulleys. Use our Parts Diagrams Tool to lookup the pulleys for your Cub Cadet or our Part Finder to make sure you're getting all the right parts for your ...
Cub Cadet I1046 Drive Belt Diagram - Wiring Diagrams View and Download Cub Cadet I operator's manual online. Zero Turn Riding Belt Routing. k. Figure 27 Replacement Belt Routing 50" Mower Deck. Choose drive and it will show you a diagram of all the pulleys and how the belt looks. Click on Cub Cadet, then enter the model number. Cub Cadet iSeries Diagrams and Manuals. Shop for Cub Cadet i Parts.
Cub Cadet XT2 Enduro Series Lawn Tractor XT2 SLX50 Cub Cadet XT2 Enduro Series Lawn Tractor XT2 SLX50 is designed with a 725 cc Kohler 7000 HD Twin engine that delivers increased efficiency and maintenance benefits. The fully robotically-welded frame includes a new e-coating corrosion defense system and the Cub Comfort high-back seat includes 10 degree incline and slide.
0 Response to "38 cub cadet pulley diagram"
Post a Comment