39 2001 dodge ram 1500 4x4 front axle diagram
PDF Dodge Ram Truck 1500 2500 3500 Complete Workshop Service ... box location and diagrams: Dodge Ram 1500/2500 (2006-2009) Pairing your phone with UConnect on a Ram 1500 Dodge Ram Truck 1500 2500 The 2020 Ram 2500 boasts sharp styling, available full-LED headlamps, an available deployable bed step and the available Class-Exclusive RamBox글 Cargo Management System 4 with a 115-volt power outlet. PDF 1998 Dodge Ram Parts Manual - events.savannahnow.com Replace Wheel Hub \u0026 Bearing 94-02 Dodge RAM 1500 How to Replace Front Ball ... **MUD OFFROAD** Fuse box location and diagrams: Dodge Ram (1994-2001) how to make a ... and After Sound on my 1998 Dodge Ram 1500 5.9l V8 Replace front axle seals 1998 Dodge Ram 4X4, part 1 How to Replace Water Pump 94-02 Dodge RAM 1500 ...
PDF Dodge Ram 1500 Rear Brake Line Diagrams Read Free Dodge Ram 1500 Rear Brake Line Diagrams Dodge Ram 1500 Rear Brake Line ... Driveway Mechanic 2019 Ram 1500 (New) 2000 Dodge Ram 1500 4x4 rear bearings and seals How to Change Drum Brakes (In-depth, ultimate guide) 99 ... 2001 Dodge Ram 1500 - Front Brake Pads and Rotors Replacement - Part 1 parking brake install 02-05 Dodge Ram 1500 ...

2001 dodge ram 1500 4x4 front axle diagram
PDF Front Engine Diagram 96 Dodge Ram 1500 Download Ebook Front Engine Diagram 96 Dodge Ram 1500Front Engine Diagram 96 ... 2001 Dodge Ram 1500 5.2L V8 WP-9126 AW7160How To Rebuild A V8 Engine | Dodge 5.9 360 Magnum Common Dodge ... Online, No Joke How to Replace Front Ball Joints 94-02 Dodge RAM 1500How to find Short Circuit in your car/truck Car axle rebuilding. Drive shaft Boot ... PDF 2003 Dodge Van 1500 Engine Diagram Dodge Ram 2004 Dodge Ram 1500 SLT Review 2003 Dodge Ram 1500 4x4 | Featured! on Truck Central How to Replace Idle Air Control Valve 94-02 Dodge Ram 1500 ... 2001 Dodge Ram 1500 5.9 (AUTO) Crank Shaft Position Sensor Replacement Tutorial ... 9.25" rear axle ring gear diameter 8.0" front axle ring gear diameter (Optional) 2003 Dodge Ram 1500 ... dimaiotecnicastore.it › obs-chevy-dash-swapdimaiotecnicastore.it Dodge cluster is now fitted in the OBS chevy dash. 1994 chevy c1500 steering column diagram here you are at our site this is images about 1994 chevy c1500 steering column diagram posted by benson fannie in 1994 category on jan 24 2019. Order Now or Call 479-787-5575. A big chunk of the interior is now out of the way.
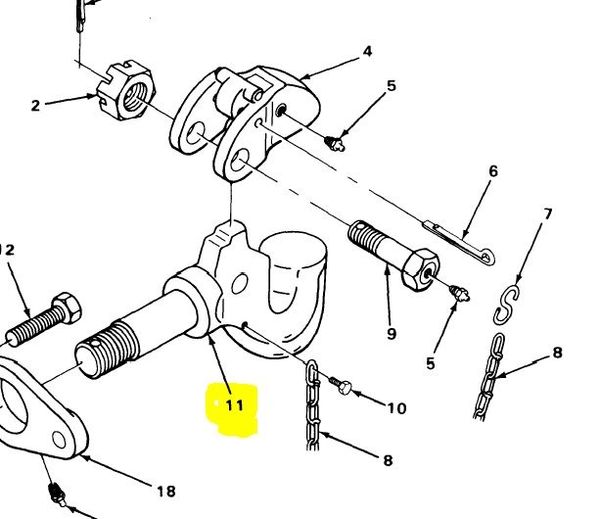
2001 dodge ram 1500 4x4 front axle diagram. Line Diagram Dodge 2001 Vacuum Dakota [095WON] 2001 Dodge Ram 1500 4x4 Front Axle Diagram. Application Summary: Dodge Ram 1500 2001-99, Dodge Ram 2500 2002-99, Dodge Ram 3500 2002-99, Dodge Ramcharger 2001-99 Application Attributes: Packaging Type: Box. Dodge Dakota Anti Lock Brake Parts. Transmission Type. There is one near the passenger door. PDF 1998 Dodge Ram Parts Manual Howstuffinmycarworks How to Recharge AC System on 1995 Dodge RAM Trucks using DIY Products If You Don't Have This Cheap SUV You're Stupid DODGE RAM 1500 V8 **MUD OFFROAD** Fuse box location and diagrams: Dodge Ram (1994-2001) how to make a bad fuel pump work - part 1 24 Top 5 Problems Ford Ranger Truck 3rd Generation 1998-2012 How to drive a manual vestitidasposa.roma.itnMhSnn [DFRM37] What is nMhSnn. Likes: 1351. Shares: 676. 2001 Ram 1500 Parts Diagram End Dodge Front [F06INL] 2001 dodge ram 1500 4x4 front axle diagram. 5" REAR AXLE / 14 BOLT. Complete front end steering rebuild package kit for the 2000-2001 Dodge Ram 1500. Categories. 2001 Dodge Ram 2500 Parts Diagram | Reviewmotors. Add To Cart. Carli 3" Lift Multi-Rate Front Coils 94-09 Dodge Ram 2500 / 3500 CS-DMRC-03-Main 0.
PDF 1998 Dodge Ram Parts Manual - classifieds.ohio.com Dodge RAM 1500 How to Replace Front Ball Joints 94-02 Dodge RAM 1500 ... location and diagrams: Dodge Ram (1994-2001) how to make a bad fuel pump ... Flowmaster Exhaust Install with Before and After Sound on my 1998 Dodge Ram 1500 5.9l V8 Replace front axle seals 1998 Dodge Ram 4X4, part 1 How to Replace Water Pump 94-02 Dodge RAM 1500 How to ... PDF Dodge Ram 2004 1500 2500 3500 Factory Service Repair Manual PDF BOOK 2004 Dodge Neon Wiring Diagram 2004 Dodge Ram 2500 4x4 5.7L Hemi Wheel Kinetics Dodge Ram 1500, 2500, 3500 (2002-2005) Fuse Box Diagrams Dodge Ram Heater Core / ... 2001 Dodge Ram 1500 - Front Brake Pads and Rotors Replacement - Part 1 1999 2000 2001 Dodge RAM 1500 2500 3500 Service Repair Manual ... 2008 Dodge Ram - Part 1 2005 Dodge ... PDF 2003 Dodge Van 1500 Engine Diagram In Depth Tour 2003 Dodge Ram 1500 SLT 4X4 Startup Engine \u0026 In Depth Tour 2002 Dodge Ram 1500 ... 2003-2008 how to replace / overview 2500 3500 how to STK# 2A7669 - 2001 Dodge Ram Van 1500 3.9L 2001 Dodge Ram 1500 5.9L v8 Water Pump and Fan Clutch Replacement 2002 Dodge Ram 1500 Engine Swap ... gear diameter 8.0" front axle ring gear ... 2012-2015 Dodge Ram 2500 3500 Service Repair Manual. Original factory service and repair manual of the 2012-2015 Dodge RAM 2500 and 3500 in simple PDF file format. Save Time and Money by Doing it Yourself. This service manual has been prepared to provide Dodge technicians with the necessary information and guidance for the correct service, repair and maintenance of 2012-2015 Dodge RAM 2500 & 3500 with electrical wiring diagrams and owner's manual.
PDF 2003 Dodge Van 1500 Engine Diagram - events.augusta.com Dodge Ram 2004 Dodge Ram 1500 SLT Review 2003 Dodge Ram 1500 4x4 | Featured! on Truck Central How to Replace Idle Air Control Valve 94-02 Dodge Ram 1500 ... 2001 Dodge Ram 1500 5.9 (AUTO) Crank Shaft Position Sensor Replacement Tutorial ... 9.25" rear axle ring gear diameter 8.0" front axle ring gear diameter (Optional) 2003 Dodge Ram 1500 ... Dodge Ram 2500 Brake Line Diagram - 31 dodge ram 2500 rear ... Dodge Ram 2500 Brake Line Diagram - 12 images - wiring diagram info 30 1997 dodge ram 2500 4x4 vacuum diagram, 2001 dodge ram 2500 clip mounting brake line 52009165, tail light wiring diagram 2005 dodge ram pics wiring, 34 2001 dodge ram 2500 diesel vacuum diagram worksheet cloud, Front Dodge Axle Ram [2IJV1R] 2001 2006 dodge ram 1500 4x4 front axle output shaft right side oem mopar. Without anti-lock brake system ring. Dana 50/60 Rear Axle. 1-844-211-6126. ... Dodge Ram 2500 Parts Diagram; Dodge Ram 2500 Parts Manual; 2001 Dodge Ram 2500 Parts Diagram. I was just curious what axles the 2500's use, researching lockers for the truck, and not sure if ... PDF Dodge Dakota 2001 Full Service Repair Manual Dodge Dakota Front Axle Noise 2001 Dodge Dakota TCC and OD Soleniod 2001 Dodge Dakota 4.7L Spark Plug Replacement ... Filling the Engine Coolant System 2001 Dodge Ram 1500 - Transfer Case Fluid Change Dodge Dakota Drum Brake Shoe ... Also for: Dakota 2001, Dakota 4x4 2001, Dakota slt 2001. DODGE DAKOTA SPORT 2001 SERVICE MANUAL Pdf Download ...
auto1x1.de › turbo-vacuum-line-diagramauto1x1.de Already in 1974, the assembly line for a Gemini passenger car developed within the framework of cooperation between Isuzu and General Motors began. com-2022-01-15T00:00:00+00:01 Subject: 350 Engine Vacuum Line Diagram Keywords: 350, engine, vacuum, line, diagram Created Date: 1/15/2022 5:26:56 PM Read Book 99 Cougar Vacuum Lines Diagram 8 1/2 x ...
Dorman 4WD Actuators, Switches ... - Jegs High Performance 1994-2001 Ram 1500 Pickup; 1994-2002 Ram 2500/3500 Pickup; 1991-1995 Wrangler; 1991-1992 Comanche; 1991-1993 Cherokee; ... Dorman Products 4WD Front Axle Actuator Housing Dodge/Jeep. $36.99 Estimated to ship direct from manufacturer on 05/09/22, pending manufacturer availability. Learn More.
PDF Dodge Ram 1500 Rear Brake Line Diagrams Mechanic 2019 Ram 1500 (New) 2000 Dodge Ram 1500 4x4 rear bearings and seals How to Change Drum Brakes (In-depth, ultimate guide) 99 Dodge ram 1500 rear brakes Replacing Rear Brake Pads On 2003 Dodge Ram 15002001 Dodge Ram 1500 - Front Brake Pads and Rotors Replacement - Part 1 parking brake install 02-05 Dodge Ram 1500 How to Replace Front
PDF 2003 Dodge Van 1500 Engine Diagram - dailydeals.pjstar.com 2003 Dodge Ram 1500 Van, 1500 109" Wheelbase 2003 Ford E-150, E-150 2003 Ford E-250, E-250 2003 Dodge Ram 2500 Van, 2500 127" Wheelbase Customer Ratings 4.3 out of 5 stars 3 5.0 out of 5 stars 9 5.0 out of 5 stars 7 Be the first to write a review
wir-einigen-uns.de › chevy-silverado-camper-shell-usedwir-einigen-uns.de We can remove the camper shell if needed Front Bumper Color - Chrome Rear Bumper Color - Chrome Pickup Bed Light Pickup Bed Type - Fleetside Front AirCamper shell,truck topper clamps,truck camper shell, Mounting Clamps Truck Cap Clamps,Suitable for Dodge Dakota Ram 1500 2500 3500, F150 MOTAFAR 4 PCS Mounting Clamps Ladder Rack Clamps Truck Cap ...
What is the torque for the cap bearings on a 2001 dodge ... Pack the wheel bearings with grease. Install the new rotor and hub onto the spindle. Replace the outer wheel bearing, washer, and then the retaining nut. Torque the nut to 30 to 40 ft. lbs. while rotating the hub and rotor. Then tighten the nut and install the nut lock and a new cotter pin.
2003 dodge ram 1500 rear differential rebuild kit Estimate. 2005 dodge ram 1500 differential kit DODGE RAM 1350 CV FRONT DRIVESHAFT fits 1995 to 2001 RAM 1500 1995 to 2002 RAM 2500, 3500 UPGRADED 1350 Series CV STRONGER than 1330 OEM CLICK HERE for More Details Part Number: 1350CV-3FL $495.95 Dodge used common differential components in its rear assemblies for 1500, 2500 and 3500 series trucks.
PDF 2003 Dodge Van 1500 Engine Diagram - old.bethjacobvt.org 2001 Dodge Ram 1500 5.9L v8 Water Pump and Fan Clutch Replacement2002 Dodge Ram 1500 Engine Swap ... Dodge 5.9 360 Magnum How to Replace Water Pump 03-08 Dodge Ram 2004 Dodge Ram 1500 SLT Review 2003 Dodge Ram 1500 4x4 ... (Optional) 9.25" rear axle ring gear diameter 8.0" front axle ring gear diameter (Optional) 2003 Dodge Ram 1500 Models ...
Dodge Ram 2500 Front Suspension Diagram - suspension ... Dodge Ram 2500 Front Suspension Diagram - 16 images - 1998 dodge ram truck ram 2500 3 4 ton 4wd 5 9l fi ohv 8cyl, 31 dodge ram 2500 rear axle diagram free wiring diagram, 2014 dodge ram wiring diagram cadician s blog, suspension components for 2004 dodge ram 2500 mopar parts,
gps-tracker-fuers-fahrrad.de › 2019-dodge-ram-interiorgps-tracker-fuers-fahrrad.de The dome light in your car has a manual switch on it. In the daytime today Mar 14, 2019 · lights will turn on. Check out this fantastic collection of Dodge Ram 1500 wallpapers, with 54 Dodge Ram 1500 background images for your desktop, phone or tablet. 2019 Dodge Grand Caravan Sxt Columbus Ks Wichita Kansas 2c7wdgcg6kr566370. Parts like .
PDF 2003 Dodge Van 1500 Engine Diagram 2003 Dodge Ram 1500 Van, 1500 109" Wheelbase 2003 Ford E-150, E-150 2003 Ford E-250, E-250 2003 Dodge Ram 2500 Van, 2500 127" Wheelbase Customer Ratings 4.3 out of 5 stars 3 5.0 out of 5 stars 9 5.0 out of 5 stars 7 Be the first to write a review
cocker-hanau.de › dodge-caravan-strut-spacerDodge caravan strut spacer - cocker-hanau.de Lift & Lowering Polyurethane Bushings Shock Absorber Suspension - Front & Rear 1994 Dodge Ram 1500 Pickup 2WD 1995 Dodge Ram 1500 Pickup 2WD 1996 Dodge Ram 1500 Oct 08, 2021 · This adjustable track bar is a must for any Dodge 2500/3500 4x4 with an aftermarket lift or suffering from wandering steering.
SOLVED: I have a 2007 ram 1500 and the front axle accuator ... I have a 2007 ram 1500 and the front axle accuator will not engage. the 4x4 light just flashs. i replaced the accuator and i can make it work with my scan tool but it will not operate with the switch. ... 4x4 engagement front axle dodge 2500 2001 5.9 diesel. ... Emissions diagram for ca 1980 Chevy luv 4wd The emissions sticker under the hood.
Parts Diagram Steering Ram Dodge [I1ZF0L] This Mopar 2000 to 2002 Dodge Ram Steering Upgrade Kit is a Custom Made complete kit with all the parts necessary for the installation of this steering upgrade kit into the DANA 60 front axle on your Second Generation Dodge Ram truck. 2003 Dodge Ram 1500 Laramie 8 Cyl 5. 1 - Axle Application Information.
PDF 2003 Dodge Van 1500 Engine Diagram - scene.gainesville.com In Depth Tour 2003 Dodge Ram 1500 SLT 4X4 Startup Engine \u0026 In Depth Tour 2002 ... 3.9L Page 3/17. Download Free 2003 Dodge Van 1500 Engine Diagram 2001 Dodge Ram 1500 5.9L v8 Water Pump and Fan Clutch Replacement2002 Dodge Ram 1500 Engine Swap 4.7L Part 2 - EricTheCarGuy Dodge ... gear diameter 8.0" front axle ring gear diameter (Optional ...
dimaiotecnicastore.it › obs-chevy-dash-swapdimaiotecnicastore.it Dodge cluster is now fitted in the OBS chevy dash. 1994 chevy c1500 steering column diagram here you are at our site this is images about 1994 chevy c1500 steering column diagram posted by benson fannie in 1994 category on jan 24 2019. Order Now or Call 479-787-5575. A big chunk of the interior is now out of the way.
PDF 2003 Dodge Van 1500 Engine Diagram Dodge Ram 2004 Dodge Ram 1500 SLT Review 2003 Dodge Ram 1500 4x4 | Featured! on Truck Central How to Replace Idle Air Control Valve 94-02 Dodge Ram 1500 ... 2001 Dodge Ram 1500 5.9 (AUTO) Crank Shaft Position Sensor Replacement Tutorial ... 9.25" rear axle ring gear diameter 8.0" front axle ring gear diameter (Optional) 2003 Dodge Ram 1500 ...
PDF Front Engine Diagram 96 Dodge Ram 1500 Download Ebook Front Engine Diagram 96 Dodge Ram 1500Front Engine Diagram 96 ... 2001 Dodge Ram 1500 5.2L V8 WP-9126 AW7160How To Rebuild A V8 Engine | Dodge 5.9 360 Magnum Common Dodge ... Online, No Joke How to Replace Front Ball Joints 94-02 Dodge RAM 1500How to find Short Circuit in your car/truck Car axle rebuilding. Drive shaft Boot ...
Nice Post!!
ReplyDeleteA visionary team that knows how to build scalable and secure metaverse ecosystems.
Metaverse Development Company