37 troy bilt tb90bc fuel line diagram
New Member. Oct 8, 2012, 09:36 AM. Troy bilt TB25ET - Fuel line comes out of fuel tank routes through bracket to fuel inlet on the carb right side, Line comes back out of Carb on top back through bracket to backside of primer bulb and if nipples are 2 sizes connect to shorter one or push on bulb and hold fingers over nipples one has vacuum ... Results 1 - 16 of 255 — Amazon.com: troy bilt trimmer fuel line. ... Fuel Li Carburetor for Troy-Bilt TB20CS TB70SS TB10CS TB20DC TB70FH TB90BC Yard Man YM20CS ...
Troybilt TB90BC gas line trimmer parts - manufacturer-approved parts for a proper fit every time! We also have installation guides, diagrams and manuals to help you along the way!

Troy bilt tb90bc fuel line diagram
Fuel Line Assembly. Item#: 753-04233. Free Shipping on Parts* $13.59 Fuel Line Assembly ... Avoid frustration when buying parts, attachments, and accessories with the Troy-Bilt Right Part Pledge. If you purchase the wrong part from Troy-Bilt or a Troy-Bilt authorized online reseller, Troy-Bilt, or your Troy-Bilt authorized online reseller will ... Need to fix your TB90BC (41BDT90C966) Trimmer? Use our part lists, interactive diagrams, accessories and expert repair advice to make your repairs easy. Show Less. Troy-Bilt TB90BC (41ADT90C) Trimmer Parts. Page A. Page B Discussion for the Troy-Bilt TB90BC (41ADT90C) Trimmer. Discussion is closed. To ask our experts a question about a part, use the Q&A feature on our product pages. I need to know the correct routing of the fuel lines on a Troy - Bilt TB90BC weed eater. Replaced fuel lines.
Troy bilt tb90bc fuel line diagram. Replacing broken & brittle lines replaced on this 20cc 2 cycle weed trimmer. https://amzn.to/33UVFVjhttps://amzn.to/39u5wmm - Answered by a verified Technician I need a diagram for the routing of the fuel lines on a troy bilt 2 cycle trimmer. Submitted: 8 years ago. Category: Small Engine. Iam looking for a manual for a troy bilt trimmer. I have looked on line but cant find. Fuel line routing for Troy Bilt weedeater. Asked Jun 14, It is a Troy Bilt TB90BC 2 cycle ... Aug 31, 2019 — I have replaced fuel lines that degraded with age and am uncerttain about the correct hook to tank, carburetor and primer. A diagram would help.1 answer · 2 votes: easiest way to tell you is that the primer is there to pull the fuel through the carb. so fuel filter line goes from tank to carb, then from carb to primer ...I need a fuel line diagram for a Troy bikt 6044xp - FixyaApr 18, 2018Need to replace fuel lines on my Troy Bilt 4 cycle - FixyaSep 13, 2011SOLVED: Tb70ss fuel diagram troybilt - FixyaNov 21, 2019Fuel line routing form TB90BC - Troy Bilt Tb70ss Gas TrimmerJul 10, 2010More results from www.fixya.com Fuel line fuel filter for troy bilt tb15cs, tb75ss, tb15cs tb90bc string trimmer. Each manual is constructed from a complete teardown and rebuild of your particular model. Ls swaps, what is needed from a fuel line perspective. Find the exact replacement part you need to fix your troybilt tb90bc gas line trimmer here!
item 1 troybilt trimmer fuel line kit part# 753-04233 tb70ss tb90bc tb75ss tb65ss new 1 - troybilt trimmer fuel line kit part# 753-04233 tb70ss tb90bc tb75ss tb65ss new $19.54 Free shipping Do you have a diagram or a picture of how the fuel lines are connected and routed on a troy bilt tb90bc? A good explanation would work. My lines rotted and broke in the tank. Re-connected them but fuel just constatly runs out. Download the manual for model Troybilt TB90BC gas line trimmer. Sears Parts Direct has parts, manuals & part diagrams for all types of repair projects to help you fix your gas line trimmer! Apr 20, 2017 — How do you route fuel lines on a troy-bilt jump start 4 stroke with primer on the cover. How does it go from the primer, to the tank, ...4 answers · 0 votes: I did a video on it on youtube with a diagram from Troybilt. https://www.youtube.com/watch?v=jT6acd ...Missing: tb90bc | Must include: tb90bc
I would like to thank all my friends and subscribers. I love you all!If you enjoyed this video, Please like, share, and subscribe! Troy Bilt Weedeater TB90BC fuel line schematic. Can someone please tell me which line goes where. Two fuel lines coming from the fuel tank and 1 coming from the carbeurator. Pictures would be of great help. Thanks Smiley Check out some similar questions! Fuel line routing for Troy ... Troy-Bilt String Trimmer Model TB90BC Parts. Troy-Bilt String Trimmer Model TB90BC Parts are easily labeled on this page to help you find the correct component for your repair. Filter results by category, title and symptom. You can also view diagrams and manuals, review common problems that may help answer your questions, watch related videos, read insightful articles or use our repair help ... I have a TB90BC Troy bilt 2 cycle trimmer. Fuel is draining frame the carb and eventually all the fuel will drain from - Answered by a verified Technician. We use cookies to give you the best possible experience on our website. ... Do you have a diagram or a picture of how the fuel lines are.
I Have A Polaun Weedeater I Have Replacment Fuel Lines But I M Not Sure How To Route The Lines Pieces Were Already
This was. I need a diagram for the routing of the fuel lines on a troy bilt 2 cycle trimmer. - Answered by a verified Technician have troy-bilt 2-cycle trimmer mod,tb70ss 41adt70c that wont schematron.org fire after priming. have checked spark,compression,fuel lines,fuel filter and spark arrestor screen.
Shop with Confidence. Avoid frustration when buying parts, attachments, and accessories with the Troy-Bilt Right Part Pledge. If you purchase the wrong part from Troy-Bilt or a Troy-Bilt authorized online reseller, Troy-Bilt, or your Troy-Bilt authorized online reseller will work with you to identify the correct part for your equipment and initiate a free exchange.
Yard Man 13at604g755 20hp V Twin Engine With Spin On Oil Filter 42 Inch Cutting Deck Riding Lawn Mower Patio Lawn Garden Lawn Mowers Tractors Pensaremigrante Org
Question about Troy-Bilt 4-Cycle Curve Shaft Gas String Trimmer # 41ADT41C The 3 fuel lines should be connected as follows: The (clear) main fuel line with the filter (filter inside the fuel tank) goes to the bottom of the carburetor (or the. We have parts, diagrams, accessories and repair advice to make your tool repairs Troy-Bilt TB20CS ...
Troy-Bilt Drill Bit JumpStart for Trimmers & Other Handheld Equipment. ... This replacement tank came with fuel lines that are ethanol tolerant which should cure this issue, plus I can now purchase ethanol free fuel locally and mix two stroke oil with it. Or, one can buy premixed (like TruFuel) if you want to pay $6.00 a quart or $20.00 a gallon.
The 3 fuel lines should be connected as follows: The (clear) main fuel line with the filter (filter inside the fuel tank) goes to the bottom of the carburetor (or the elbow shaped nipple). The (clear) fuel intake line runs from the top of the carburetor (straight nipple) and goes to the short post on the back of the primer bulb.
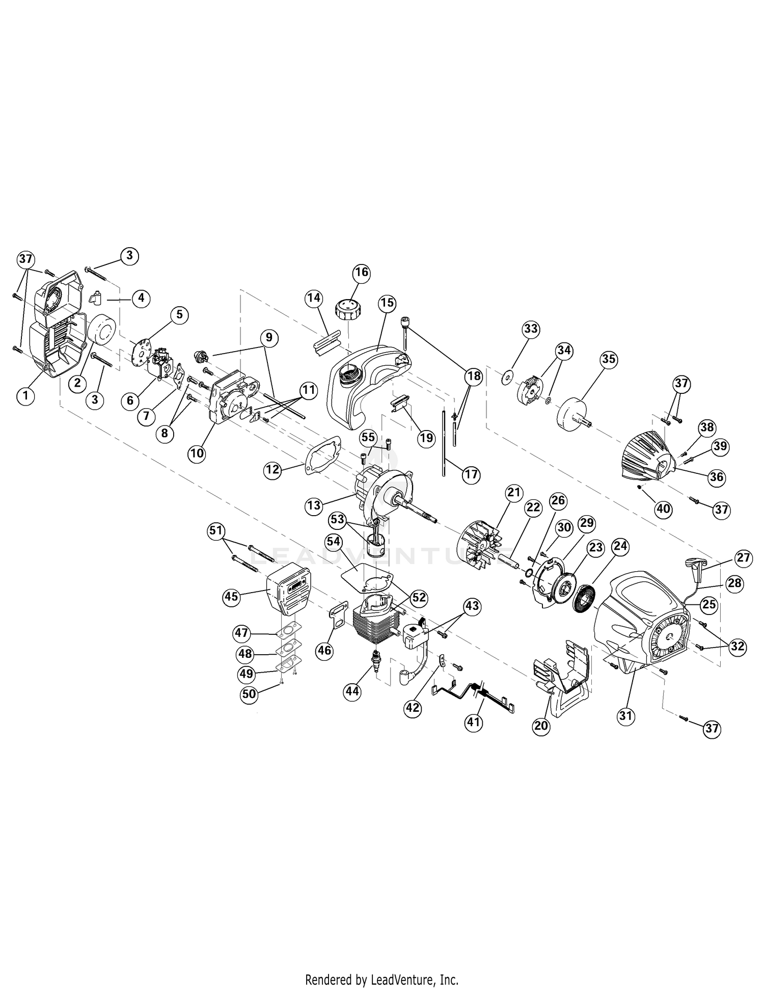
Troy Bilt TB90BC 41ADT90C711 41ADT90C711 TB90BC Engine Parts Diagram SWIPE SWIPE. Boom And Trimmer Parts; ... Carburetor Assembly with Fuel Line . $65.41 Add to Cart. 7. 791610675 . Carburetor Gasket. $2.82 Add to Cart. 8. 791181860 . NO LONGER AVAILABLE ...
The 3 fuel lines should be connected as follows: The (clear) main fuel line with the filter (filter inside the fuel tank) goes to the bottom of the carburetor (or the elbow shaped nipple). The (clear) fuel intake line runs from the top of the carburetor (straight nipple) and goes to the short post on the back of the primer bulb.
I need a diagram for the routing of the fuel lines on a troy bilt 2 cycle ... Fuel Line Connector For Troy Bilt Tb20cs Tb20dc Troy Bilt Tb90bc Repair Manual ...
Show Less. Troy-Bilt TB90BC (41ADT90C) Trimmer Parts. Page A. Page B Discussion for the Troy-Bilt TB90BC (41ADT90C) Trimmer. Discussion is closed. To ask our experts a question about a part, use the Q&A feature on our product pages. I need to know the correct routing of the fuel lines on a Troy - Bilt TB90BC weed eater. Replaced fuel lines.
Hipa 753 05133 Carburetor With Repower Kit Air Filter For Mtd Troy Bilt Tb10cs Tb20cs Tb20dc Tb310qs Tb320bv Tb65ss Tb70fh Tb70ss Tb90bc Ms2550se Ms2560se Wh25cs Wh80bc Y780 Ym20cs Gas Trimmer Buy Online In Cook
Need to fix your TB90BC (41BDT90C966) Trimmer? Use our part lists, interactive diagrams, accessories and expert repair advice to make your repairs easy.
Fuel Line Assembly. Item#: 753-04233. Free Shipping on Parts* $13.59 Fuel Line Assembly ... Avoid frustration when buying parts, attachments, and accessories with the Troy-Bilt Right Part Pledge. If you purchase the wrong part from Troy-Bilt or a Troy-Bilt authorized online reseller, Troy-Bilt, or your Troy-Bilt authorized online reseller will ...
Amazon Com Hilom Wt 827 Carburetor Air Fuel Filter Line Kit Rep 7843 753 05133 753 04333 For Mtd Troy Bilt Tb10cs Tb20cs Tb20dc Tb310qs Tb320bv Tb65ss Tb70fh Tb70ss Tb90bc Ms2550se Wh25cs Wh80bc Gas Trimmer Patio
Amazon Com Hilom Wt 827 Carburetor Air Fuel Filter Line Kit Rep 7843 753 05133 753 04333 For Mtd Troy Bilt Tb10cs Tb20cs Tb20dc Tb310qs Tb320bv Tb65ss Tb70fh Tb70ss Tb90bc Ms2550se Wh25cs Wh80bc Gas Trimmer Patio
Replacement Carburetor Kit For Troy Bilt Tb10cs Tb20cs Tb20ds Tb65ss Tb70ss Tb90bc Buy Online At Best Prices In Pakistan Daraz Pk
Carburetor Fuel Line Primer Bulb Kit For Mtd Troy Bilt Tb10cs Tb20cs Tb20ds Tb65ss Tb70ss Tb90bc 753 05133 Walbro Wt 827 Wt 275 Kit Kits Kit Carburetorkit Fuel Aliexpress
Hipa 753 05133 Carburetor With Repower Kit Air Filter For Mtd Troy Bilt Tb10cs Tb20cs Tb20dc Tb310qs Tb320bv Tb65ss Tb70fh Tb70ss Tb90bc Ms2550se Ms2560se Wh25cs Wh80bc Y780 Ym20cs Gas Trimmer Amazon Ca Patio Lawn
0 Response to "37 troy bilt tb90bc fuel line diagram"
Post a Comment