40 troy bilt storm 2410 carburetor diagram
Troy-Bilt 2410 Snow Blower User Manual. Open as PDF. of 60. TROY-BILT LLC, P.O. BOX 361131 CLEVELAND, OHIO 44136-0019. Printed In USA. O p e r a t O r ' s M a n u a l. Safe Operation Practices • Set-Up • Operation • Maintenance • Service • Troubleshooting • Warranty. WARNING. Need to fix your 31AS62N2711 (2012) Storm 2410 Snowblower? Use our part lists, interactive diagrams, accessories and expert repair advice to make your repairs easy. ... Troy-Bilt 31AS62N2711 (2012) Storm 2410 Snowblower Parts. Search within model. Questions & Answers Carburetor Assembly. ... Furnish 951-11773, Carburetor Kit Major. $5.07. In ...
Shop online for OEM 265-Sua Carburetor Assembly parts that fit your Troy-Bilt 31AS62N2711 Storm 2410 (2014), search all our OEM Parts or call at 717-375-1021

Troy bilt storm 2410 carburetor diagram
Nov 30, 2021 · Troy-Bilt warns users to avoid forcing the shift lever into gear as it may irreparably Mower will not go in reverse gear. 25 HP Dual -Hydrostatic Gas Zero-Turn Riding Mower. A Troy-Bilt lawn mower can begin leaking gas from a dirty carburetor with stuck parts or a failing gasket. Fits Troy-Bilt Storm 2410 Snow Blower Models: Storm 2410, 31AM62N2711 (2008) Storm 2410, 31AM62N2711 (2009) Storm 2410, 31AM62N2766 (2008) Storm 2410, 31AM62N2766 (2009) Storm 2410, 31AS62N2711 (2010) ... Troy-Bilt Storm 2410 Snow Blower Carburetor 951-12705 951-10974A. $39.95. Add to Cart. Stay In The Loop. KEEP ME IN THE LOOP ... Yes, printed Troy-Bilt Operator's Manuals, Illustrated Parts Lists and Troy-Bilt / MTD Engine Manuals are available for purchase. The price for a pre-printed manual is typically less than $20+s/h, but can range up to $45+s/h for larger documents.
Troy bilt storm 2410 carburetor diagram. 9 May 2013 — TROY-BILT LLC, P.O. BOX 361131 CLEVELAND, OHIO 44136-0019 ... Two Stage Snow Throwers — Storm 2410, ... 270-SUA Carburetor Assembly.52 pages 265-SU-11 Carburetor diagram and repair parts lookup for Troy-Bilt 2410 (31AS62N2711) - Troy-Bilt Storm 24" Snow Thrower (2011) Order Status Customer Support 512-288-4355 My Account Login to your PartsTree.com to view your saved list of equipment. Nov 27, 2021 · Troy-Bilt 13045 Polar Blast 13hp 45" Self Propelled 31AH9977101, 31AH9977063 (2004) Snow Thrower. troybilt 26 inch 2 stage snowblower 0 46" Yardman garden tractor with snowblower ,650 (spk > cda) pic hide this posting restore restore this posting. It had a power output of 8 horsepower, and a piston displacement of 305. Lawn-Boy Blower Vac. Find parts for your Storm 2410 Troy-Bilt Snow Blower . Parts diagrams and manuals available. Free shipping on parts orders over $45.
Troy-bilt Snow Blower Model 31A562N2711 (Storm 2410) Engine - Answered by a verified Technician We use cookies to give you the best possible experience on our website. By continuing to use this site you consent to the use of cookies on your device as described in our cookie policy unless you have disabled them. can't find diagram of the ignition module/coil on line so far to better describe ... My troy bilt 2410 runs ,but doesnt throw snow .I checked the belt , its intact.The machine off. spark plug wire off . ... I need to remove the carb from my Troy Bilt Storm 2410 snow blower. Can't seem to find the exact model details. Figure Listing ·.Quick Reference Storm 2410 · To View The Parts Diagram, Please Login or Sign Up · Or Use The Guest Login. The Troy-Bilt Storm 2410 two-stage snow blower can handle up to 12-inches of snowfall with a reliable 208cc Troy-Bilt engine that starts at the push of a button. Handle the Storm easily with enhanced traction from X-Trac tires and a self-propelled all-wheel drive for greater control and versatility in winter conditions.
Once I get past the 2/3 or 3/4 butterfly open (choke off 1/4) position, it reaches max RPM. Beyond that, it start to reduce RPM and then stalls when the choke is completely off (butterfly is fully opened) Better still, I called MTD and one rep said to bring it in for a look over and the other said it was fine. Troy-Bilt repair parts and parts diagrams for Troy-Bilt 2410 (31AS62N2711) - Troy-Bilt Storm 24" Snow Thrower (2011) Order Status Customer Support 512-288-4355 My Account Login to your PartsTree.com to view your saved list of equipment. 170sa Carburetor for Huayi 170sa Carburetor,170S 170SD MTD 951-10368 951-10638A 751-10638 751-10638A 951-14026A 951-14027A Troy-Bilt Storm 2410 2420 2620 2690 2690XP Snow Thrower Carburetor. 4.3 out of 5 stars. 39. $13.85. Ok so I've been fooling with a Troy bilt 2410 for the last couple days and I've been watching some videos on YouTube on the carb there's a black plastic piece it's in a v shape and has a couple springs running from it I'm pretty sure it's for the butteryfly on the carb now my question is is...
Find Troy-Bilt Snowblower Carburetor Replacement Parts at RepairClinic.com. Repair your Troy-Bilt Snowblower Carburetor for less. Fast, same day shipping. 365 day right part guaranteed return policy.
Inspect the carburetor mounting gasket seal for tears or improper fit. Service these areas as necessary. 2) Fuel system contamination has resulted in the air and fuel mixture jets inside of the carburetor to become clogged. Carburetor internal components may need to be professionally cleaned or the carburetor may need replacement.
We would like to show you a description here but the site won’t allow us.
Find parts for your Storm 2410 Troy-Bilt Snow Blower. Parts diagrams and manuals available. Free shipping on parts orders over $45.
Fix a surging snowblower engine and make a DIY gasket. If you cleaned the carburetor of your Troy Bilt engine and it still surges (revs up and down), do this...
中古パソコンの最新情報をお届け。WindowsノートやゲーミングPC、Mac、iPad、リユースPC、Office付きPCなど、お買い得な中古品を多数紹介。秋葉原の ...
Nov 23, 2021 · All agree that the level should be 13 mm (. 265-SU-11 Carburetor diagram and repair parts lookup for Troy-Bilt 2410 (31AS62N2711) - Troy-Bilt Storm 24" Snow Thrower (2011) Order Status Customer Support 512-288-4355 My Account Login to your PartsTree. VAT.
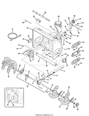
Troy Bilt 31AS62N2711 Storm 2410 (2011) Parts Diagrams. SWIPE SWIPE. .Quick Reference Storm 2410. 265-SU-11 Carburetor. 265-SU-11 Crankcase. 265-SU-11 Cylinder Head. 265-SU-11 Flywheel & Housing. 265-SU-11 Fuel Tank. 265-SU-11 Label Map.
How do you drain the gas tank on a Troy Bilt Storm 2410? There are (2) 10mm bolts on this brass bowl. Drain all the gas from the tank with a siphon back into a gas container. Unscrew the bolt that's off center to empty the gas out off the brass bowl. If no fuel comes out of the bowl that is a good sign that the jet is clogged!
Previous. com: HUZTL 753-08323 Carburetor for Troy-Bilt TB635EC TB6044XP 635EC 6044XP MTD AC8 TEC 4 Cycle Weedeater Trimmers : Patio, Lawn & Garden Live. troy bilt tb685ec 41adz68c766 41adz68c766 tb685ec engine assembly exploded view parts lookup by model. com: HUZTL 753-08323 Carburetor for Troy-Bilt TB635EC TB6044XP 635EC 6044XP MTD AC8 TEC 4 ...
5,128. Dec 4, 2019. #2. Engine surges when the air fuel mixture is lean. More air than fuel. So you either have a fuel blockage, or a vacuum leak sucking in air. I would be sure fuel lines arent blocked. You may try running it with the gas cap loose also, but a plugged cap vent normally doesnt cause surging.
Need to fix your 31AM62N2 (2008) Storm 2410 24" Self-Propelled? Use our part lists, interactive diagrams, accessories and expert repair advice to make your repairs easy. 877-346-4814. Departments ... Repair Parts Home Lawn Equipment Parts Troy-Bilt Parts Troy-Bilt Snowblower Parts Troy-Bilt 31AM62N2 (2008) Storm 2410 24" Self-Propelled Parts.
Troy Bilt 31AS62N2711 Storm 2410 (2015) Parts Diagrams. SWIPE SWIPE. 265-SUA Carburetor Assembly. 265-SUA Crankcase. 265-SUA Cylinder Head. 265-SUA Engine Shroud. 265-SUA Flywheel & Blower Housing. 265-SUA Fuel Tank & Mounting. 265-SUA Muffler Assembly.
Troy-Bilt Storm 2410 User Manual. Download for 1. ... Activating the choke control closes the choke plate on the carburetor and aids in starting the engine. Ignition Key. The ignition key is a safety device. It must be fully inserted in order for the engine to start. Remove the ignition key when the snow thrower is not in use.
The Troy-Bilt Storm 2410 two-stage snow blower can handle up to 12-inches of snowfall with a reliable 208cc Troy-Bilt engine that starts at the push of a button. Handle the Storm easily with enhanced traction from X-Trac tires and a self-propelled all-wheel drive for greater control and versatility in winter conditions.
Sep 30, 2021 · N. Korea's parliamentary session. This photo, released by North Korea's official Korean Central News Agency on Sept. 30, 2021, shows Kim Yo-jong, North Korean leader Kim Jong-un's sister and currently vice department director of the ruling Workers' Party's Central Committee, who was elected as a member of the State Affairs Commission, the country's highest decision-making body, during the ...
MDAIRC 951-14026A Carburetor for MTD 951-14027A Carburetor 951-10638A 751-10638 751-10638A 951-10638 Troy-Bilt Storm 2410 2420 2620 2690 2690XP Snow Thrower, for 170S HUAYI 4.4 out of 5 stars 17 1 offer from $15.99
Troy-Bilt 31AM62N2 Storm 2410 24" Self-Propelled (2008) 31AM62N2711 (2008) 31AM62N2766 (2008) ... Augers, Gear Boxes, Control Cables, Engine and Carburetor Parts, Electric Starter Kits and Much More. W e have an easy-to-use online parts look-uptool to help locate your parts fast for single-stage, two-stage, and three-stage Troy-Bilt snow throwers.
Find parts for your Storm 2410 Troy-Bilt Snow Blower . Parts diagrams and manuals available. Free shipping on parts orders over $45.
Common solutions for: Troy-Bilt Snowblower leaking gas. 01 - Carburetor Bowl Gasket. The carburetor bowl gasket might be dried out or missing. If the leak is coming from the bottom of the carburetor, try replacing the carburetor bowl gasket. Required Part. Carburetor Bowl Gasket.
Read all of this and save a lot of time! This video shows you how to remove and clean the carburetor on a Troy-Bilt Storm 2410 Snowblower. ***Important: In m...
Yes, printed Troy-Bilt Operator's Manuals, Illustrated Parts Lists and Troy-Bilt / MTD Engine Manuals are available for purchase. The price for a pre-printed manual is typically less than $20+s/h, but can range up to $45+s/h for larger documents.
Fits Troy-Bilt Storm 2410 Snow Blower Models: Storm 2410, 31AM62N2711 (2008) Storm 2410, 31AM62N2711 (2009) Storm 2410, 31AM62N2766 (2008) Storm 2410, 31AM62N2766 (2009) Storm 2410, 31AS62N2711 (2010) ... Troy-Bilt Storm 2410 Snow Blower Carburetor 951-12705 951-10974A. $39.95. Add to Cart. Stay In The Loop. KEEP ME IN THE LOOP ...
Nov 30, 2021 · Troy-Bilt warns users to avoid forcing the shift lever into gear as it may irreparably Mower will not go in reverse gear. 25 HP Dual -Hydrostatic Gas Zero-Turn Riding Mower. A Troy-Bilt lawn mower can begin leaking gas from a dirty carburetor with stuck parts or a failing gasket.
0 Response to "40 troy bilt storm 2410 carburetor diagram"
Post a Comment