Iklan 300x250

41 poulan pro pp330 parts diagram

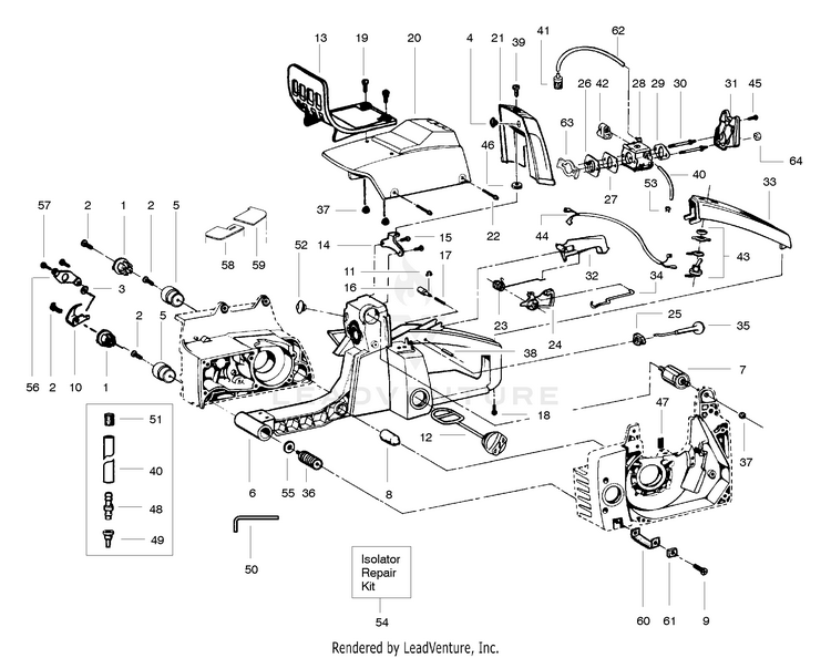
Poulan Pp330 Parts, International Buyers Please Note Poulan parts / poulan pro parts, poulan equipments represents the best value to homeowners in the marketplace offering the quality, power and durability that every customer should come to expect. Get parts and repair help for pp330 poulan trimmer - pro gas trimmer. Find parts, manuals & diagrams for any poulan line trimmers/weedwackers. Poulan Pro PP 330 - Parts Lookup and OEM Diagrams Engine Type 1-2 diagram and repair parts lookup for Poulan Pro PP 330 - Poulan Pro Chainsaw, Type 1. The Right Parts, Shipped Fast! ... Engine Type 1-2 Parts Diagram. Title; 1. Poulan Part# 530069890. Flywheel Ass'y. Kit (Superseded to 530054182) ...

Poulan Pro Pp330 Parts Diagram - schematron.org Poulan Pro Pp330 Parts Diagram. schematron.org - Select Poulan PP (Type 2) - Poulan Pro Chainsaw Diagrams and order Genuine Poulan Chainsaw Parts. Easy Ordering, Fast Shipping and. schematron.org - Select Poulan PPB (Type 1) - Poulan Pro String Trimmer Diagrams and order Genuine Poulan String trimmers & brush cutter Parts.

Poulan pro pp330 parts diagram

Poulan pro pp330 parts diagram

Poulan Pro Pole Pruner Replace Carburetor #545189502 This video provides step-by-step instructions for replacing the carburetor on Poulan Pro pole pruners with string trimmer attachment. The most common reason ... PDF PP330 - Poulan Pro Steam PP330. 2 | ENGLISH This owner's guide and any additional inserts are considered part of the product. They contain ... its parts and packaging material. ... contact Poulan Pro Consumer Service at 1-800-711-6617. SAVE THESE INSTRUCTIONS Figure 65.1 Amazon.com: poulan pro pp133 parts 1-16 of 324 results for "poulan pro pp133 parts" Amazon's Choice for poulan pro pp133 parts. Butom 545195901 PPB330 Air Filter Tune Up Kit for Poulan Pro PP335 PP333 PP330 PP338PT PP133 PPB335 PP033 BC233B BC433B Craftsman 358791170 358791140 358795920 Trimmer with 545190501 Carburetor Boot.

Poulan pro pp330 parts diagram. Poulan Pro Chainsaw: Model PP330/TYPE 1 Parts & Repair ... Poulan Pro Chainsaw Model PP330/TYPE 1 Parts. Poulan Pro Chainsaw Model PP330/TYPE 1 Parts are easily labeled on this page to help you find the correct component for your repair. Filter results by category, title and symptom. You can also view diagrams and manuals, review common problems that may help answer your questions, watch related videos, read insightful articles or use our repair help ... Parts Lookup and OEM Diagrams | PartsTree Repair parts lookup and OEM diagrams for outdoor equipment like Toro lawn mowers, Cub Cadet tractors, Husqvarna chainsaws, Echo trimmers, Briggs engines. The Right Parts, Shipped Fast! ... Results for "ppb330 type 1 poulan pro string trimmer" (17037 Models) Poulan Gas Trimmer | PP330 | eReplacementParts.com Repair Parts Home Lawn Equipment Parts Poulan Parts Poulan Gas Trimmer Parts Poulan Pro PP330 Gas Trimmer Parts. ... If you click on the PP335 model below, it will have a parts diagram you can look at. Look at page B item number 17. All of the parts between the brackets are included with part number 545212701 Hope this helps, PDF PARTS LIST NO. POULAN PRO PARTS LIST Chain Saw Model(s ... PARTS LIST NO. PAGE NO. Chain Saw Model(s): 330 DATE 10/03/02 530088665 Replaces POULAN PRO PARTS LISTr 530088665 -- 7/25/02 4 Carb. Repair Kit Gasket/ Diaphragm Kit KEY NO. PART DESCRIPTION Carburetor Assembly -- 530069895 HDA -- #164 1 2 1. 530069849 Carburetor Repair Kit ( KIT=Contents) 2. 530069844 Gasket/Diaphragm Kit ( D=Contents) KIT KIT ...

Parts for Poulan PP330 TYPE 2: Cylinder / Fuel Tank ... Parts for Poulan PP330 TYPE 2: Cylinder / Fuel Tank / Muffler Parts in stock and ready to ship today. 365 days to return any part. PP330 TYPE 1 Poulan Grass Line Trimmer Parts & Free Repair ... The best way to find parts for Poulan grass line trimmer model PP330 TYPE 1 is by clicking one of the diagrams below. You can also browse the most common parts for Poulan grass line trimmer model PP330 TYPE 1. Poulan pro - fuel line configuration - YouTube Pp4218avx 42cc, Poulan pro Owner's Manuals | Poulan Pro Search Poulan Pro owner's manuals, illustrated parts lists and more. Search Poulan Pro owner's manuals, illustrated parts lists and more. Cookies help us deliver a better experience. By using this site, you agree to our use of cookies. Learn More. Got it ...

Poulan Gas Trimmer | PP033 | eReplacementParts.com Use our part lists, interactive diagrams, accessories and expert repair advice to make your repairs easy. Please note shipping times may be longer than expected due to carrier delays. ... Repair Parts Home Lawn Equipment Parts Poulan Parts Poulan Gas Trimmer Parts Poulan Pro PP033 Gas Trimmer Parts. Poulan Pro 330, Pp330, 330, Pp336, Pp336c, 336 Piston Kit ... poulan pro 330, pp330, 330, pp336, pp336c, 336 piston kit, 46.5mm, replaces poulan part # 530071321, 530010989, 530069547 note: this high quality made piston is not made in taiwan or china ships with a tracking number Poulan PP330 Gas Saw Type 2, 330 Gas Saw Type 2 Parts Diagrams Poulan PP330 Gas Saw Type 2, 330 Gas Saw Type 2 Exploded View parts lookup by model. Complete exploded views of all the major manufacturers. It is EASY and FREE Poulan Chainsaw: Model 330 Parts & Repair Help - Repair Clinic Find all the parts you need for your Poulan Chainsaw 330 at RepairClinic.com. We have manuals, guides and of course parts for common 330 problems.

Amazon.com: 545190501 *OEM* ~ Genuine Poulan Weedeater ...

Amazon.com: 545190501 *OEM* ~ Genuine Poulan Weedeater ...

Outdoor Power Equipment - Poulan Pro An American Story. For more than seven decades, Poulan Pro has been making outdoor power equipment homeowners can rely on year after year. Our products are built with pride in our factories in McRae, Georgia, Nashville, Arkansas and Orangeburg, SC. You can find Poulan Pro products both in-store and online at home improvement retailers, hardware ...

SOLVED: Gap coil on ppb 330 poulan pro - Fixya

SOLVED: Gap coil on ppb 330 poulan pro - Fixya

Poulan Pro Poulan Pro PR28SD, 17 in. 28cc 2-Cycle Gas ... Poulan Pro trimmers boast features that ensure there's a unit that's perfect for every job. The PR28LD features a 28cc, 2 stroke engine with a straight shaft and 17" cut path. Our attachment capable trimmers, with Pro-Link, are designed to accept 6 optional attachments that make them even more versatile.

Craftsman 16 38Cc Gas Chain Saw Case Included Owners Manual ...

Craftsman 16 38Cc Gas Chain Saw Case Included Owners Manual ...

Poulan PP330 Gas Saw Type 2, 330 Gas Saw Type 2 Parts ... Poulan PP330 Gas Saw Type 2, 330 Gas Saw Type 2 Chain Brake & Cluch Exploded View parts lookup by model. Complete exploded views of all the major manufacturers. It is EASY and FREE

Poulan pro PP325 Manuals | ManualsLib

Poulan pro PP325 Manuals | ManualsLib

Poulan Pro 31cc Fuel Line Diagram - schematron.org 21.11.2018 21.11.2018 4 Comments on Poulan Pro 31cc Fuel Line Diagram Poulan Pro PPBE Type 1 Gas Trimmer Parts. Search within model New fuel filter, fuel lines, and either carb kit or just a new carburetor.

Optional attachments, Safety rules, Warning | Poulan Pro ...

Optional attachments, Safety rules, Warning | Poulan Pro ...

Amazon.com: poulan pp335 parts AUMEL C1M-W44 Carburetor Carb with Air Fuel Filter Line Kit For Craftsman Poulan 33CC PP333 PP330 PPB330 PP133 PP335 PPB335 PP338PT Pro Gas Trimmer Replace 545008042 545189502 ZAMA W44 3.9 out of 5 stars 6

Poulan PP025 Gas Trimmer Type 1, 025 - Poulan Pro Gas Trimmer ...

Poulan PP025 Gas Trimmer Type 1, 025 - Poulan Pro Gas Trimmer ...

Poulan PP330 TYPE 2 gas line trimmer parts | Sears PartsDirect Poulan PP330 TYPE 2 gas line trimmer parts - manufacturer-approved parts for a proper fit every time! We also have installation guides, diagrams and manuals to help you along the way!

Poulan pro PP333 Manuals | ManualsLib

Poulan pro PP333 Manuals | ManualsLib

Poulan Pro Gas Trimmer Fuel Primer Bulb Line Routing ... 5 Posts. Discussion Starter · #1 · May 14, 2009. Hey folks, newb here. So for my first post, I was hoping that someone can confirm or deny my routing diagram for hooking up the fuel lines properly. I inherited this weed trimmer from my brother as it had been sitting for years since he didn't know what was wrong with it.

Poulan Pro & Craftsman Trimmer 3 Pack Foam Air Filter ...

Poulan Pro & Craftsman Trimmer 3 Pack Foam Air Filter ...

oiler oil tank cap POULAN CHAINSAW PP330 PP335 PP365 ... Phone: (937) 927-5665 or (937) 927-5429 CHECK OUT MY STORE OR CALL RANDY OR KRISTAL DUNCAN AT 937-927-5665. One 1 NEW genuine OEM Poulan, Sears, Craftsman OILER CAP ASSEMBLY # 530057236 FOR THE FOLLOWING SERIES POULAN CHAIN SAWS: · PP221LE Gas Chain Saw Type 1-- Handle, Chassis Bar Assembly Type 1 · 1900 Gas Saw-- Handle, Chassis Bar Assembly ...

Carburetor For Poulan Craftsman Poulan PP330 PP335 PPB330 PPB335 Pro Gas  Trimmer | eBay

Carburetor For Poulan Craftsman Poulan PP330 PP335 PPB330 PPB335 Pro Gas Trimmer | eBay

How to Install Weedeater Line in the Poulan Pro Link PP330 ... When your Poulan Pro Link PP330 runs out of line, buying a pre-wound spool isn't your only option. This trimmer and edger model can be rewound using bulk replacement line, giving you significant savings over the life of your trimmer. The PP330 requires replacement line that is 0.080 inches in diameter.

530057236 Craftsman, Poulan Oil Cap Chainsaw part fits P3314 ...

530057236 Craftsman, Poulan Oil Cap Chainsaw part fits P3314 ...

Poulan Pro / Poulan Chainsaw Parts - Suitable Replacement ... Suitable Replacement Chainsaw Sprocket. Our Price: $24.95. POULAN 4000 PISTON RINGS REPLACES PART # 26003, 530026003 THIN RINGS USA SHIP. POULAN 4000, POULAN PRO 395, PP395, PP385 PISTON RINGS 530026003 THIN RINGS, BORE SIZE 49.15MM FITS 3.9 CUBIC INCH.

Poulan PP4620AV Gas Saw, 4620AV-Poulan Pro Parts Diagram for ...

Poulan PP4620AV Gas Saw, 4620AV-Poulan Pro Parts Diagram for ...

Amazon.com: poulan pro pp133 parts 1-16 of 324 results for "poulan pro pp133 parts" Amazon's Choice for poulan pro pp133 parts. Butom 545195901 PPB330 Air Filter Tune Up Kit for Poulan Pro PP335 PP333 PP330 PP338PT PP133 PPB335 PP033 BC233B BC433B Craftsman 358791170 358791140 358795920 Trimmer with 545190501 Carburetor Boot.

Poulan PP133 Gas Trimmer Parts Diagrams

Poulan PP133 Gas Trimmer Parts Diagrams

PDF PP330 - Poulan Pro Steam PP330. 2 | ENGLISH This owner's guide and any additional inserts are considered part of the product. They contain ... its parts and packaging material. ... contact Poulan Pro Consumer Service at 1-800-711-6617. SAVE THESE INSTRUCTIONS Figure 65.1

Poulan Gas Trimmer | PP033 | eReplacementParts.com

Poulan Gas Trimmer | PP033 | eReplacementParts.com

Poulan Pro Pole Pruner Replace Carburetor #545189502 This video provides step-by-step instructions for replacing the carburetor on Poulan Pro pole pruners with string trimmer attachment. The most common reason ...

2 Poulan Pro # 579238501 Replacement Spool Green Weed Trimmer ...

2 Poulan Pro # 579238501 Replacement Spool Green Weed Trimmer ...

Poulan Pro PP335 Predator Gas Saw

Poulan Pro PP335 Predator Gas Saw

Poulan PPB330 Gas Trimmer Type 1 Parts Diagram for Engine ...

Poulan PPB330 Gas Trimmer Type 1 Parts Diagram for Engine ...

Poulan Pro Pole Pruner Fuel Filter Replacement #530095646

Poulan Pro Pole Pruner Fuel Filter Replacement #530095646

Poulan 3450 Gas Saw, 3450 (p219)

Poulan 3450 Gas Saw, 3450 (p219)

Homelite 300 (UT-10687-B) - Homelite Chainsaw Carburetor ...

Homelite 300 (UT-10687-B) - Homelite Chainsaw Carburetor ...

Poulan Pro 295 Type 1, 2, 3 and 4 | Manualzz

Poulan Pro 295 Type 1, 2, 3 and 4 | Manualzz

Need fuel line route from gas tank to carb.to primer bulb on ...

Need fuel line route from gas tank to carb.to primer bulb on ...

MOTOALL Carburetor Boot Air Filter Carb Adjustment Tool for Poulan Pro  PP338PT PP133 PP333 Gas Line 33cc Trimmer 545189502 545008042

MOTOALL Carburetor Boot Air Filter Carb Adjustment Tool for Poulan Pro PP338PT PP133 PP333 Gas Line 33cc Trimmer 545189502 545008042

OM, PP330, 2010-03, TRIMMERS/EDGERS, 966062801

OM, PP330, 2010-03, TRIMMERS/EDGERS, 966062801

1989 Poulan Pro Parts List #530-067353 -Trimmer Model 175 ...

1989 Poulan Pro Parts List #530-067353 -Trimmer Model 175 ...

Poulan pro PP330 Manuals | ManualsLib

Poulan pro PP330 Manuals | ManualsLib

Poulan PP330 Gas Saw Type 2, 330 Gas Saw Type 2 Parts Diagram ...

Poulan PP330 Gas Saw Type 2, 330 Gas Saw Type 2 Parts Diagram ...

Poulan PP025 Gas Trimmer Type 1, 025 - Poulan Pro Gas Trimmer ...

Poulan PP025 Gas Trimmer Type 1, 025 - Poulan Pro Gas Trimmer ...

Poulan Pro Poulan Pro 1-Speed Multipurpose Steam Cleaner

Poulan Pro Poulan Pro 1-Speed Multipurpose Steam Cleaner

Poulan Pro Poulan Pro 1-Speed Multipurpose Steam Cleaner in ...

Poulan Pro Poulan Pro 1-Speed Multipurpose Steam Cleaner in ...

Poulan Pro PP330 User Manual | Page 2 / 19

Poulan Pro PP330 User Manual | Page 2 / 19

Crankcase

Crankcase

gasket diaphragm kit carb carburetor POULAN 530069844 ...

gasket diaphragm kit carb carburetor POULAN 530069844 ...

Poulan PR4016 | Parts List

Poulan PR4016 | Parts List

It's about a Poulan 1800 chainsaw. The fuel line ...

It's about a Poulan 1800 chainsaw. The fuel line ...

Poulan pro weed eater won't start, fuel line repair. Starts for a second on  choke

Poulan pro weed eater won't start, fuel line repair. Starts for a second on choke

Vintage Original Poulan Pro Chainsaw Models 285 / 305 / 335 Parts List  530067181 | eBay

Vintage Original Poulan Pro Chainsaw Models 285 / 305 / 335 Parts List 530067181 | eBay

Poulan PRO PP330 PP330 Multi-Purpose Steam Cleaner with Steam ...

Poulan PRO PP330 PP330 Multi-Purpose Steam Cleaner with Steam ...

Poulan PP330 Gas Saw Type 2, 330 Gas Saw Type 2 Parts Diagrams

Poulan PP330 Gas Saw Type 2, 330 Gas Saw Type 2 Parts Diagrams

Poulan Gas Chain Saw | 3500 | eReplacementParts.com

Poulan Gas Chain Saw | 3500 | eReplacementParts.com

Poulan Pro Pole Pruner Gas Tank Replacement #578942701

Poulan Pro Pole Pruner Gas Tank Replacement #578942701

Poulan Pro PP365 Gas Saw, PP365

Poulan Pro PP365 Gas Saw, PP365

0 Response to "41 poulan pro pp330 parts diagram"

Post a Comment

Iklan Atas Artikel

Iklan Tengah Artikel 1

Iklan Tengah Artikel 2

Iklan Bawah Artikel